Каталог по сериям
Выбрана серия: Серия 1.020-1/87
Серия 1.020-1/87

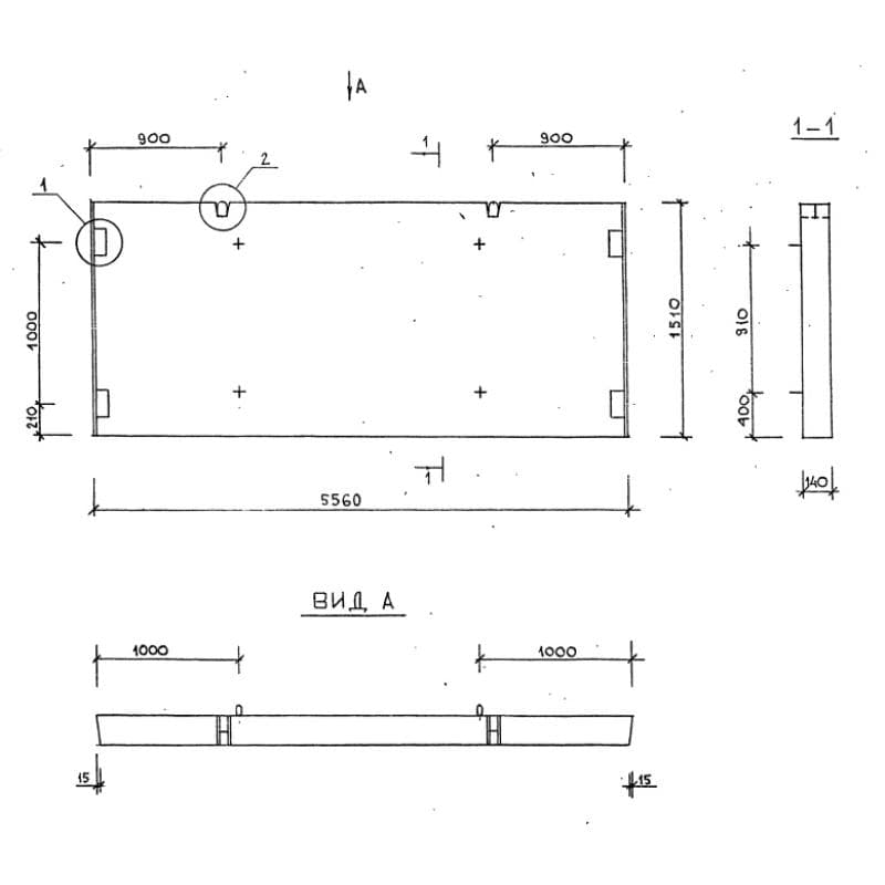
140x1510x5560Д 56-15
Цена по запросу

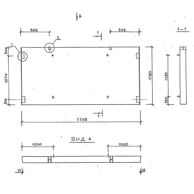
140x1780x5560Д 56-18
Цена по запросу

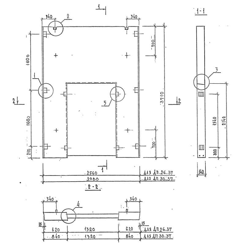
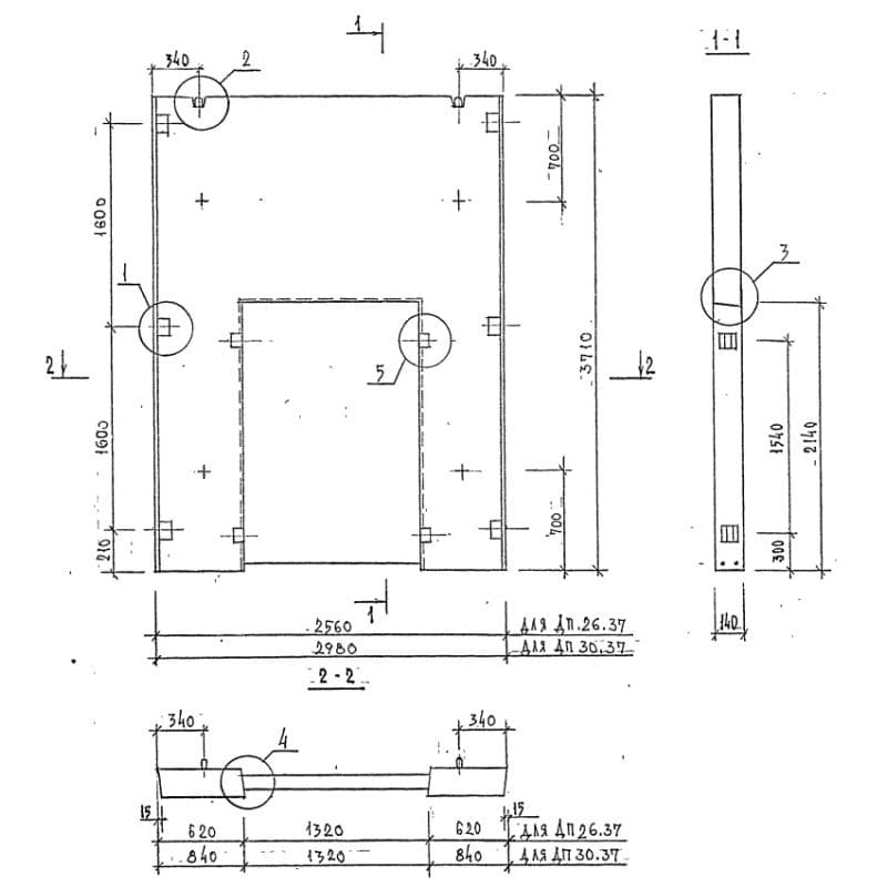
140x3710x2560ДП 26-37
Цена по запросу

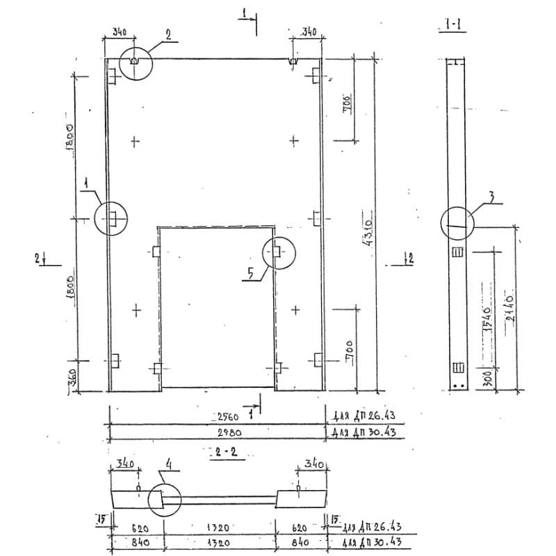
140x4310x2560ДП 26-43
Цена по запросу

140x3710x2980ДП 30-37
Цена по запросу

140x4310x2980ДП 30-43
Цена по запросу

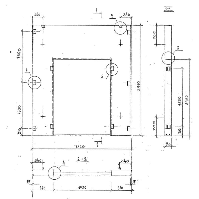
140x3710x3160ДП 32-37
Цена по запросу

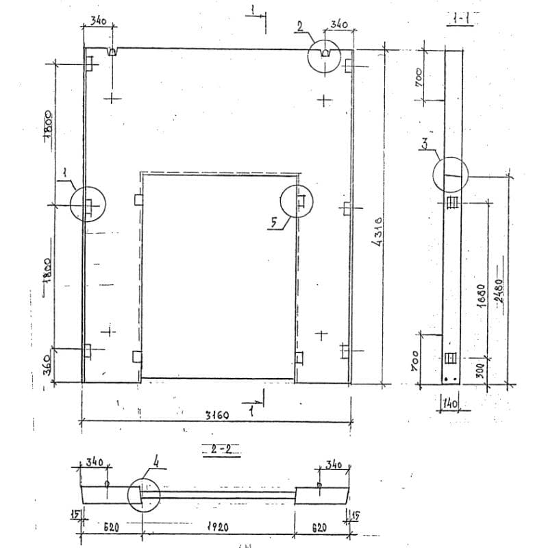
140x4310x3160ДП 32-43
Цена по запросу

180x300x2540Р 3-26
Цена по запросу

180x300x5540Р 3-56
Цена по запросу

565x450x2560РДП 4-26-60
Цена по запросу

565x450x5560РДП 4-56-50 АтV
Цена по запросу