Каталог по сериям
Выбрана серия: Серия
Серия

1800x1500x180024Ф 5-2 (1.411.1-4)
Цена по запросу

320x1840x150003БГП 15-1
Цена по запросу

400x400x54001КСД 4-54-3,3
Цена по запросу

1800x1800x3000Р 6-27
Цена по запросу

400x400x75203КВ 42-75-4
Цена по запросу

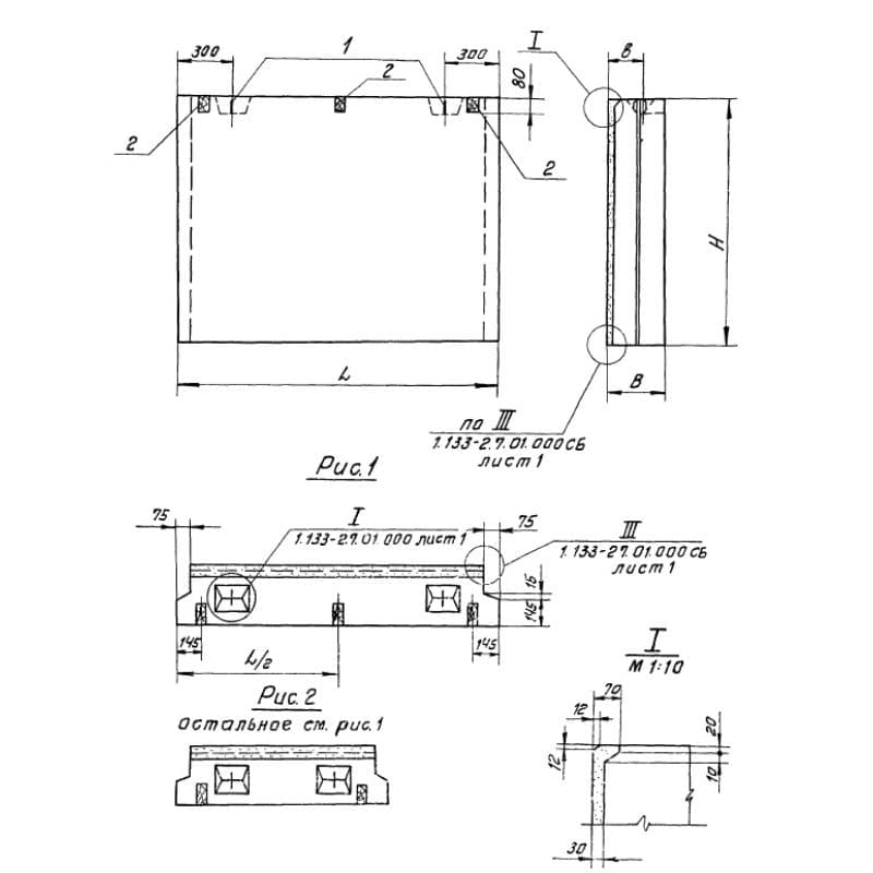
320x760x1190НБО 12-8-3 а (1.133-2)
Цена по запросу

250x1300x5245ЦТ 1-52-13-25 (1.117-9)
Цена по запросу

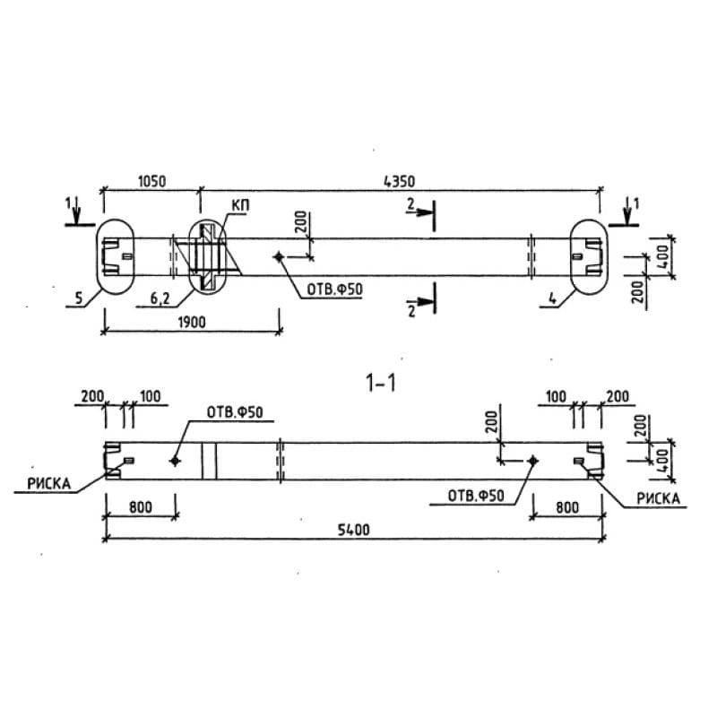
2985x400x55501П 1-4 АIVт в
Цена по запросу

160x3040x28201ПВП 28-30-13-1 тс (1.090.1-7с)
Цена по запросу

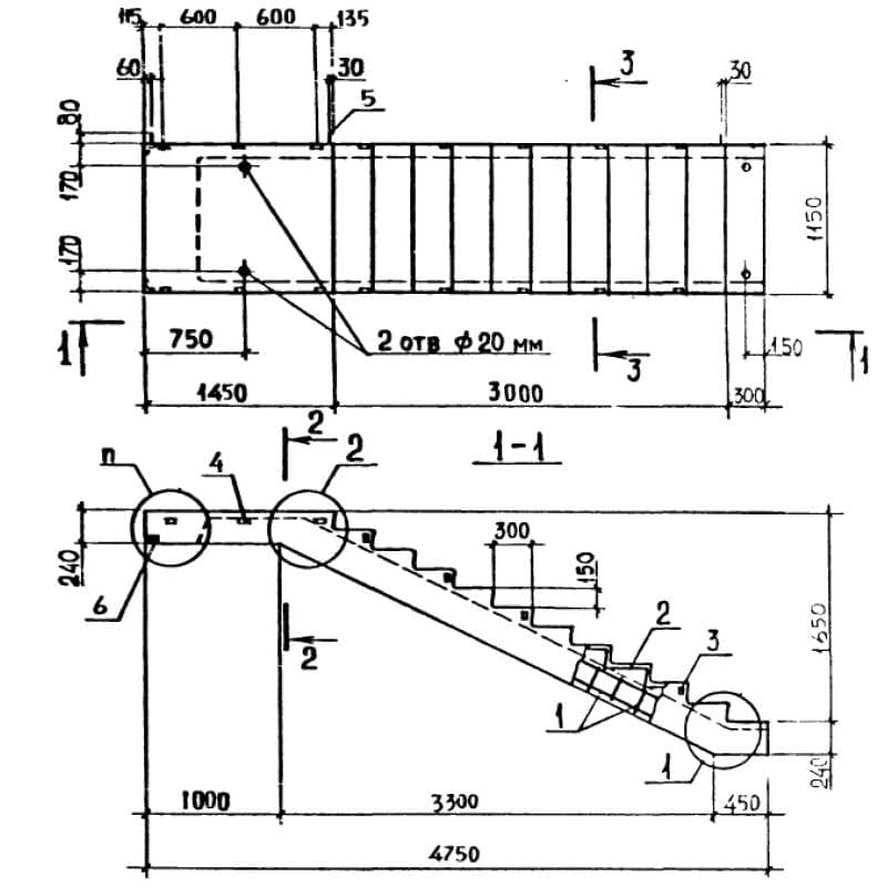
1150x1650x4750ЛМП 57-11-17-5-13
Цена по запросу

1790x220x2980ПК 4,5-30-18 с9а (1.141.1-23с)
Цена по запросу

400x400x8700К 78-10
Цена по запросу