Каталог по сериям
Выбрана серия: Серия
Серия
xx
Цена по запросу

280x900x1780НБПУ 18-9-3 па (1.133-2)
Цена по запросу

400x1350x1890ПСД 15-13,5-40 ул
Цена по запросу

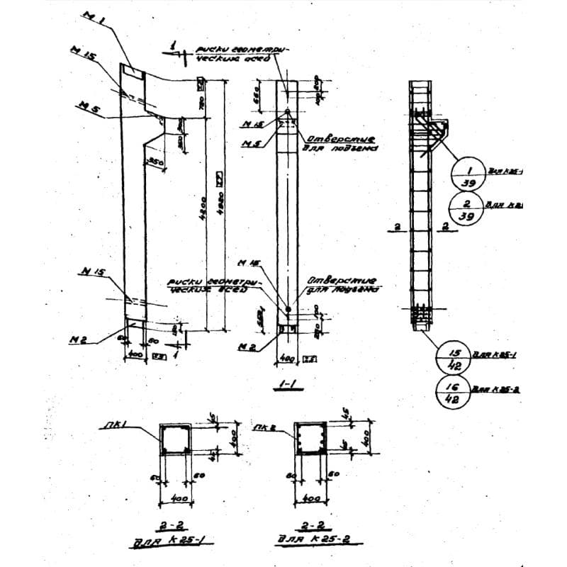
400x400x4920К 25-2 (ИИ 22-3)
Цена по запросу

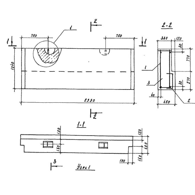
450x1040x29901НЦ 30-10-45-150 л
Цена по запросу

280x2785x179601,3ФСП 18-06,45 АIV
Цена по запросу

400x400x118504КН 33-119-7
Цена по запросу

650x800x11480Б 32-1
Цена по запросу

160x3040x5900ПВ 60-30-1 т пв (1.090.1-3 пв)
Цена по запросу

1195x220x2380ПБ 24-12-4 (ИЖ568-04/д)
Цена по запросу

2000x1250x19500СК 18-2 т-1
Цена по запросу

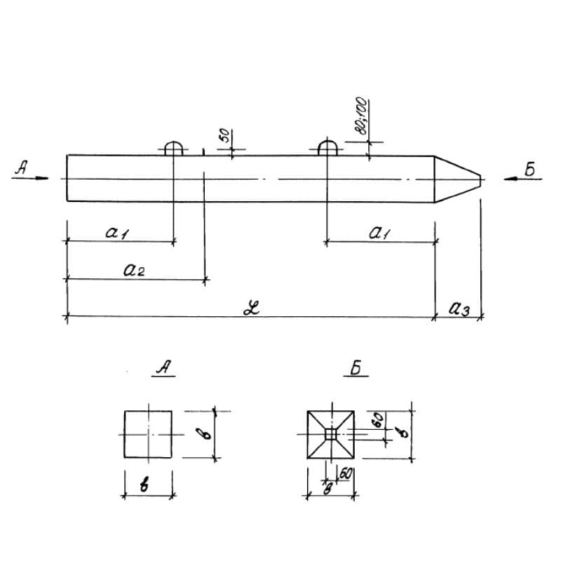
350x350x5000СН 50-35 АIV
Цена по запросу