Каталог по сериям
Выбрана серия: Серия 1.050.1-2
Серия 1.050.1-2

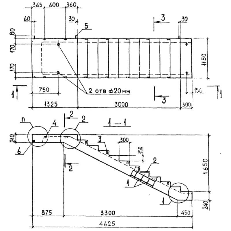
1150x1650x4625ЛМП 57-11-17-5-3
Цена по запросу

1150x1650x4625ЛМП 57-11-17-5-3 с
Цена по запросу

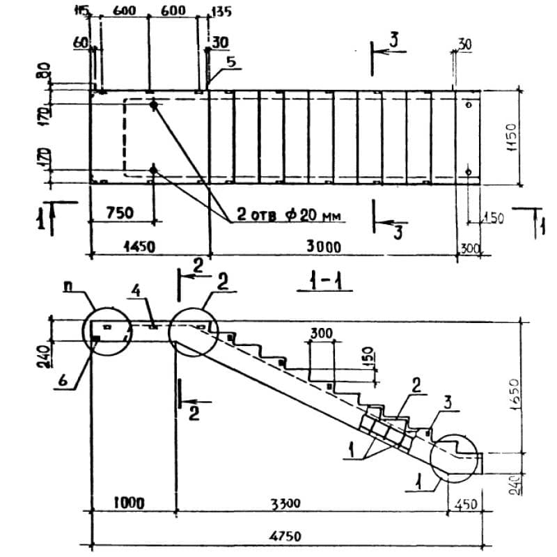
1150x1800x5650ЛМП 57-11-18-5
Цена по запросу

1150x1800x5650ЛМП 57-11-18-5 с
Цена по запросу

1150x1800x5650ЛМП 57-11-18-5-1
Цена по запросу

1150x1800x5650ЛМП 57-11-18-5-1 с
Цена по запросу

1150x1800x5050ЛМП 57-11-18-5-13
Цена по запросу

1150x1800x5050ЛМП 57-11-18-5-13 с
Цена по запросу

1150x1800x5650ЛМП 57-11-18-5-2
Цена по запросу

1150x1800x5650ЛМП 57-11-18-5-2 с
Цена по запросу

1150x1800x4775ЛМП 57-11-18-5-3
Цена по запросу

1150x1800x4775ЛМП 57-11-18-5-3 с
Цена по запросу