Каталог по сериям
Выбрана серия: Серия
Серия

450x2810x35901ПСН 36-28-45-1 п-1
Цена по запросу

300x400x3600ПРм 360
Цена по запросу

400x3275x29901ПСБ 30-33-4-2 пс (1.090.1-2с)
Цена по запросу

300x1780x1450ПС 115-18-30
Цена по запросу

2780x250x2990П 25-11 а (3.006-2)
Цена по запросу

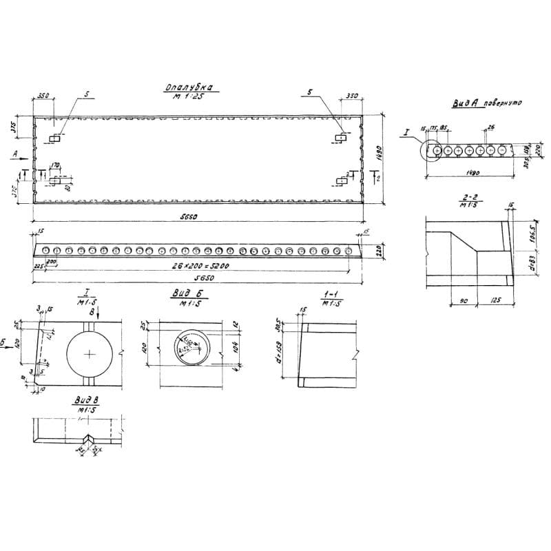
1490x220x5650ПК 56-24-10 АIVп
Цена по запросу

470x90x1290АП 13-5
Цена по запросу

400x400x127502КН 36-128-2 с
Цена по запросу

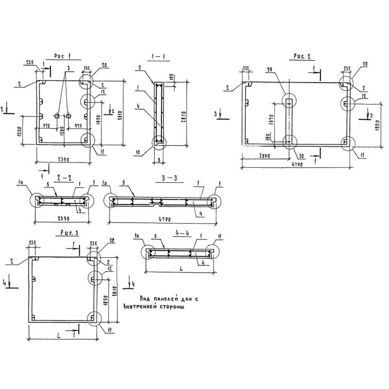
4500x4200x3900Ф 12-4-1-42 (1.412.1-6)
Цена по запросу

500x500x5000СВТ 50-5-2
Цена по запросу

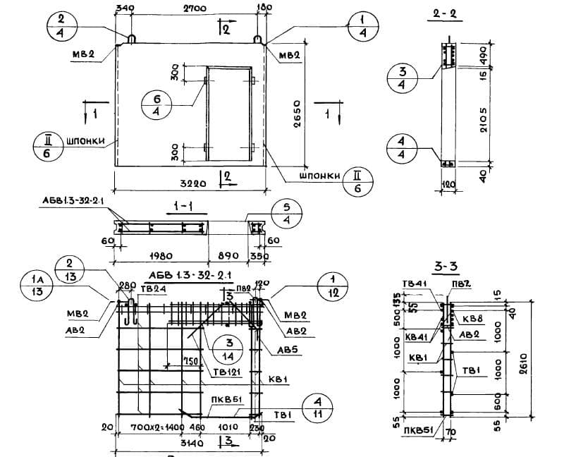
120x2650x3220В 1,3-32-27-12-2,6
Цена по запросу

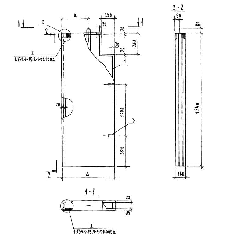
160x2540x880БВ 9-26-16-7,5 т-3
Цена по запросу