Каталог по сериям
Выбрана серия: Серия 1.132.1-12с
Серия 1.132.1-12с

300x2870x2800СНР 5-28-29-3-2
Цена по запросу

300x2870x2800СНР 5-28-29-3-3
Цена по запросу

300x2870x2800СНР 5-28-29-3-7
Цена по запросу

350x2870x2800СНР 5-28-29-35-2
Цена по запросу

350x2870x2800СНР 5-28-29-35-3
Цена по запросу

350x2870x2800СНР 5-28-29-35-7
Цена по запросу

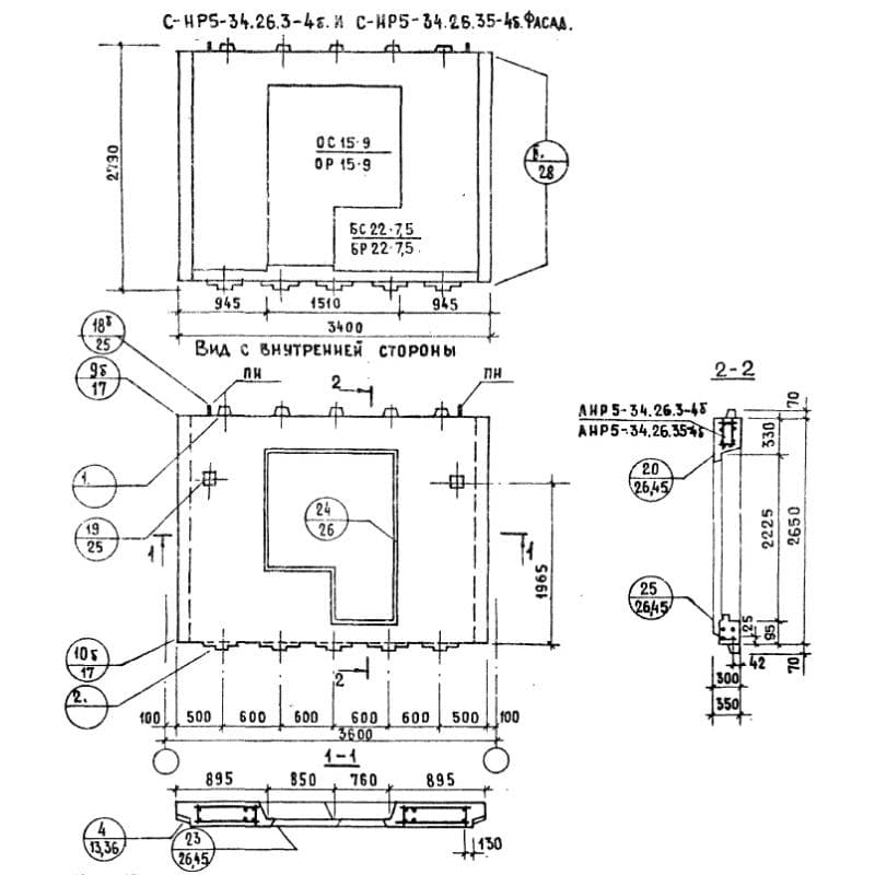
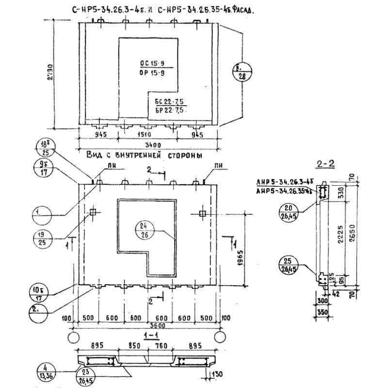
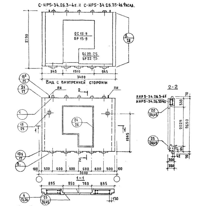
300x2790x3400СНР 5-34-26-3-4б
Цена по запросу

300x2790x3400СНР 5-34-26-3-4бл
Цена по запросу

300x2790x3400СНР 5-34-26-3-6б
Цена по запросу

300x2790x3400СНР 5-34-26-3-6бл
Цена по запросу

350x2790x3400СНР 5-34-26-35-4б
Цена по запросу

350x2790x3400СНР 5-34-26-35-4бл
Цена по запросу