Каталог по сериям
Выбрана серия: Серия
Серия

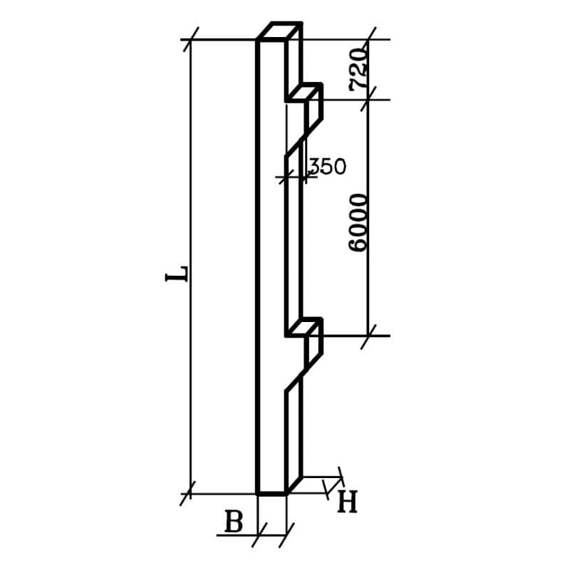
400x400x11370К 62а-5-5
Цена по запросу

400x400x10920К 69а-2-3
Цена по запросу

400x400x75502КН 42-20-22
Цена по запросу

1485x400x5550ИП 1-6-1 (ИИ 24-4/70)
Цена по запросу

400x400x42005КС 42-42-1 сн
Цена по запросу

280x890x119601БСП 12-1 к7 (1.462.1-1/81)
Цена по запросу

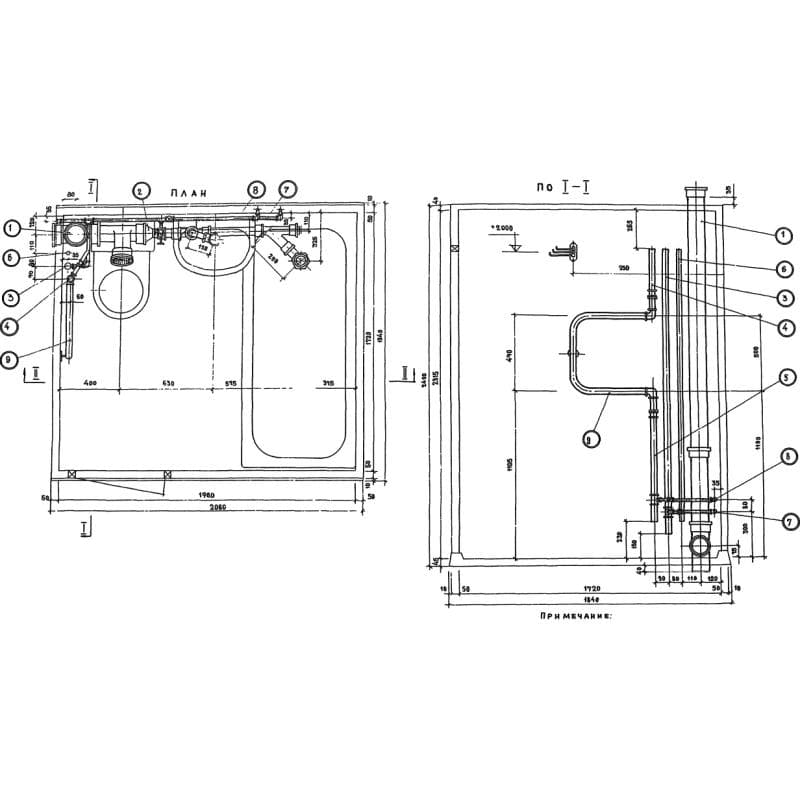
1840x2400x2080СК 18-11 в (1.188-5)
Цена по запросу

6000x3600x5400ФТ 17-4-12-36 (1.412.1-6)
Цена по запросу

1200x1000x2000Ф 1 пл-20-120
Цена по запросу

400x400x60005КС 60-60-4 сн
Цена по запросу

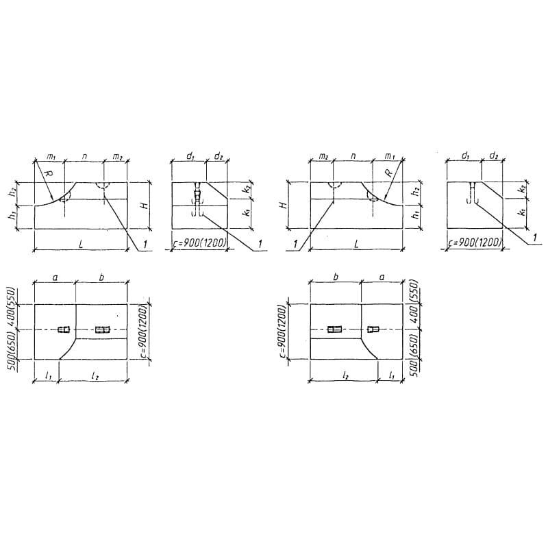
590x220x5160ПЛ 8-3 АIV (1.440-1)
Цена по запросу

400x400x111205КВ 60-111-11 с
Цена по запросу