Каталог по сериям
Выбрана серия: Серия
Серия

580x600x85601РДР 6-86-30 АIVд
Цена по запросу

320x2830x239603,1ФСП 24-13,50 АIIIв
Цена по запросу

300x2900x3495НР 4-35-29-3-2 л
Цена по запросу

400x500x11700К 108-3 с
Цена по запросу

2980x600x2980КТ 1пр-6-3
Цена по запросу

240x1780x2950ПСЛ 24-1,8-3-021 (1.432-9)
Цена по запросу

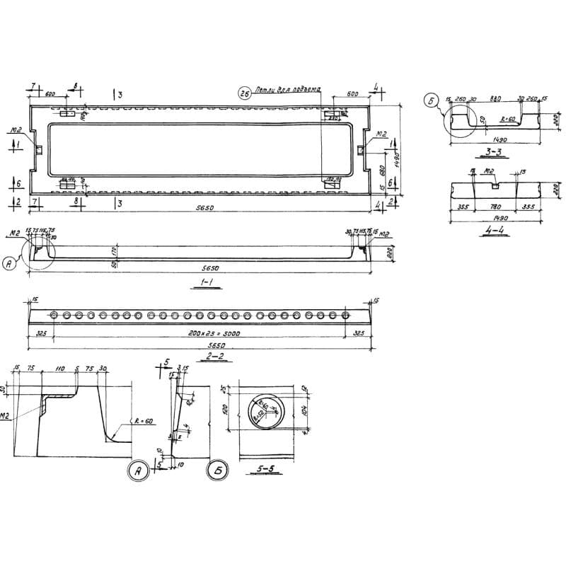
1490x220x5650П 1-4 АтVI (1.440-1)
Цена по запросу

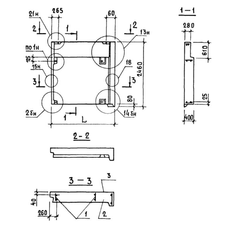
400x2460x17851НЧ 18-25-40-50 л-7,5,2 (1.138.1-17)
Цена по запросу

1800x1500x2100Р 4-32
Цена по запросу

80x1785x4900ППБ 1-1,8-4,9 (1.431-2)
Цена по запросу

80x2735x2980ПГ 30-27-2 л
Цена по запросу

400x400x122002КНД 4-48-(60)-3,2
Цена по запросу