Каталог по сериям
Выбрана серия: Серия
Серия

200x1390x119602БДР 12-5 АIVт н (1.462.1-3/80)
Цена по запросу

1500x1800x3000Р 6-21
Цена по запросу

1760x120x3610ВЧ 36-17-12-150 т
Цена по запросу

160x1865x1180ПСЦ 12-19-1,6-1 т
Цена по запросу

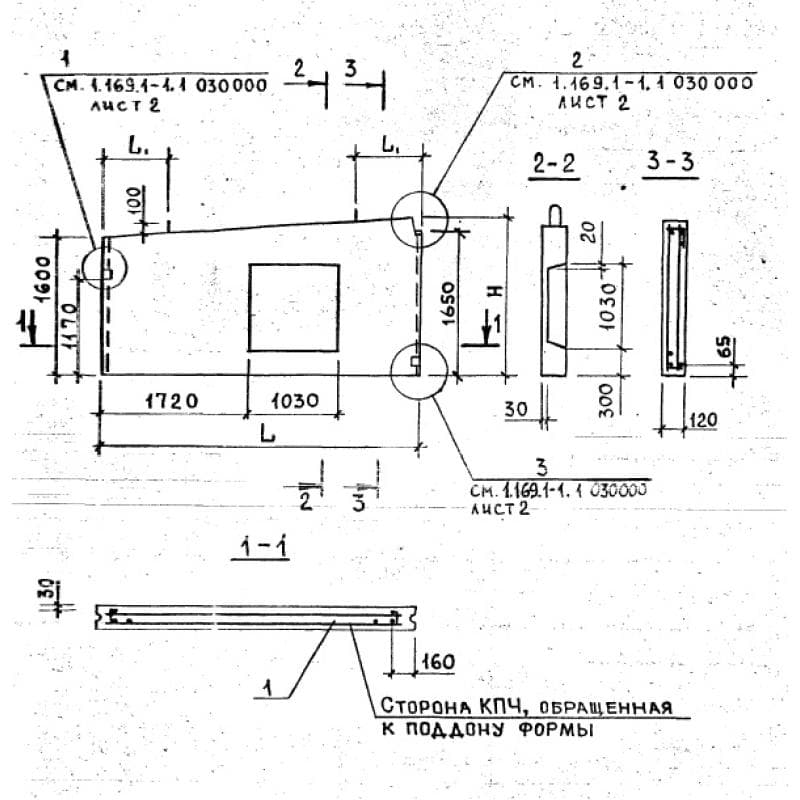
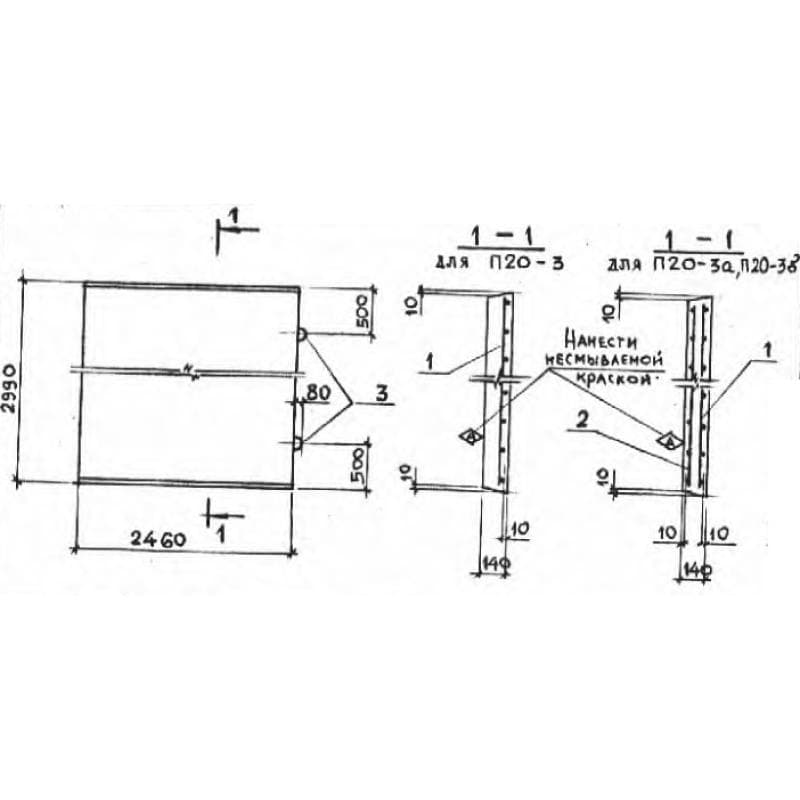
2460x140x2990П 20-3 а (3.006-2)
Цена по запросу

600x400x12640К 13-21 с
Цена по запросу

940x220x6850ПК 68-9-12 к7-1
Цена по запросу

150x3600x28801НС 29-36-15-1 с-7,1 (1.090.1-9м)
Цена по запросу

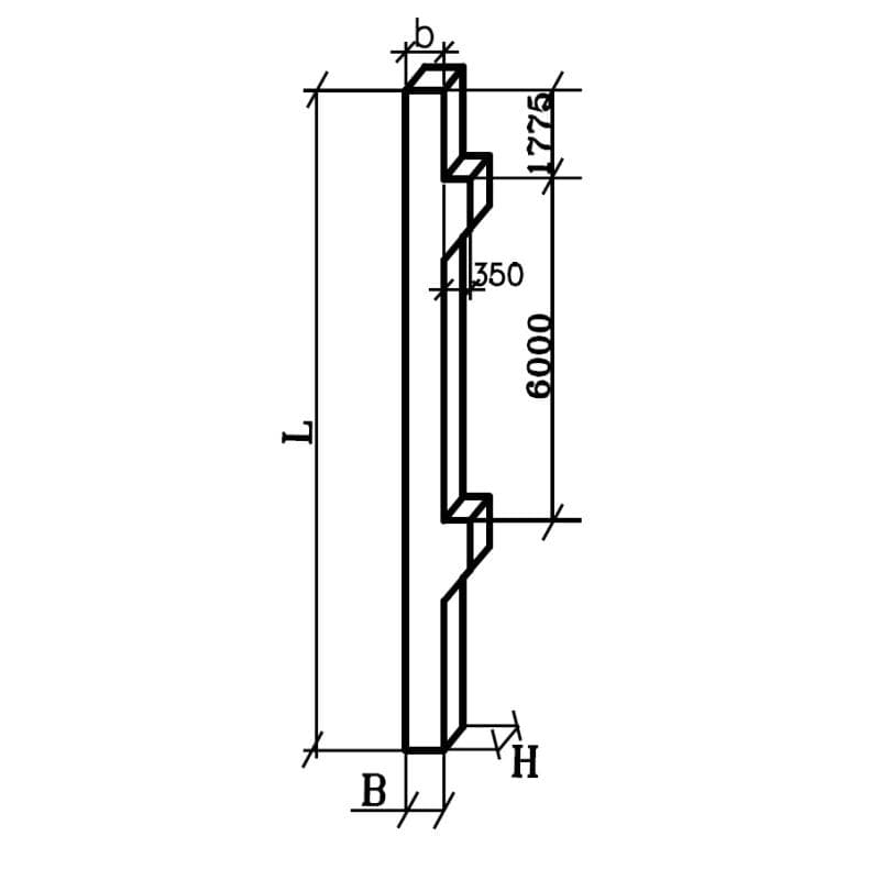
350x350x8000С 8-35-2 (1.111 КЛ-2)
Цена по запросу

300x400x6800К 60-6 а
Цена по запросу

600x400x14825К 33а-3-1
Цена по запросу

300x885x57501ПСТ 57,5-9-3,0-3 л-1
Цена по запросу