Каталог по сериям
Выбрана серия: Серия 1.012.1-3.97
Серия 1.012.1-3.97

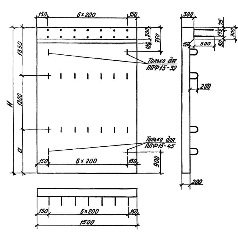
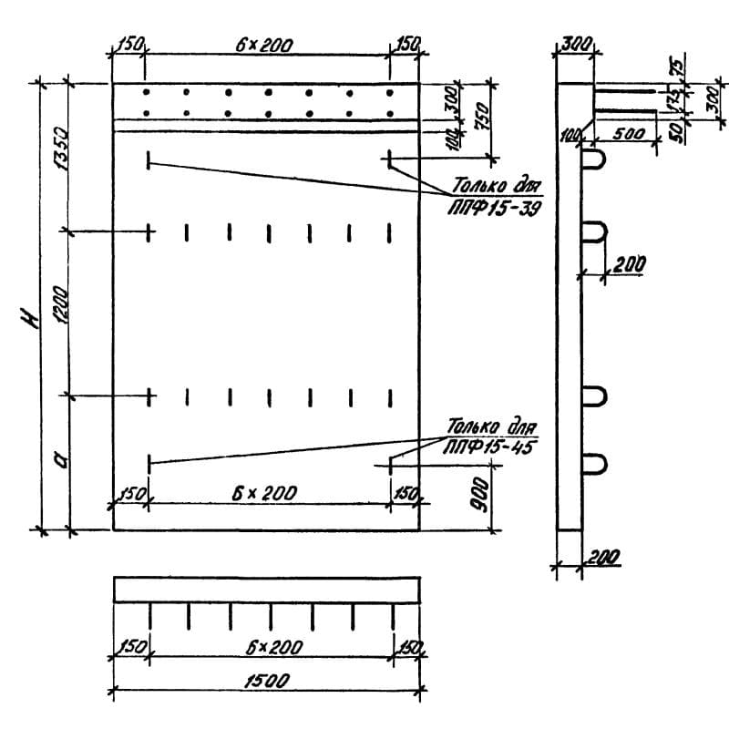
300x3900x1500ППФ 15-39
Цена по запросу

300x4500x1500ППФ 15-45
Цена по запросу

300x5100x1500ППФ 15-51
Цена по запросу

300x5700x1500ППФ 15-57
Цена по запросу

300x6300x1500ППФ 15-63
Цена по запросу

300x6900x1500ППФ 15-69
Цена по запросу

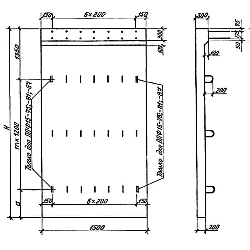
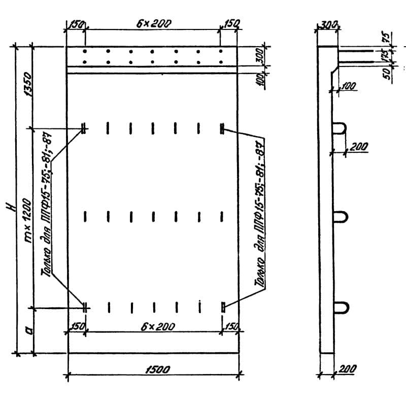
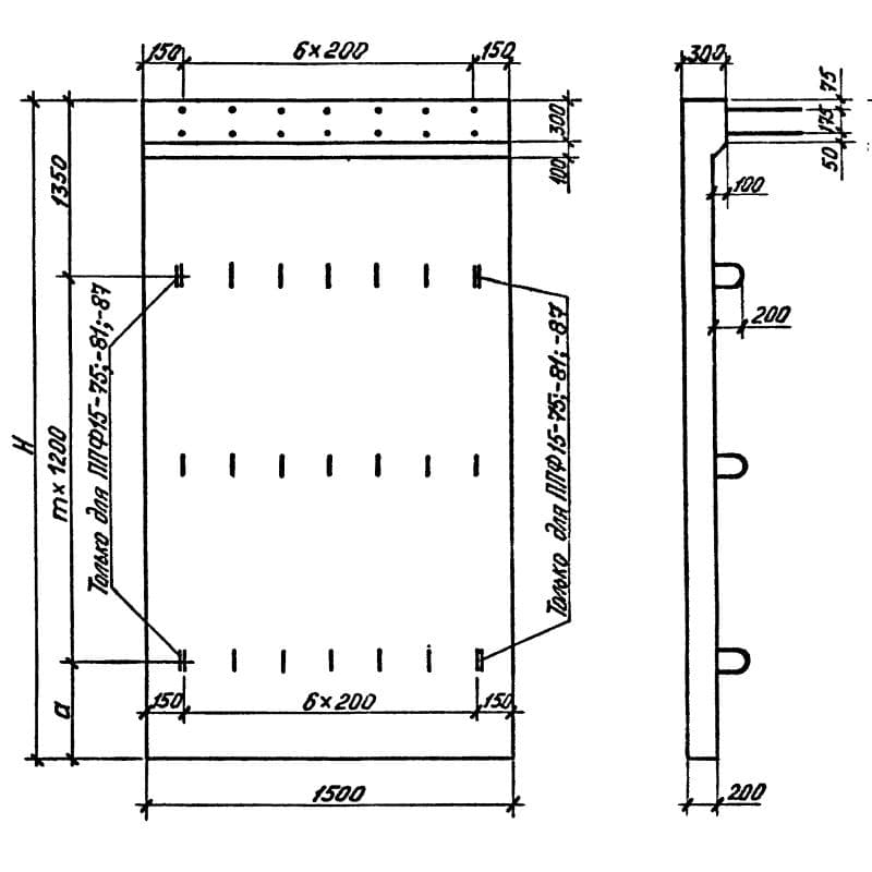
300x7500x1500ППФ 15-75
Цена по запросу

300x8100x1500ППФ 15-81
Цена по запросу

300x8700x1500ППФ 15-87
Цена по запросу

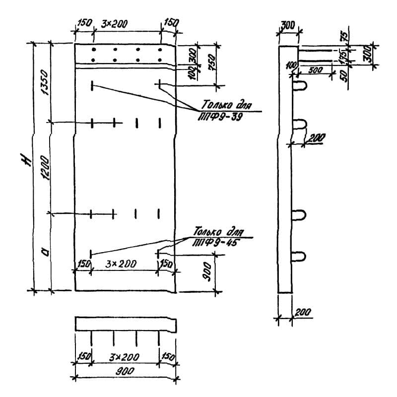
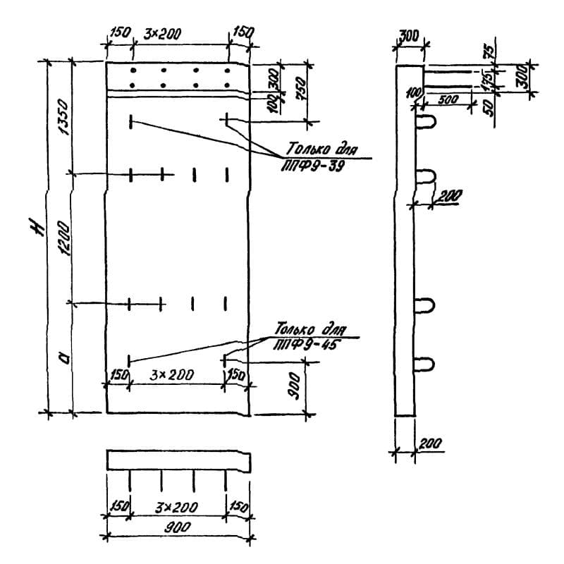
300x3900x900ППФ 9-39
Цена по запросу

300x4500x900ППФ 9-45
Цена по запросу

300x5100x900ППФ 9-51
Цена по запросу