Каталог по сериям
Выбрана серия: Серия 1.030.1-1/88
Серия 1.030.1-1/88

300x2085x27002ПС 27-21-3,0 л
Цена по запросу

300x2085x27002ПС 27-21-3,0 л-1
Цена по запросу

350x2085x27002ПС 27-21-3,5 л
Цена по запросу

350x2085x27002ПС 27-21-3,5 л-1
Цена по запросу

400x2065x27002ПС 27-21-4,0 л
Цена по запросу

400x2065x27002ПС 27-21-4,0 л-1
Цена по запросу

250x585x27002ПС 27-6-2,5 л
Цена по запросу

250x585x27002ПС 27-6-2,5 л-1
Цена по запросу

250x585x27002ПС 27-6-2,5 я
Цена по запросу

250x585x27002ПС 27-6-2,5 я-1
Цена по запросу

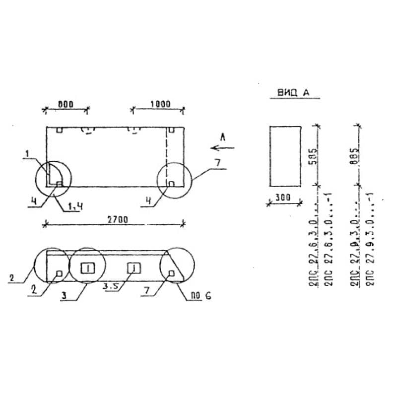
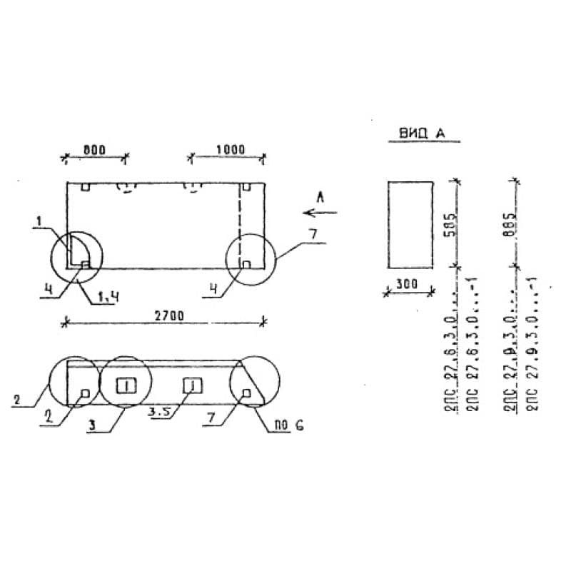
300x585x27002ПС 27-6-3,0 л
Цена по запросу

300x585x27002ПС 27-6-3,0 л-1
Цена по запросу