Каталог по сериям
Выбрана серия: Серия 1.011.1-10
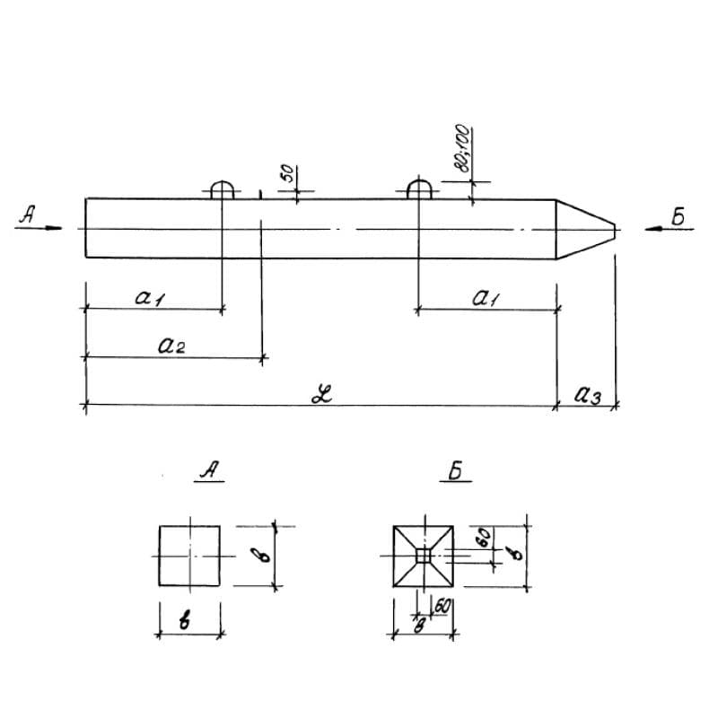
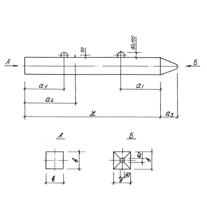
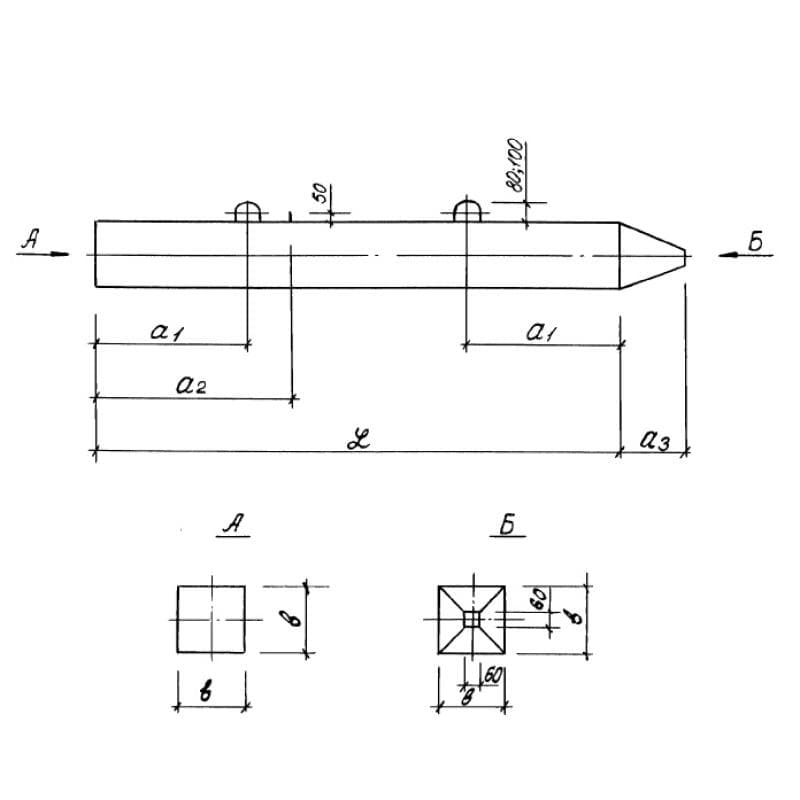
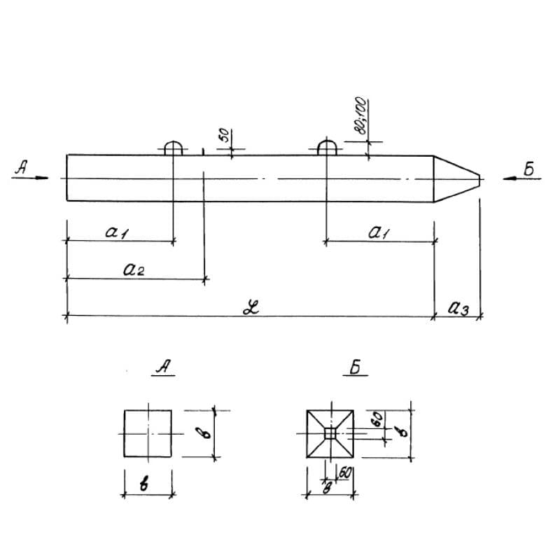
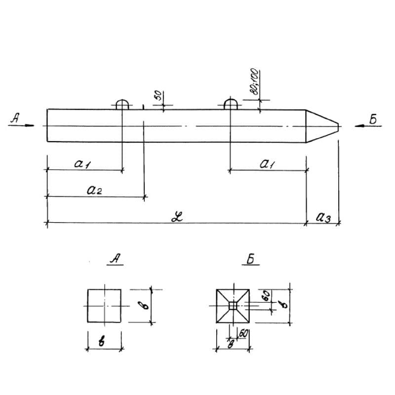
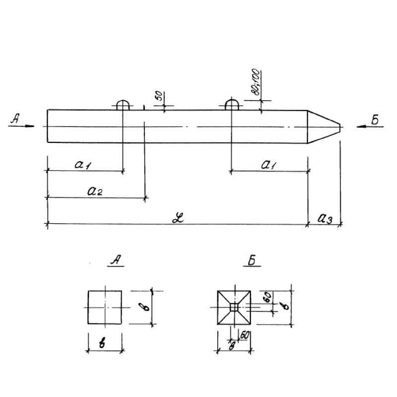
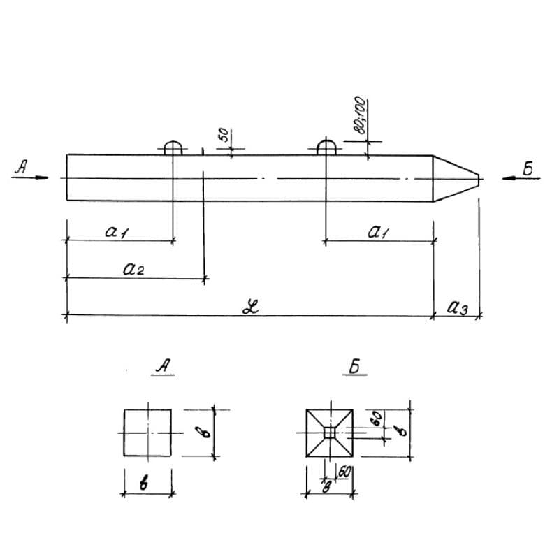
Серия 1.011.1-10

800x800x9000СК 90-80 АI
Цена по запросу

800x800x9000СК 90-80 н АI
Цена по запросу

300x300x10000СН 100-30 АIV
Цена по запросу

350x350x10000СН 100-35 АIV
Цена по запросу

400x400x10000СН 100-40 АIV
Цена по запросу

300x300x11000СН 110-30 АIV
Цена по запросу

350x350x11000СН 110-35 АIV
Цена по запросу

400x400x11000СН 110-40 АIV
Цена по запросу

300x300x12000СН 120-30 АV
Цена по запросу

350x350x12000СН 120-35 АV
Цена по запросу

400x400x12000СН 120-40 АV
Цена по запросу

300x300x13000СН 130-30 АV
Цена по запросу