Каталог по сериям
Выбрана серия: Серия 1.189.1-12с
Серия 1.189.1-12с

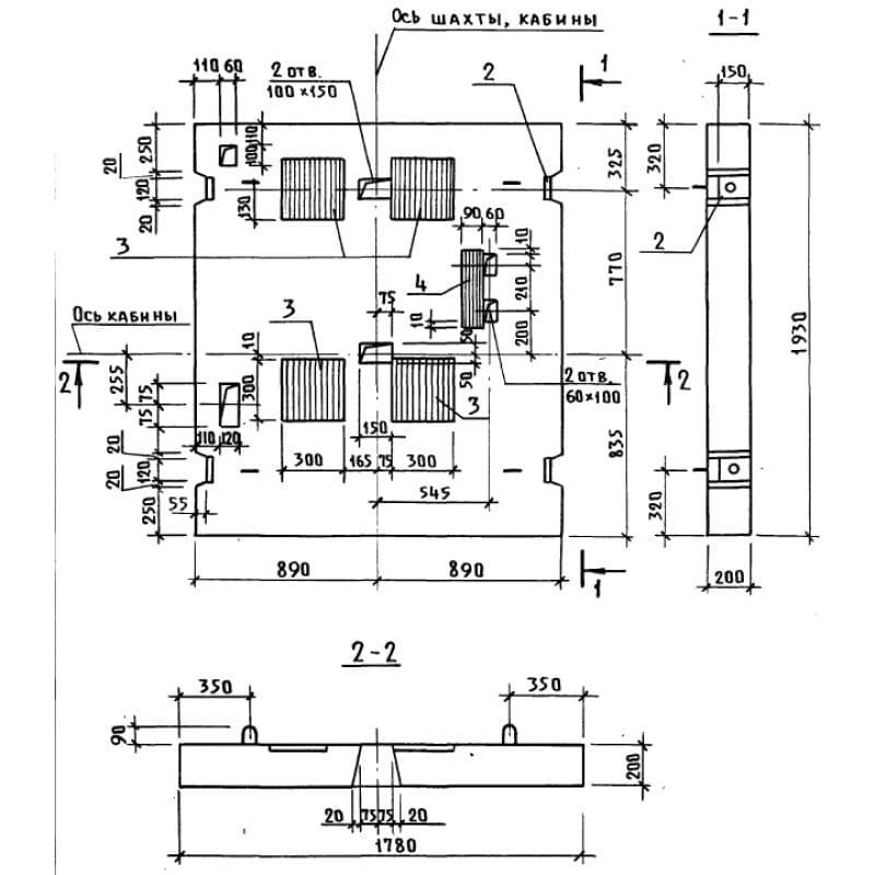
1780x2980x1930ШЛС 30-40 с (1.189.1-12с)
Цена по запросу

1780x2980x1930ШЛС 30-40,1 с (1.189.1-12с)
Цена по запросу

1780x200x1930ПЛ 18-19-40 с (1.189.1-12с)
Цена по запросу

1930x200x1780ПЛ 18-19-40,1 с (1.189.1-12с)
Цена по запросу

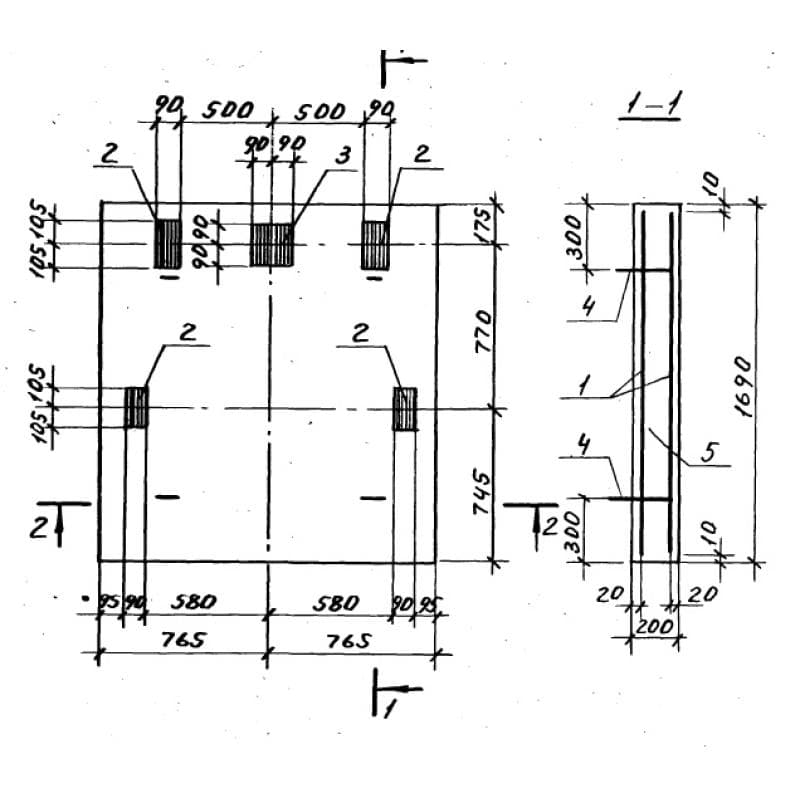
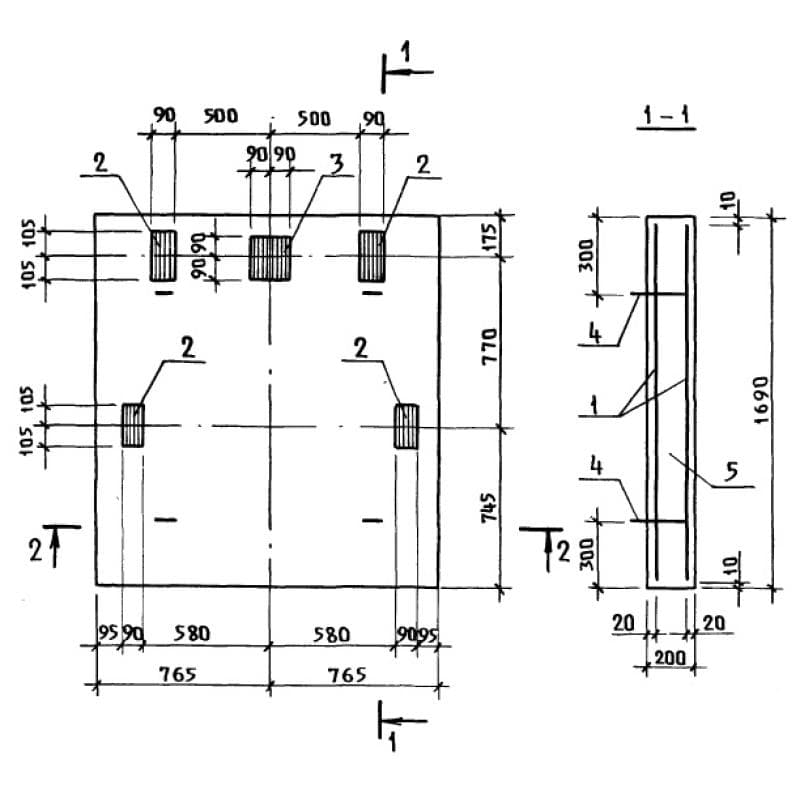
1690x200x1530ПП 15-17-40 с (1.189.1-12с)
Цена по запросу

1690x200x1530ПП 15-17-40,1 с (1.189.1-12с)
Цена по запросу

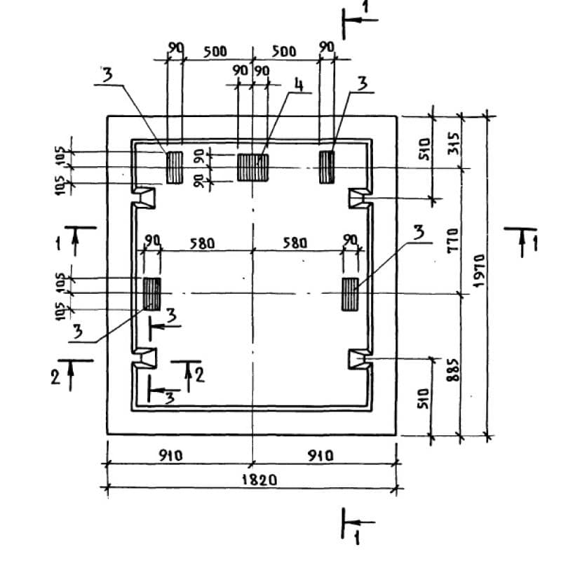
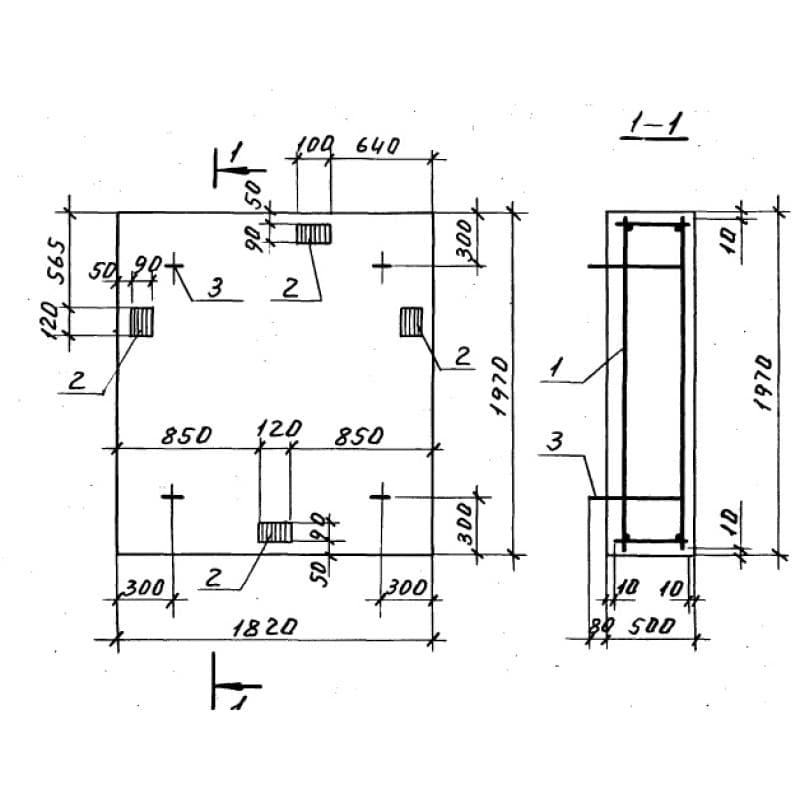
1970x500x1820ПФ 18-20-40 с (1.189.1-12с)
Цена по запросу

1970x500x1820ПФ 18-20-40,1 с (1.189.1-12с)
Цена по запросу

1970x500x1820ПФС 18-20-40 с (1.189.1-12с)
Цена по запросу

1970x500x1820ПФС 18-20-40,1 с (1.189.1-12с)
Цена по запросу

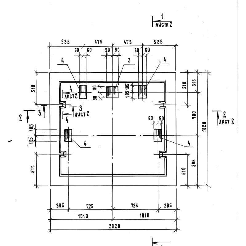
1780x730x1930ШЛВ 7-40 с (1.189.1-12с)
Цена по запросу

1780x730x1930ШЛВ 7-40,1 с (1.189.1-12с)
Цена по запросу