Каталог по сериям
Выбрана серия: Серия 1.423.1-5/88
Серия 1.423.1-5/88

400x700x130502К 120-6 м5 с
Цена по запросу

400x700x130502К 120-7 м4
Цена по запросу

400x700x130502К 120-7 м5
Цена по запросу

400x700x130502К 120-8 м4
Цена по запросу

400x700x130502К 120-8 м5
Цена по запросу

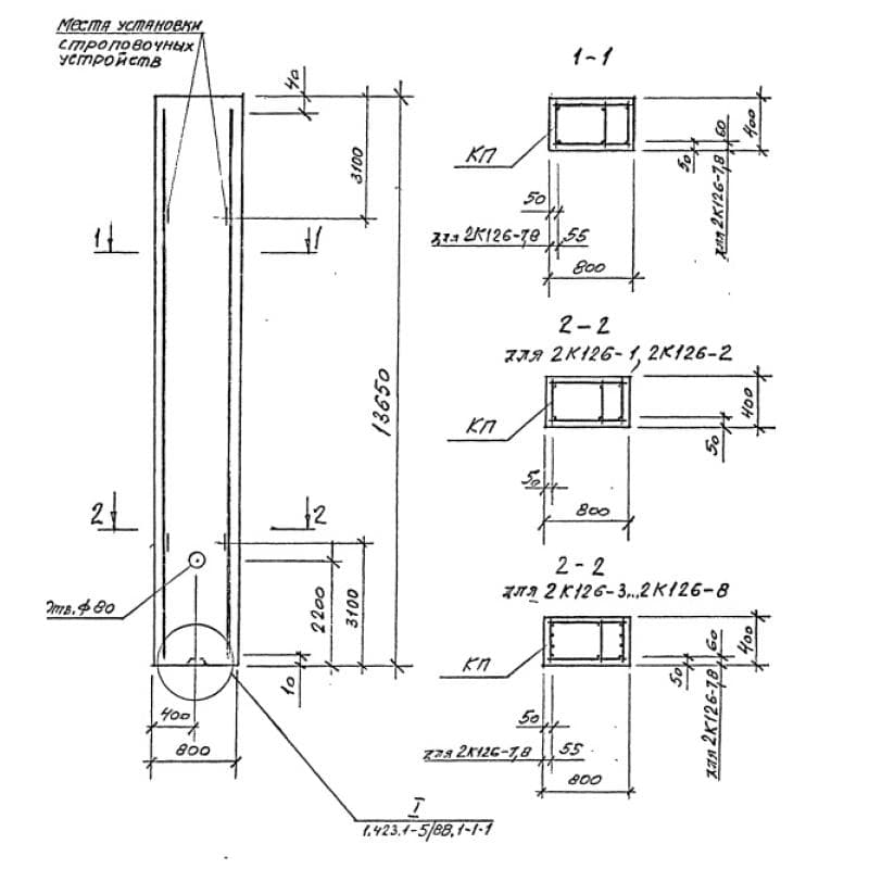
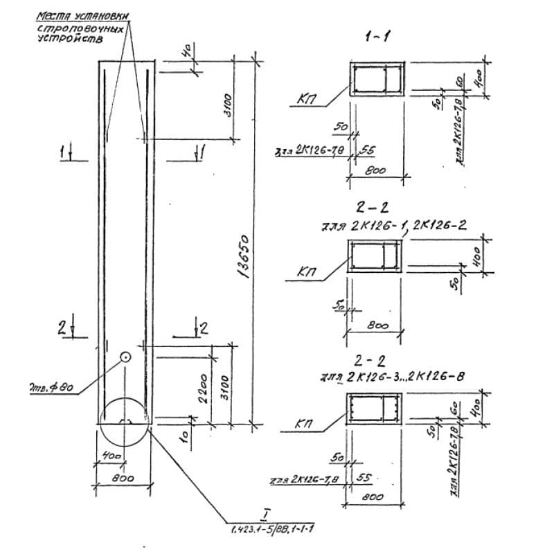
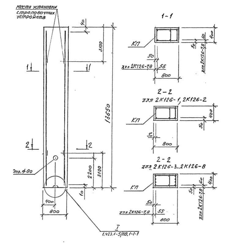
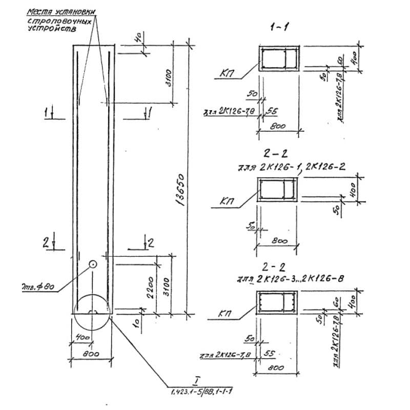
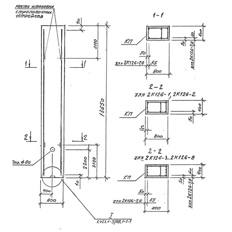
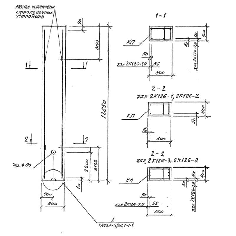
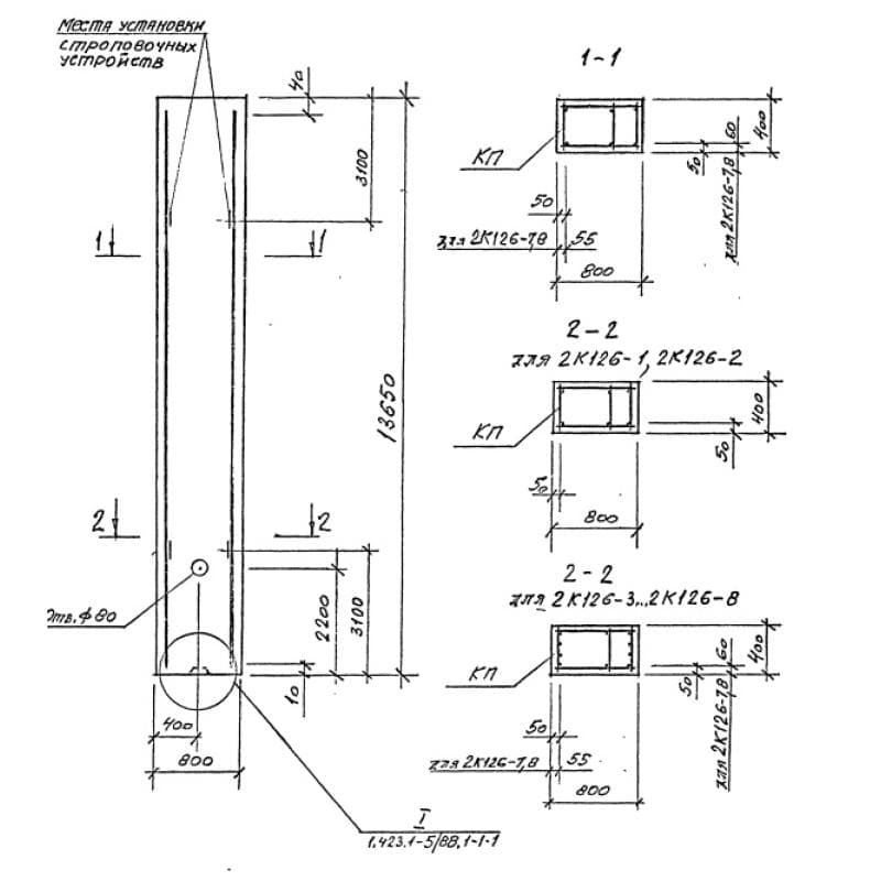
800x400x136502К 126-1 м3
Цена по запросу

800x400x136502К 126-2 м3
Цена по запросу

800x400x136502К 126-3 м3
Цена по запросу

800x400x136502К 126-4 м3
Цена по запросу

800x400x136502К 126-5 м4
Цена по запросу

800x400x136502К 126-6 м4
Цена по запросу

800x400x136502К 126-7 м4
Цена по запросу