Каталог по сериям
Выбрана серия: Серия 1.011.1-10
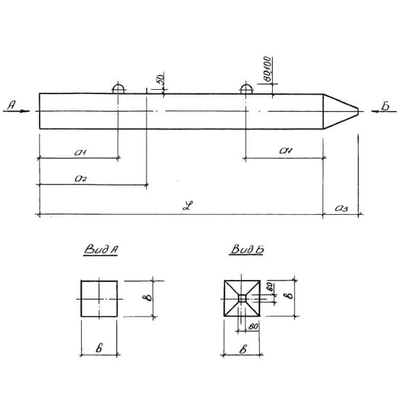
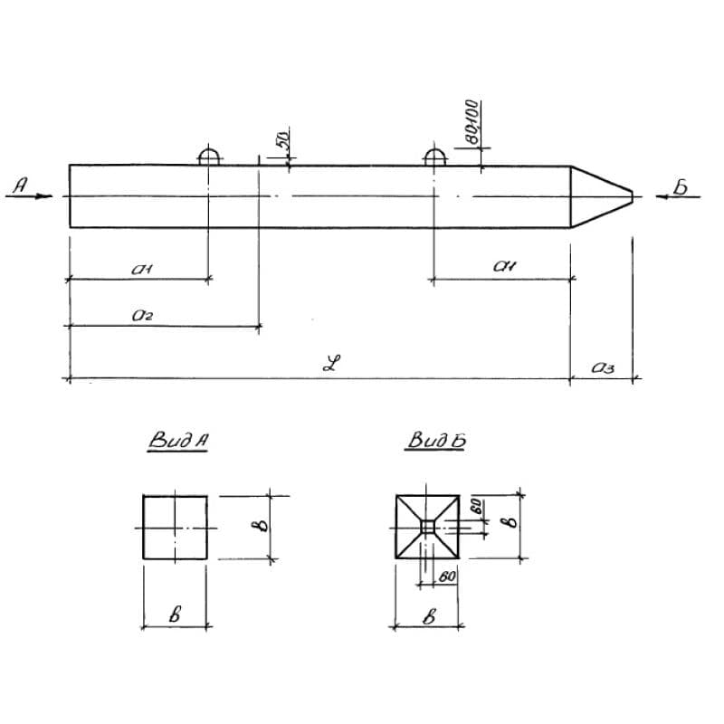
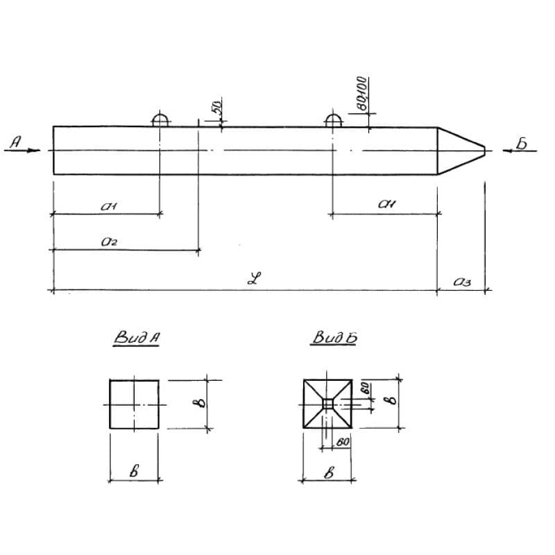
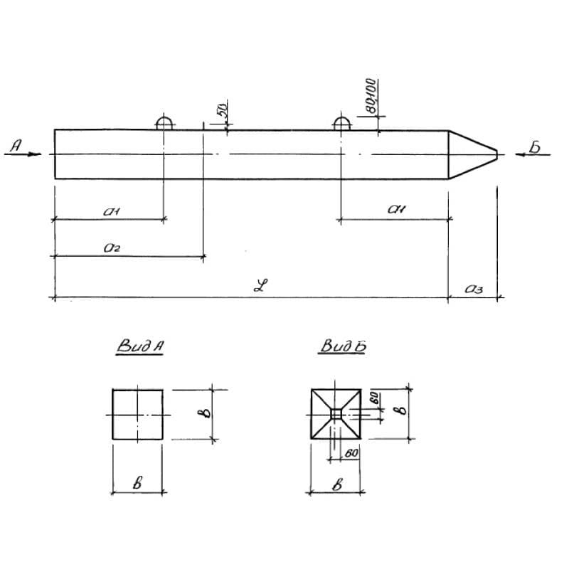
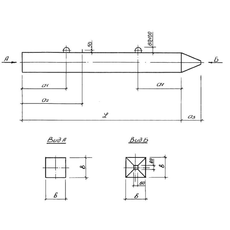
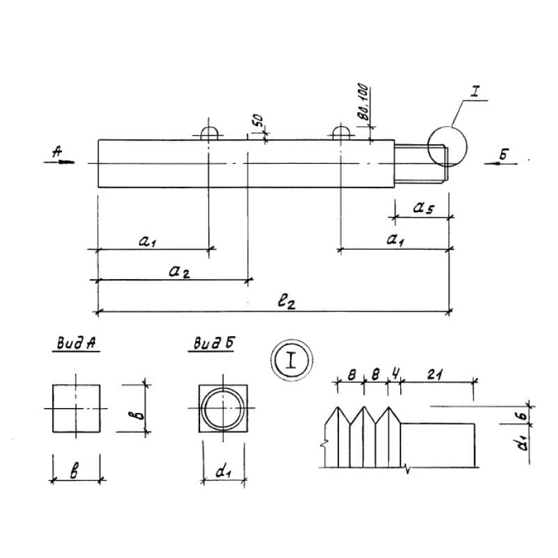
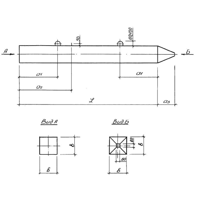
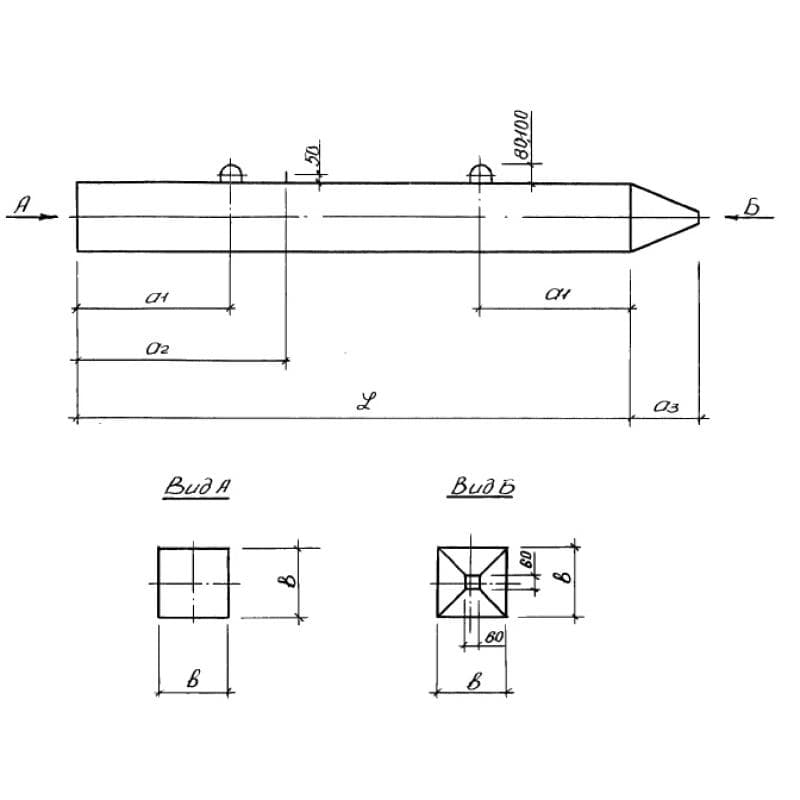
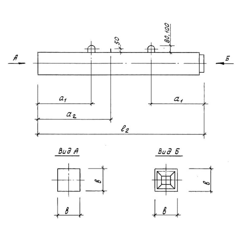
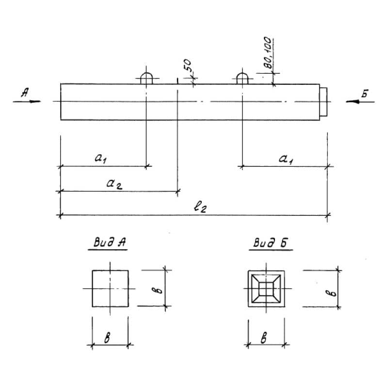
Серия 1.011.1-10

300x300x9000С 90-30-8
Цена по запросу

300x300x9000С 90-30-8 у
Цена по запросу

300x300x9000С 90-30-8,1
Цена по запросу

300x300x9000С 90-30-8,1 у
Цена по запросу

300x300x9000С 90-30-9
Цена по запросу

300x300x9000С 90-30-9 у
Цена по запросу

300x300x9000С 90-30-9,1
Цена по запросу

300x300x9000С 90-30-9,1 у
Цена по запросу

350x350x9000С 90-35 Вс2
Цена по запросу

350x350x9000С 90-35 Всв2
Цена по запросу

350x350x9000С 90-35 Всв6
Цена по запросу

350x350x9000С 90-35-10
Цена по запросу