Каталог по сериям
Выбрана серия: Серия
Серия

400x400x26905КН 20-27-1-3 спн (1.020.1-6сп)
Цена по запросу

5100x3000x4500Ф 14-3-4-30 (1.412.1-6)
Цена по запросу

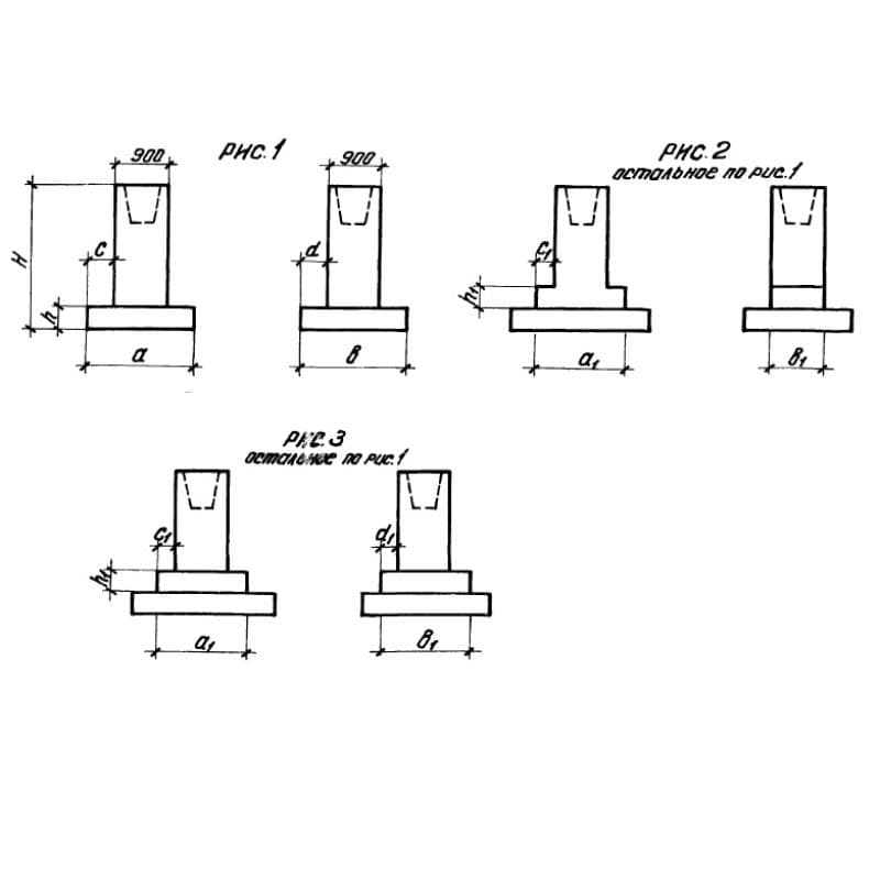
900x400x130506К 120-3
Цена по запросу

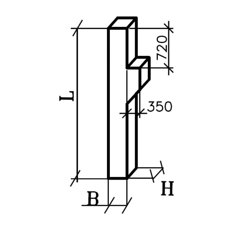
2100x350x9280ПП 1-928 (ТП 503-49)
Цена по запросу

4500x1500x3900ФТ 12-3-10-15 (1.412.1-6)
Цена по запросу

300x2900x3695НР 2-37-29-3-3
Цена по запросу

400x160x6050НБ 61-4-16 т (1.165.1-16)
Цена по запросу

900x400x144009К 132-2
Цена по запросу

300x2380x2980ПС 30-24-3,0 л
Цена по запросу

2980x180x5980МП 5-4 АIV
Цена по запросу

1480x300x59704ПВ 6-4 АIV-4 п
Цена по запросу

3000x4200x4200ФА 12/900-6 (1.412-3/79)
Цена по запросу