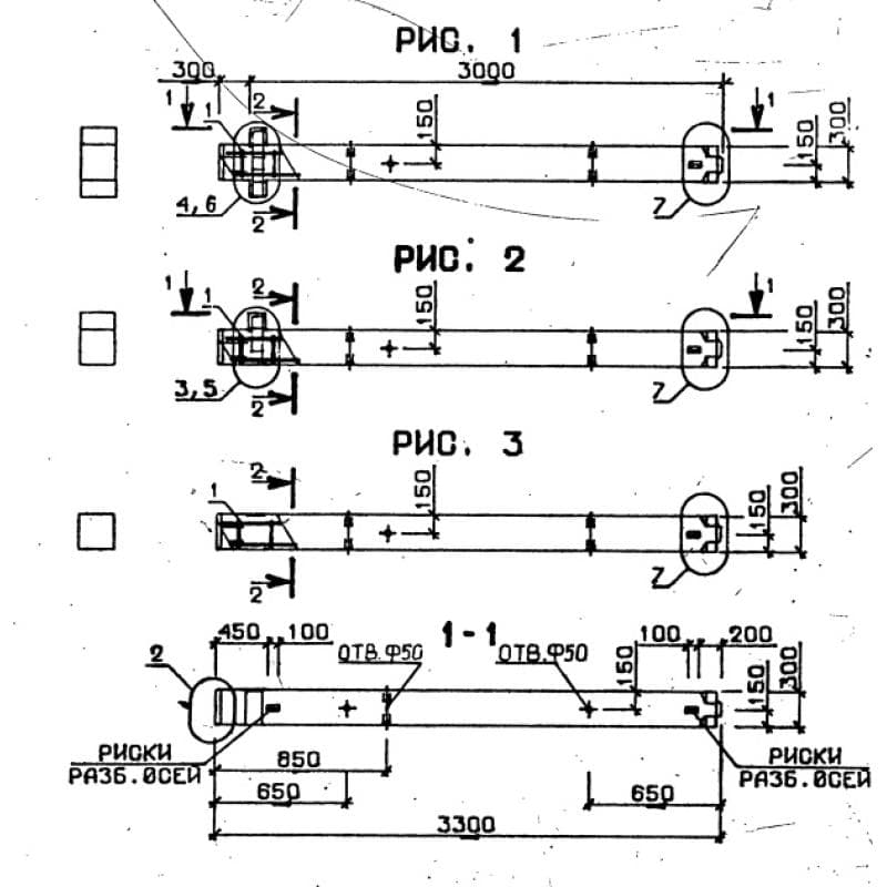
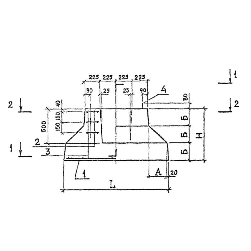
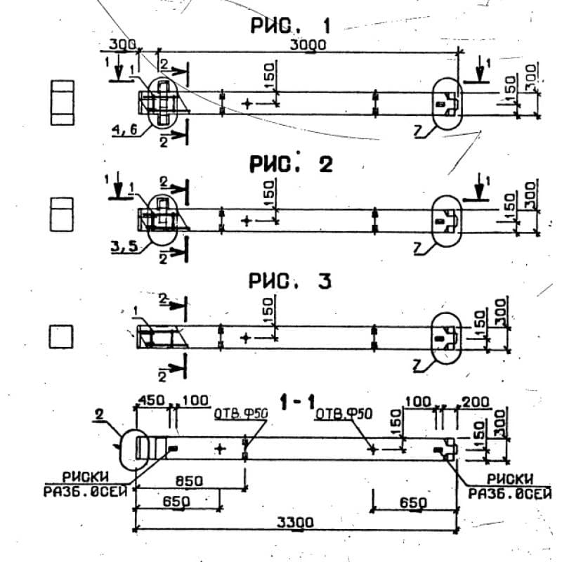
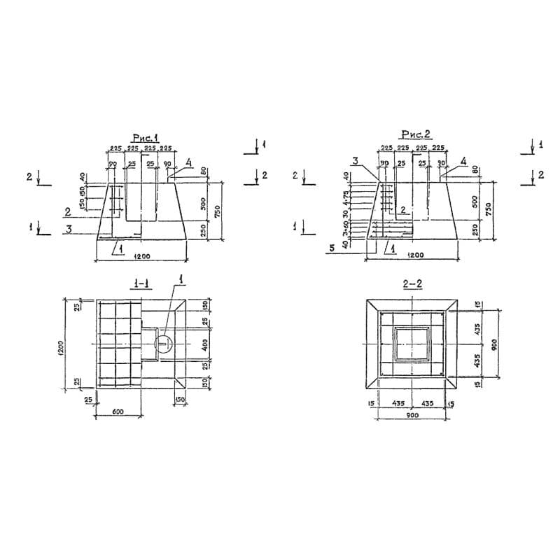
Каталог по сериям

Выбрана серия: Серия 1.020.1-7