Каталог по сериям
Выбрана серия: Серия 1.011.1-10
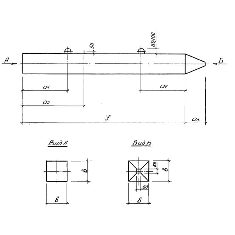
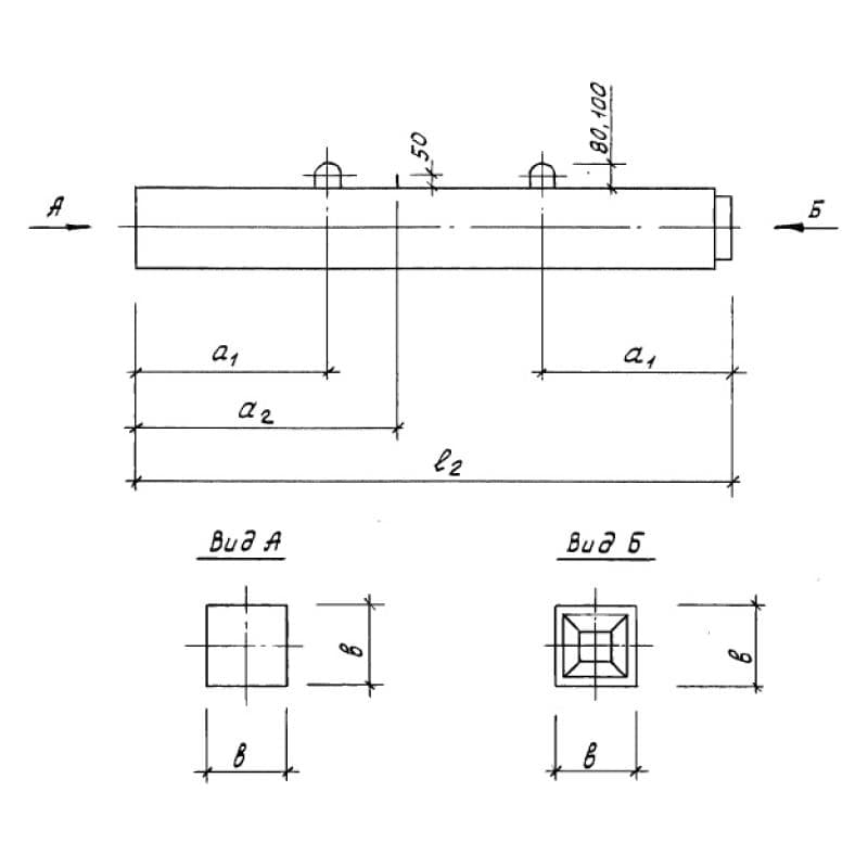
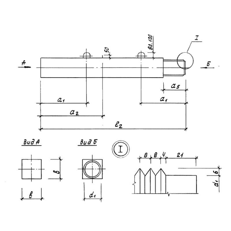
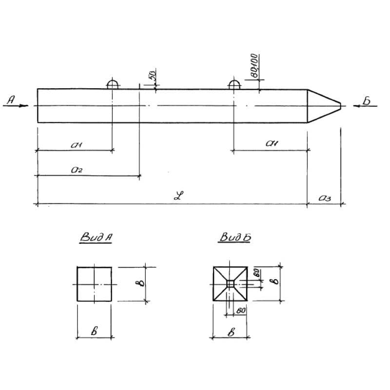
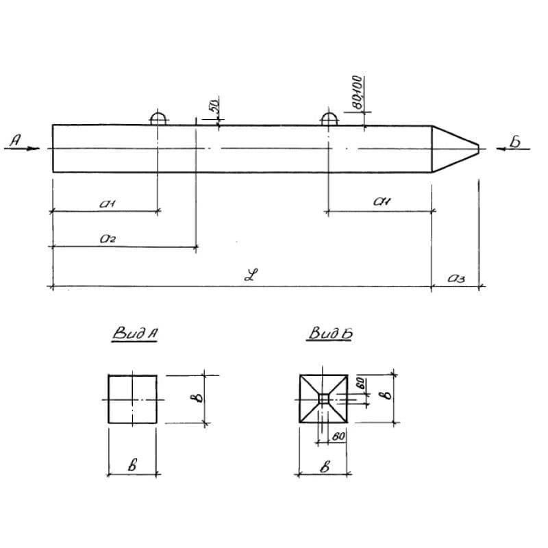
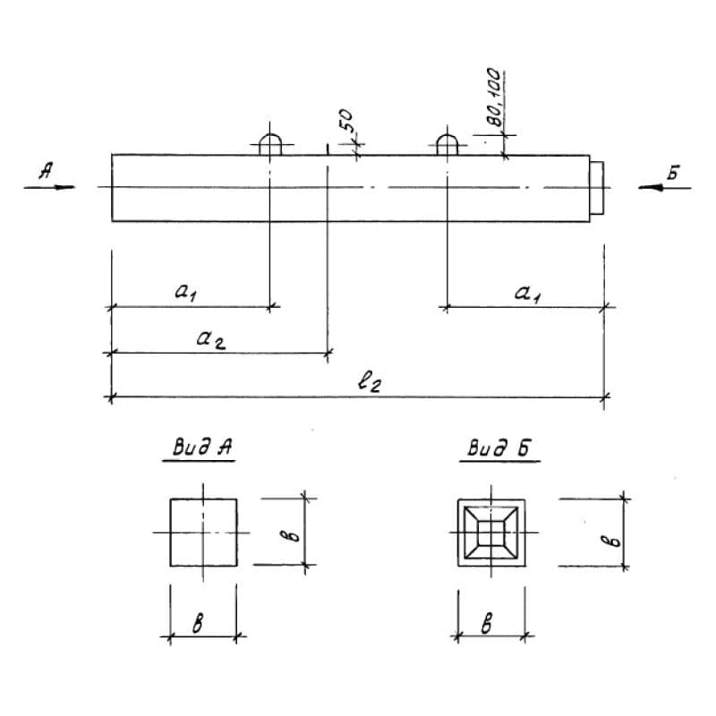
Серия 1.011.1-10

350x350x7000С 70-35-9
Цена по запросу

350x350x7000С 70-35-9 у
Цена по запросу

350x350x7000С 70-35-9,1
Цена по запросу

350x350x7000С 70-35-9,1 у
Цена по запросу

400x400x7000С 70-40 Вс2
Цена по запросу

400x400x7000С 70-40 Всв2
Цена по запросу

400x400x7000С 70-40 Всв6
Цена по запросу

400x400x7000С 70-40-10
Цена по запросу

400x400x7000С 70-40-10 у
Цена по запросу

400x400x7000С 70-40-10,1
Цена по запросу

400x400x7000С 70-40-10,1 у
Цена по запросу

400x400x7000С 70-40-11
Цена по запросу