Каталог по сериям
Выбрана серия: Серия 1.020-1/87
Серия 1.020-1/87

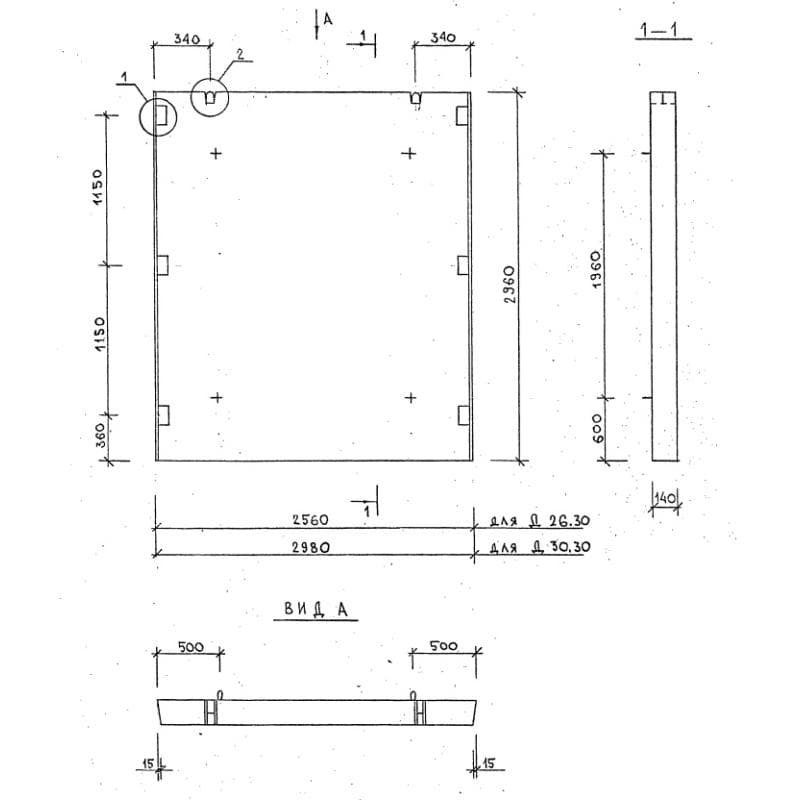
140x2960x2980Д 30-30
Цена по запросу

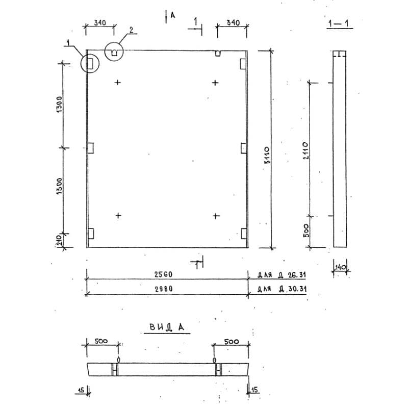
140x3110x2980Д 30-31
Цена по запросу

140x3560x2980Д 30-36
Цена по запросу

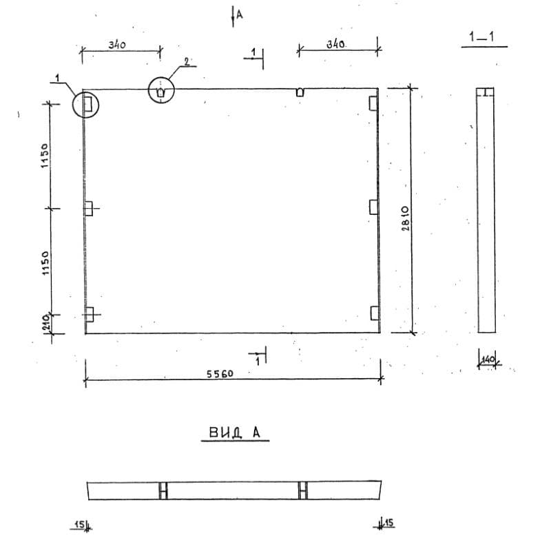
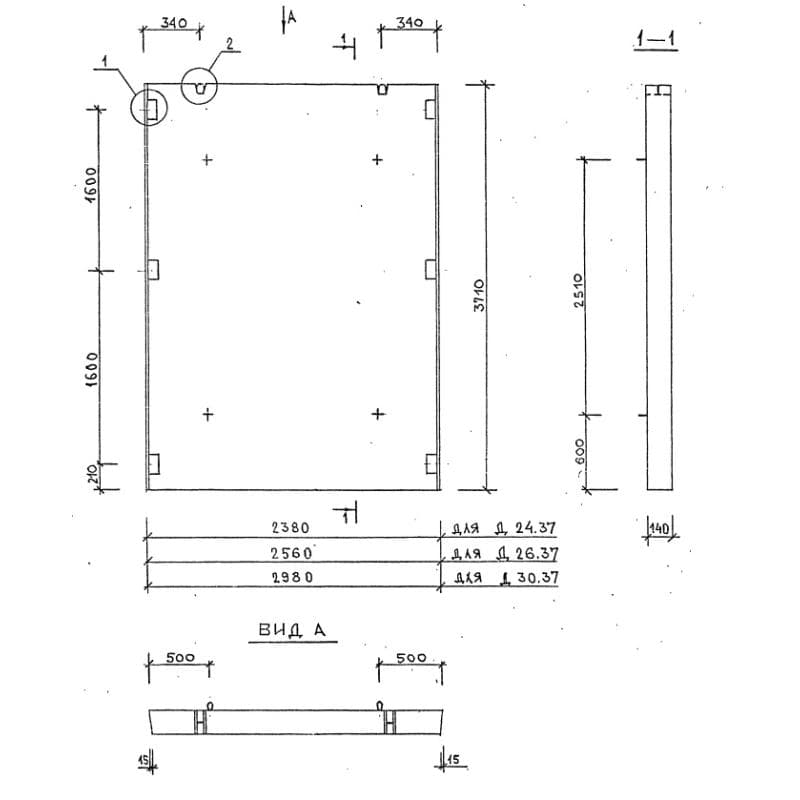
140x3710x2980Д 30-37
Цена по запросу

140x4160x2980Д 30-42
Цена по запросу

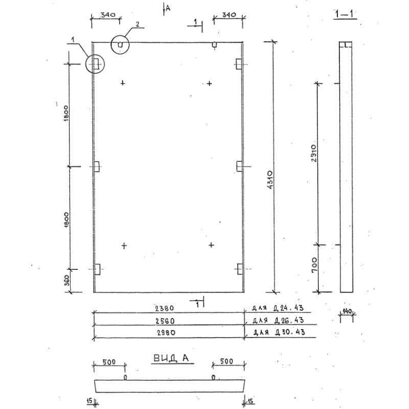
140x4310x2980Д 30-43
Цена по запросу

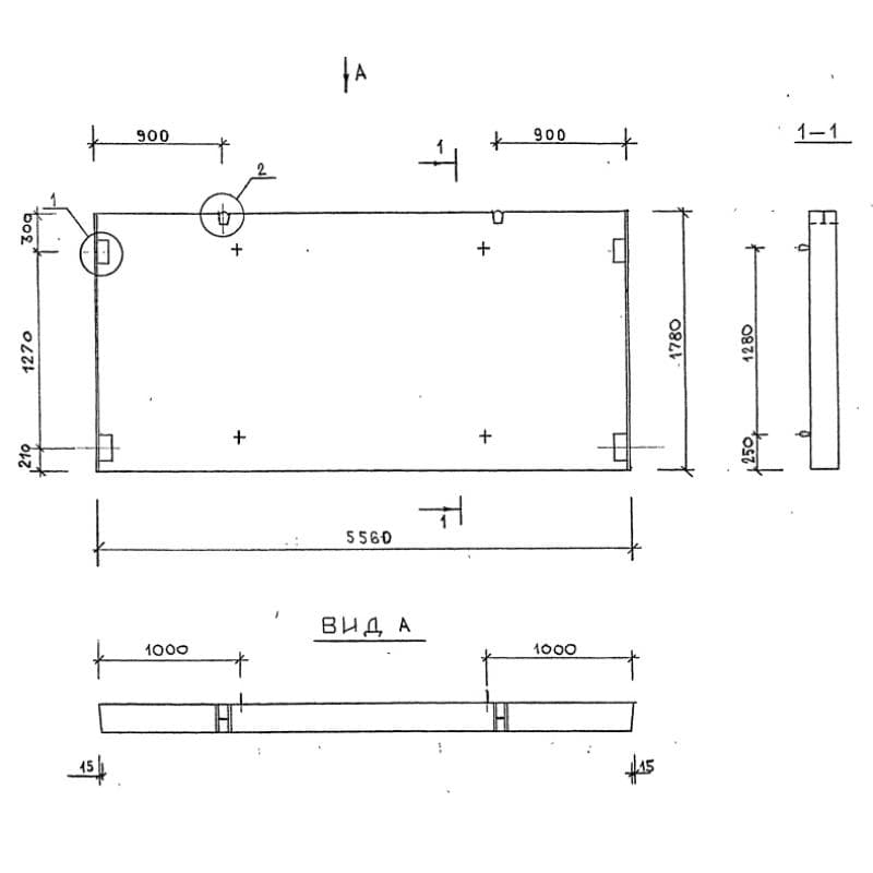
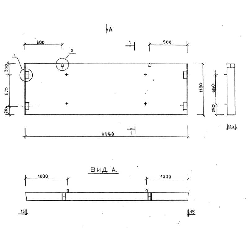
140x1180x5560Д 56-12
Цена по запросу

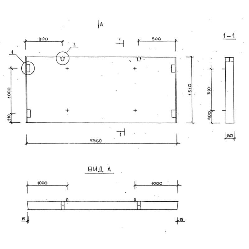
140x1510x5560Д 56-15
Цена по запросу

140x1780x5560Д 56-18
Цена по запросу

140x2810x5560Д 56-28
Цена по запросу

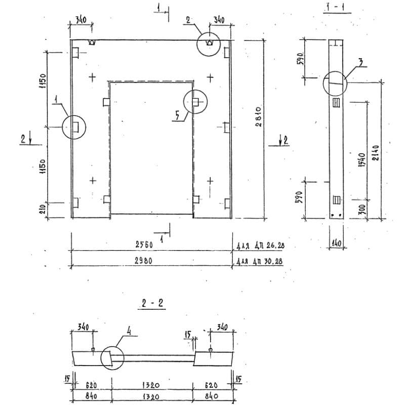
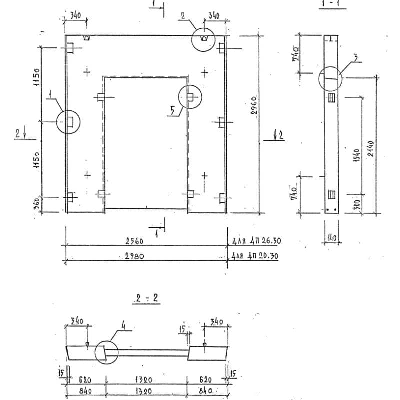
140x2810x2560ДП 26-28
Цена по запросу

140x2960x2560ДП 26-30
Цена по запросу