Каталог по сериям
Выбрана серия: Серия 1.420-12
Серия 1.420-12

495x800x8280Б 43-2
Цена по запросу

495x800x8480Б 44-1
Цена по запросу

300x500x4920Б 45-1
Цена по запросу

300x500x5220Б 46-1
Цена по запросу

300x500x5420Б 47-1
Цена по запросу

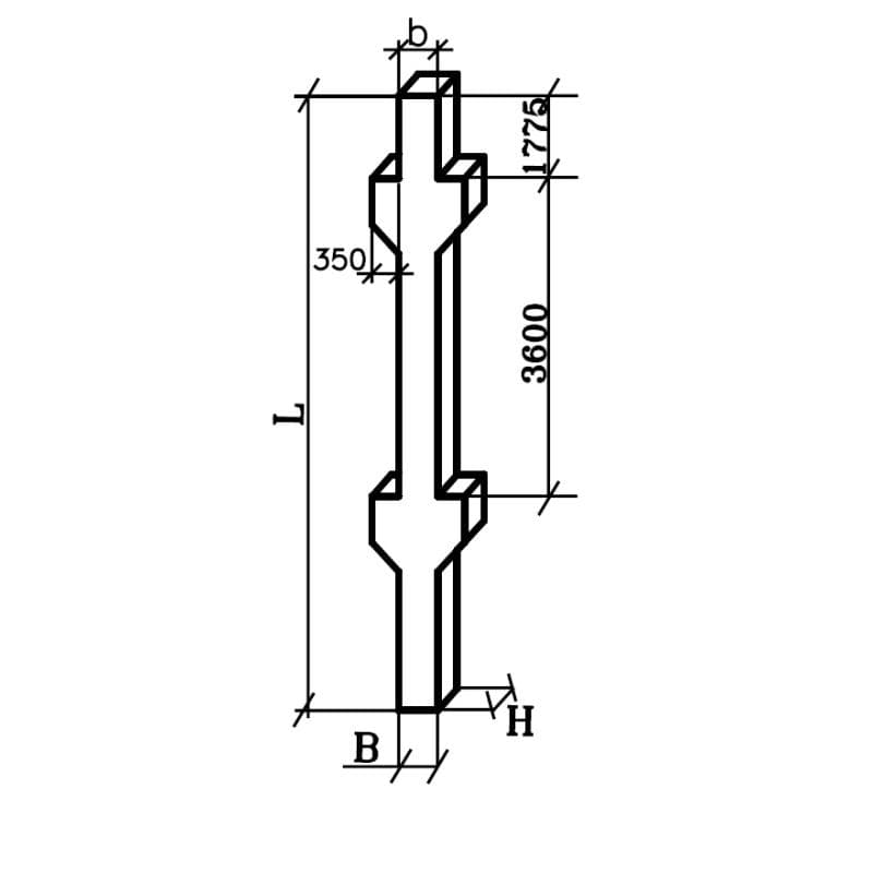
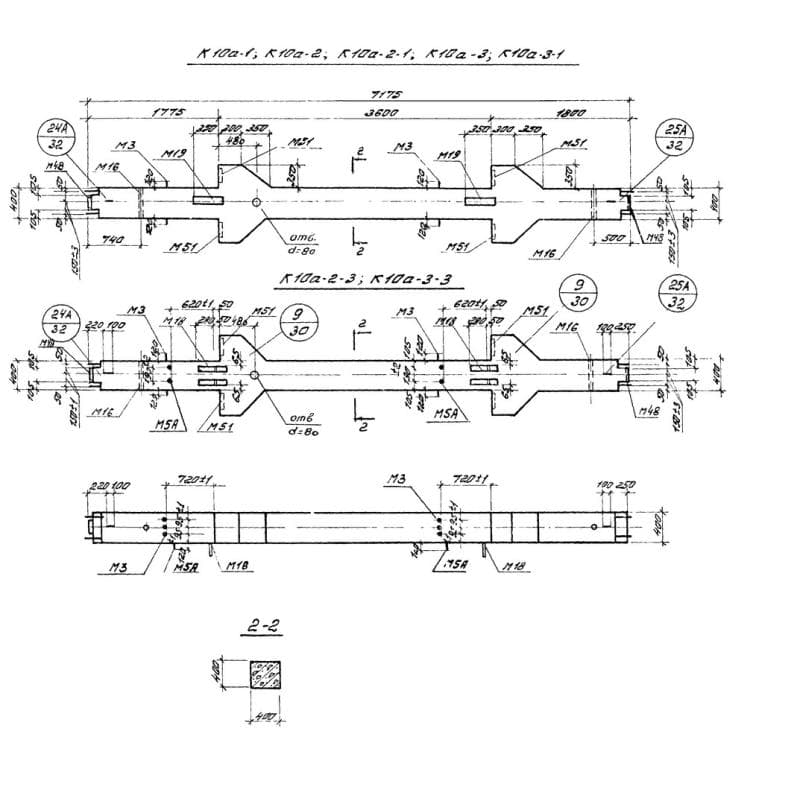
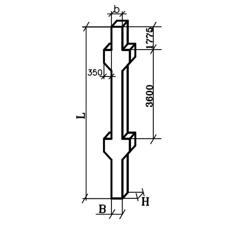
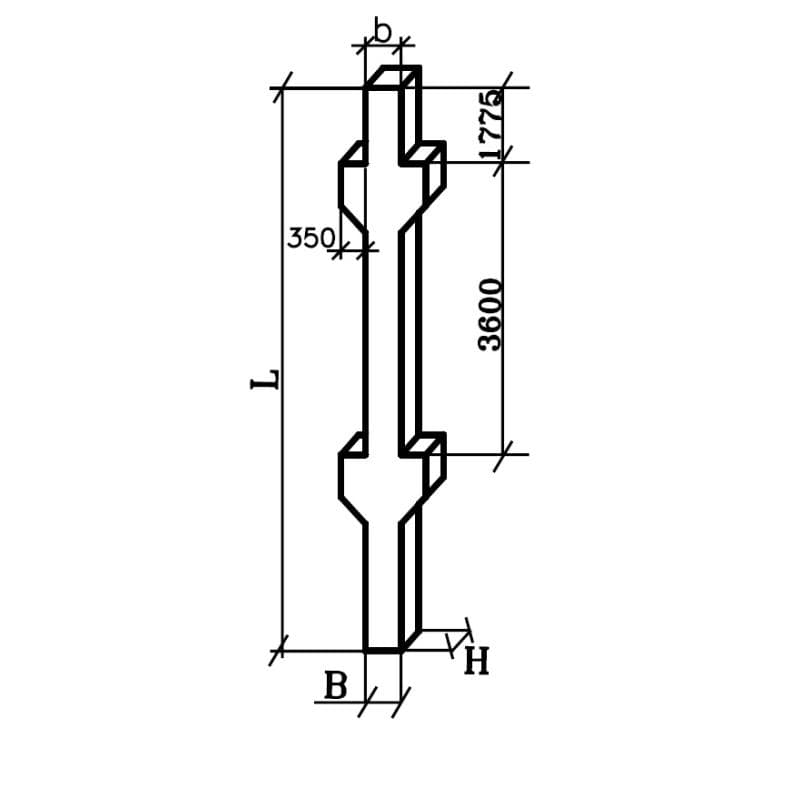
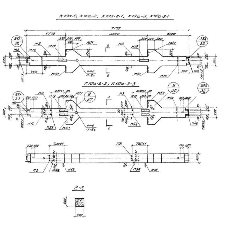
400x400x7175К 10а-1
Цена по запросу

400x400x7175К 10а-1-5
Цена по запросу

400x400x7175К 10а-2
Цена по запросу

400x400x7175К 10а-2-1
Цена по запросу

400x400x7175К 10а-2-3
Цена по запросу

400x400x7175К 10а-2-5
Цена по запросу