Каталог по сериям
Выбрана серия: Серия 1.132-1
Серия 1.132-1

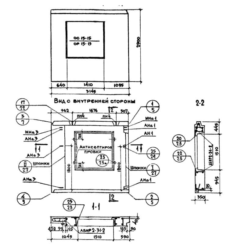
350x2900x3145НР 2-31-29-35-2 л
Цена по запросу

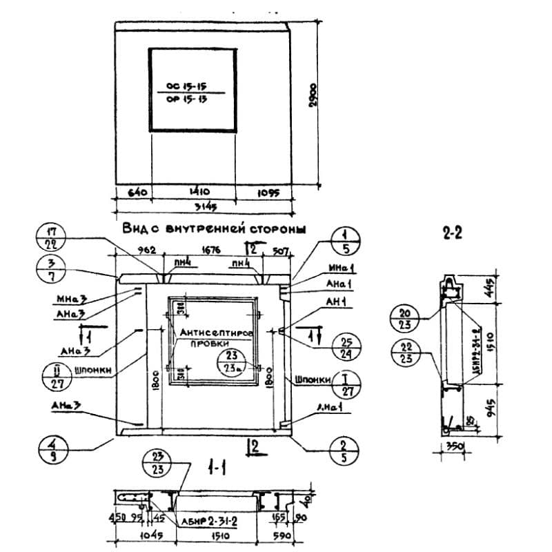
350x2900x3145НР 2-31-29-35-5
Цена по запросу

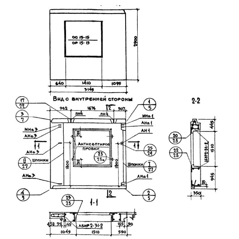
350x2900x3145НР 2-31-29-35-5 л
Цена по запросу

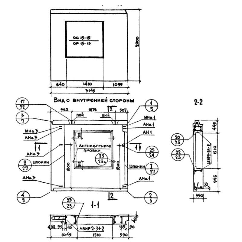
350x2900x3145НР 2-31-29-35-5 л-1
Цена по запросу

350x2900x3145НР 2-31-29-35-5-1
Цена по запросу

400x2900x3195НР 2-32-29-4-2
Цена по запросу

400x2900x3195НР 2-32-29-4-2 л
Цена по запросу

400x2900x3195НР 2-32-29-4-5
Цена по запросу

400x2900x3195НР 2-32-29-4-5 л
Цена по запросу

400x2900x3195НР 2-32-29-4-5 л-1
Цена по запросу

400x2900x3195НР 2-32-29-4-5-1
Цена по запросу

300x2650x3395НР 2-34-27-3-1 б
Цена по запросу