ЭЛЕМЕНТСТРОЙ
Каталог
О НАС
КОНТАКТЫ
ОСТАВИТЬ ЗАЯВКУ
Назад
Каталог по сериям
Выбрана серия: Серия 1.165.1-12
Выбрать серию
Альбом
Арх
ВСН
ВСП
ГОСТ
ИНВ
Нормали
ОСТ
Объект
Проект
Рабочие чертежи
Серия
ТМП
ТП
ТПР
ТР
ТУ
Шифр
Серия 0-221-84
Серия 1.011-1
Серия 0.55.18.236
Серия 1-335 ТУЛМ
Серия 03.005-6
Серия 1.011-6
Серия 1.011 КЖИ.10000
Серия 1.011.1-10
Серия 1-82
Серия 1.011.1-11м.97
Серия 1.011-2
Серия 1.011.1-8м
Серия 1.011.1-7
Серия 1.012.1-1.92
Серия 1.012.1-3.97
Серия 1.015.1-1.95
Серия 1.020-1/83
Серия 1.020-1/87
Серия 1.020.1-2с/89
Серия 1.020.1-3пв
Серия 1.020.1-4
Серия 1.020.1-6сп
Серия 1.020.1-7
Серия 1.022 КЛ-2
Серия 1.030.1-1/88
Серия 1.030.1-1
Серия 1.030.9-2
Серия 1.034.1-1
Серия 1.034.1-1/90
Серия 1.038.1-1
Серия 1.041-1
Серия 1.041.1-3
Серия 1.041.1-2
Серия 1.041.1-5
Серия 1.042.1-2
Серия 1.042.1-4
Серия 1.042.1-5.94
Серия 1.050.1-2
Серия 1.050.1-3
Серия 1.050.9-4.93
Серия 1.055.1 КР-1
Серия 1.055.1-1
Серия 1.063.1-1
Серия 1.063.1-4
Серия 1.065.1-2.94
Серия 1.069.1-1
Серия 1.089.1-1
Серия 1.089.1-2
Серия 1.090.1-1
Серия 1.090.1-1/88
Серия 1.090.1-2с
Серия 1.090.1-3пв
Серия 1.090.1-6сп
Серия 1.090.1-7с
Серия 1.100.1-7
Серия 1.090.1-9м
Серия 1.110 КР-1
Серия 1.110.1-1п
Серия 1.111 КЛ-2
Серия 1.111.1 КЛ-5
Серия 1.111.1-4
Серия 1.111.1-5
Серия 1.111.1-6
Серия 1.112 КР-1
Серия 1.112-1
Серия 1.113 КР-1
Серия 1.115.1-1
Серия 1.112-5
Серия 1.116-1
Серия 1.116-5
Серия 1.116.1-6
Серия 1.116.1-7
Серия 1.116.1-8
Серия 1.117-12с
Серия 1.117-13
Серия 1.117-9
Серия 1.117.1-14
Серия 1.117.1-15пв
Серия 1.117.1-18
Серия 1.117.1-19
Серия 1.117.1-20
Серия 1.117.1-21
Серия 1.123 КР-1
Серия 1.125 КЛ-3
Серия 1.125 КР-1
Серия 1.126 КР-1
Серия 1.126.1 КЛ-1
Серия 1.131-1
Серия 1.131-1/82
Серия 1.131-10
Серия 1.131-17
Серия 1.131-2/82
Серия 1.131.1-23
Серия 1.131.1-25
Серия 1.131.1-26
Серия 1.131.1-27
Серия 1.132-1
Серия 1.132-2
Серия 1.132-3/82
Серия 1.132.1-12с
Серия 1.132.1-14
Серия 1.132.1-15
Серия 1.132.1-16
Серия 1.132.1-21.98
Серия 1.133-1
Серия 1.133-2
Серия 1.133.1-5
Серия 1.133.1-7
Серия 1.134-1
Серия 1.134-2
Серия 1.134-3
Серия 1.134.1-10
Серия 1.134.1-11
Серия 1.134.1-12
Серия 1.134.1-13
Серия 1.134.1-15
Серия 1.134.1-16
Серия 1.136-1
Серия 1.136.1-13
Серия 1.137-1
Серия 1.137-3
Серия 1.137.1 КЛ-1
Серия 1.137.1 КЛ-3
Серия 1.137.1-6
Серия 1.137.1-8
Серия 1.137.1-9
Серия 1.138-10
Серия 1.138-2
Серия 1.138-3
Серия 1.138.1-12
Серия 1.138.1-15
Серия 1.138.1-16пв
Серия 1.138.1-17
Серия 1.138.1-18
Серия 1.138.1-20
Серия 1.139-1
Серия 1.141 КР-1
Серия 1.141-1
Серия 1.141-10
Серия 1.141-18с
Серия 1.141-8
Серия 1.141.1 КЛ-3
Серия 1.141.1 КР-3
Серия 1.141.1-19с/85
Серия 1.141.1-23с
Серия 1.141.1-28с
Серия 1.141.1-29с
Серия 1.141.1-30
Серия 1.141.1-31с
Серия 1.141.1-32с
Серия 1.141.1-38
Серия 1.141.1-39
Серия 1.141.1-40с
Серия 1.143-4
Серия 1.143-5пв
Серия 1.143.1-9с
Серия 1.143.1-7
Серия 1.149 КР-1
Серия 1.150 КР-1
Серия 1.151-1
Серия 1.151-4
Серия 1.151.1-6
Серия 1.151.1-7
Серия 1.151.1-8с
Серия 1.152-3
Серия 1.152-7
Серия 1.152.1-8
Серия 1.152.1-9с
Серия 1.155-1
Серия 1.165-1
Серия 1.165-6
Серия 1.165.1-10
Серия 1.165-9
Серия 1.165.1-12
Серия 1.165.1-13с
Серия 1.165.1-14с
Серия 1.165.1-15
Серия 1.165.1-16
Серия 1.165.1-17
Серия 1.165.1-18
Серия 1.169.1-1
Серия 1.174.1-1
Серия 1.188-5
Серия 1.189-6
Серия 1.189.1-10
Серия 1.189.1-11
Серия 1.189.1-12с
Серия 1.189.1-8
Серия 1.189.1-9
Серия 1.219-2
Серия 1.220-1
Серия 1.220.1-2
Серия 1.220.1-3м
Серия 1.225-1
Серия 1.225-2
Серия 1.225.1 КЛ-3
Серия 1.225.1-3
Серия 1.232 КЛ-2
Серия 1.232.1-10
Серия 1.232.1-7
Серия 1.232.1-8
Серия 1.234.8-1
Серия 1.238-1
Серия 1.238.1-2
Серия 1.241-1
Серия 1.241.1 КЛ-3
Серия 1.241.1-8с
Серия 1.242-1
Серия 1.242-2
Серия 1.242.1-3
Серия 1.243-2
Серия 1.243-3
Серия 1.243.1 КЛ-3
Серия 1.243.1-4
Серия 1.243.1-5
Серия 1.250-1
Серия 1.251-2с
Серия 1.251-3
Серия 1.251.1 КР-1
Серия 1.251.1-4
Серия 1.252 КЛ-2
Серия 1.252.1-4
Серия 1.255.1-1
Серия 1.258 КЛ-2
Серия 1.266.1-2
Серия 1.266.1-3
Серия 1.269-1
Серия 1.269-2
Серия 1.269.1-4
Серия 1.289.1-1
Серия 1.289.1-2
Серия 1.400.1-22
Серия 1.411.1-10.93
Серия 1.411.1-3
Серия 1.411.1-4
Серия 1.411.1-6
Серия 1.411.1-7
Серия 1.412-3/79
Серия 1.412.1-4
Серия 1.412.1-6
Серия 1.415-1
Серия 1.415.1-2
Серия 1.420-12
Серия 1.420-35.95
Серия 1.420-4
Серия 1.420-6
Серия 1.420-8/81
Серия 1.420.1-14
Серия 1.420.1-19
Серия 1.420.1-20с
Серия 1.420.1-24с
Серия 1.420.1-25
Серия 1.420.1-32
Серия 1.421.1-1.93
Серия 1.423-2
Серия 1.423-2с
Серия 1.423-3
Серия 1.423-5
Серия 1.423.1-3/88
Серия 1.423.1-5/88
Серия 1.424.1-10
Серия 1.424.1-12
Серия 1.424.1-13
Серия 1.424.1-5
Серия 1.424.1-6
Серия 1.424.1-6/89
Серия 1.424.1-9
Серия 1.425.1-1
Серия 1.426.1-4
Серия 1.426.1-8
Серия 1.427.1-3
Серия 1.427.1-5
Серия 1.427.1-6
Серия 1.427.1-7
Серия 1.431-14
Серия 1.431-2
Серия 1.427.1-8
Серия 1.431-3
Серия 1.432-10
Серия 1.432-12
Серия 1.432-14
Серия 1.432-14/80
Серия 1.432-15
Серия 1.432-3
Серия 1.432-4
Серия 1.432-5
Серия 1.432-9
Серия 1.432-9/81
Серия 1.432.1-18
Серия 1.432.1-20
Серия 1.432.1-22
Серия 1.432.1-23с
Серия 1.432.1-25
Серия 1.432.1-26
Серия 1.432.1-33.93
Серия 1.432.1-34.94
Серия 1.433-2
Серия 1.435-3
Серия 1.438-1
Серия 1.440-1
Серия 1.440-2
Серия 1.440-3м/92
Серия 1.442.1-1
Серия 1.442.1-1.87
Серия 1.442.1-2
Серия 1.442.1-3
Серия 1.442.1-5.94
Серия 1.450-1
Серия 1.450-2
Серия 1.462-1
Серия 1.462-10
Серия 1.462-14
Серия 1.462-3
Серия 1.462.1-1/81
Серия 1.462.1-1/88
Серия 1.462.1-10/80
Серия 1.462.1-10/89
Серия 1.462.1-10/93
Серия 1.462.1-16
Серия 1.462.1-16/88
Серия 1.462.1-18
Серия 1.462.1-23
Серия 1.462.1-24
Серия 1.462.1-3/80
Серия 1.462.1-3/89
Серия 1.463-10
Серия 1.463-3
Серия 1.463-4
Серия 1.463-9
Серия 1.463.1-1/87
Серия 1.463.1-15
Серия 1.463.1-16
Серия 1.463.1-17
Серия 1.463.1-19
Серия 1.463.1-3/87
Серия 1.463.1-4/87
Серия 1.465-3
Серия 1.465-7
Серия 1.465.1-10/82
Серия 1.465.1-14
Серия 1.465.1-16
Серия 1.465.1-19
Серия 1.465.1-20
Серия 1.465.1-7/84
Серия 1.466-3с
Серия 1.489-1
Серия 1.490.1-1
Серия 1.494-24
Серия 1.800-6
Серия 1.810-1
Серия 1.811.1-1
Серия 1.811.1-3
Серия 1.811.1-5
Серия 1.811.1-6с
Серия 1.812.1-1
Серия 1.812.1-1/92
Серия 1.812.1-2
Серия 1.812.1-3
Серия 1.812.1-5с
Серия 1.812.1-6с
Серия 1.812.1-8.93
Серия 1.815.1-1
Серия 1.817.1-2
Серия 1.820.9-1
Серия 1.821.1-7
Серия 1.822.1-2/82
Серия 1.822.1-5
Серия 1.822.1-6
Серия 1.823.1-2
Серия 1.823.1-3с
Серия 1.831.9-3
Серия 1.832-2
Серия 1.832-5
Серия 1.832.1-10
Серия 1.832.1-18.93
Серия 1.832.1-9
Серия 1.849.1-2
Серия 1.849.1-5.93
Серия 1.862-1
Серия 1.862-2
Серия 1.862.1-2/88
Серия 1.862.1-7
Серия 1.862.1-8.94
Серия 1.865-1
Серия 1.865.1-4/80
Серия 1.865.1-4/84
Серия 1.865.1-4/89
Серия 1.869.1-1
Серия 1262-205 КЖИ I
Серия 2.419-1
Серия 2.800-2
Серия 3.001.1-3
Серия 3.002.1-1
Серия 3.002.1-2
Серия 3.002.1-3
Серия 3.003.1-1/87
Серия 3.004.1-10
Серия 3.004.1-14
Серия 3.004.1-9
Серия 3.006 КР-1
Серия 3.006-1
Серия 3.006-2
Серия 3.006.1-2/82
Серия 3.006.1-2/87
Серия 3.006.1-3/83
Серия 3.006.1-7
Серия 3.006.1-8
Серия 3.008.1-8/89
Серия 3.008.1-9.97
Серия 3.012-3
Серия 3.012.1-4
Серия 3.013.9-1
Серия 3.014.1-2
Серия 3.015-1
Серия 3.015-1/77
Серия 3.015-1/82
Серия 3.015-1/92
Серия 3.015-16.94
Серия 3.015-2
Серия 3.015-2/77
Серия 3.015-2/82
Серия 3.015-3
Серия 3.015-3/77
Серия 3.015-3/82
Серия 3.015-3/92
Серия 3.015-5
Серия 3.015-5/86
Серия 3.015-8/84
Серия 3.015.1-17.94
Серия 3.015.2-15
Серия 3.016-3
Серия 3.016.1-11
Серия 3.016.1-17.93
Серия 3.016.1-9
Серия 3.016.2-12
Серия 3.017-1
Серия 3.017-3
Серия 3.019.1-1
Серия 3.019.1-2
Серия 3.019.1-3
Серия 3.300.9-2
Серия 3.300.9-3
Серия 3.320-1
Серия 3.400-3
Серия 3.402-24
Серия 3.407-101
Серия 3.407-102
Серия 3.407-115
Серия 3.407-123
Серия 3.407-131
Серия 3.407-22
Серия 3.407-40/70
Серия 3.407-57
Серия 3.407-57/87
Серия 3.407-85
Серия 3.407-96
Серия 3.407-98
Серия 3.407.1-136
Серия 3.407.1-137
Серия 3.407.1-139
Серия 3.407.1-143
Серия 3.407.1-144
Серия 3.407.1-148
Серия 3.407.1-151
Серия 3.407.1-152
Серия 3.407.1-157
Серия 3.407.1-159
Серия 3.407.1-175
Серия 3.407.9-146
Серия 3.407.9-153
Серия 3.407.9-158
Серия 3.407.9-180
Серия 3.500.1-1.93
Серия 3.501-104
Серия 3.501-107
Серия 3.501-108
Серия 3.501-112
Серия 3.501-180.95
Серия 3.501-59
Серия 3.501-61
Серия 3.501-68
Серия 3.501-96
Серия 3.501.1-124
Серия 3.501.1-126
Серия 3.501.1-130
Серия 3.501.1-131
Серия 3.501.1-135
Серия 3.501.1-144
Серия 3.501.1-145
Серия 3.501.1-146
Серия 3.501.1-149
Серия 3.501.1-150
Серия 3.501.1-153
Серия 3.501.1-155
Серия 3.501.1-156
Серия 3.501.1-159
Серия 3.501.1-160
Серия 3.501.1-165
Серия 3.501.1-167
Серия 3.501.1-175.93
Серия 3.501.1-177.93
Серия 3.501.1-179.94
Серия 3.501.2-123
Серия 3.501.3-183.01
Серия 3.501.3-184.03
Серия 3.501.3-185.03
Серия 3.501.3-186.09
Серия 3.501.3-187.10
Серия 3.501.9-181.95м
Серия 3.501.9-188.13
Серия 3.503-12
Серия 3.503-14
Серия 3.503-17
Серия 3.503-21
Серия 3.503-23
Серия 3.503-27
Серия 3.503-28
Серия 3.503-29
Серия 3.503-30
Серия 3.503-41
Серия 3.503-44
Серия 3.503-49
Серия 3.503-50
Серия 3.503-8/74
Серия 3.503.1-100
Серия 3.503.1-102
Серия 3.503.1-104
Серия 3.503.1-105
Серия 3.503.1-108
Серия 3.503.1-109.93
Серия 3.503.1-112.97
Серия 3.503.1-53
Серия 3.503.1-55
Серия 3.503.1-57
Серия 3.503.1-61
Серия 3.503.1-63
Серия 3.503.1-66
Серия 3.503.1-67
Серия 3.503.1-69
Серия 3.503.1-70
Серия 3.503.1-73
Серия 3.503.1-75
Серия 3.503.1-76
Серия 3.503.1-79
Серия 3.503.1-81
Серия 3.503.1-85
Серия 3.503.1-89
Серия 3.503.1-90
Серия 3.503.1-91
Серия 3.503.1-93
Серия 3.503.1-94
Серия 3.503.1-95
Серия 3.503.1-96
Серия 3.503.3-56
Серия 3.503.9-110.93
Серия 3.503.9-43/89
Серия 3.503.9-59
Серия 3.503.9-62
Серия 3.503.9-78
Серия 3.503.9-80
Серия 3.504.1-20
Серия 3.504.1-23
Серия 3.504.9-19
Серия 3.505-11
Серия 3.505-14
Серия 3.505-9
Серия 3.505.1-15
Серия 3.505.1-16
Серия 3.506-3
Серия 3.507 КЛ-10
Серия 3.507 КЛ-4
Серия 3.507-1
Серия 3.602.1-1
Серия 3.702-1
Серия 3.702-1/79
Серия 3.702.1-4
Серия 3.818.9-2
Серия 3.820-11
Серия 3.820-13
Серия 3.820-14
Серия 3.820-15
Серия 3.820-21
Серия 3.820-23
Серия 3.820-3
Серия 3.820-6
Серия 3.820-7
Серия 3.820-9
Серия 3.820.1-29
Серия 3.820.1-29/91
Серия 3.820.1-32
Серия 3.820.1-34с
Серия 3.820.1-39
Серия 3.820.1-67
Серия 3.820.1-69
Серия 3.820.1-70
Серия 3.820.1-73
Серия 3.820.1-76
Серия 3.820.1-80.94
Серия 3.820.1-81.94
Серия 3.820.1-82.01
Серия 3.820.1-83.01
Серия 3.820.1-84.01
Серия 3.900-2
Серия 3.900-3
Серия 3.900.1-10
Серия 3.900.1-11
Серия 3.900.1-12
Серия 3.900.1-14
Серия 3.900.9-13
Серия 3.901.1-14
Серия 3.901.1-15
Серия 3.902-7
Серия 3.902-8
Серия 3.902.1-12
Серия 3.903 КЛ-13
Серия 3.903 КЛ-14
Серия 4.407-267
Серия 4.901-7
Серия 4.902-3
Серия 5.905-25.05
Серия 7.402-3
Серия 7.501-2
Серия 7018м
Серия 7075м
Серия 71159с
Серия 75
Серия 8.005-1
Серия 85
Серия 86
Серия 97
Серия 97.87 ИЖ 1.1-1
Серия АЭ 01-02
Серия АЭ 01-07
Серия Б 3.503.1-2.02
Серия Б1.011.1-1.99
Серия Б1.011.1-2.08
Серия Б1.012.1-1.99
Серия Б1.012.1-2.08
Серия Б1.016.1-1
Серия Б1.020.1-7
Серия Б1.033.1-1.09
Серия Б1.038.1-1
Серия Б1.041.1-1.2000
Серия Б1.041.1-3.08
Серия Б1.041.1-5.10
Серия Б1.043.1-2.08
Серия Б1.055.1-1.01
Серия Б1.055.1-3.02
Серия Б1.125.1-1
Серия Б1.134.1-7
Серия Б1.138-2
Серия Б1.141.1-1.11
Серия Б1.142-1
Серия Б3.003.1-1
Серия Б3.006.1-1.03
Серия Б3.008.1-1
Серия Б3.008.1-2.08
Серия Б3.017.1-1
Серия Б3.017.1-2.99
Серия Б3.017.1-4.03
Серия Б3.017.1-7.05
Серия Б3.300.1-5.04
Серия Б3.503.1-1
Серия Б3.507.1-3.04
Серия БТ 01-01
Серия В 86
Серия ВТИ КЖ 01-83
Серия ВТИ КЖ 01-82
Серия И 163.84-89
Серия ИЖ 31-77
Серия ИЖ 557
Серия ИЖ 568
Серия ИЖ 568-03
Серия ИЖ 568-04/д
Серия ИЖ 738
Серия ИЖ 745-01
Серия ИЖ 812
Серия ИЖ 840
Серия ИИ 01-00
Серия ИИ 01-02
Серия ИИ 03-02
Серия ИИ 03-04
Серия ИИ 03-05
Серия ИИ 04-0
Серия ИИ 04-15
Серия ИИ 04-16
Серия ИИ 04-1
Серия ИИ 04-3
Серия ИИ 04-4
Серия ИИ 04-5
Серия ИИ 04-6
Серия ИИ 04-7
Серия ИИ 10Ж-1
Серия ИИ 22-1
Серия ИИ 22-2/70
Серия ИИ 22-3
Серия ИИ 22-3/70
Серия ИИ 23-1/70
Серия ИИ 23-11
Серия ИИ 23-12
Серия ИИ 23-2
Серия ИИ 23-2/70
Серия ИИ 23-3
Серия ИИ 23-3/70
Серия ИИ 23-4
Серия ИИ 23-5
Серия ИИ 23-6
Серия ИИ 23-7
Серия ИИ 23-8
Серия ИИ 23-9
Серия ИИ 24-1
Серия ИИ 24-1/70
Серия ИИ 24-10
Серия ИИ 24-11
Серия ИИ 24-2/70
Серия ИИ 24-4/70
Серия ИИ 24-5/70
Серия ИИ 24-6
Серия ИИ 24-8
Серия ИИ 24-9
Серия ИИ 27-1
Серия ИИ 29-3
Серия ИИ 29-3/70
Серия ИИ 41
Серия ИИ 60
Серия ИИ 62
Серия ИИ 63
Серия ИИ 64
Серия ИИ 65
Серия ИИС 04-2
Серия ИИС 04-7
Серия ИИС 23-1
Серия ИИС 23-2
Серия ИИС 23-3
Серия ИИС 23-4
Серия ИИС 24-1
Серия ИИС 24-1/73
Серия ИИС 24-2
Серия ИИС 24-2/73
Серия ИИС 27-1
Серия ИИС 29-5
Серия ИИС 61
Серия ИИС 62
Серия ИИС 63
Серия ИИЭ 22-1/73
Серия ИИЭ 23-1
Серия ИИЭ 23-3
Серия ИИЭ 23-3/73
Серия ИС 01-04
Серия ИС 01-05
Серия ИС 01-08/67
Серия ИС 01-09
Серия ИС 01-19
Серия КБК
Серия КУБ 2.5
Серия КЭ 01-01
Серия КЭ 01-03
Серия КЭ 01-04
Серия КЭ 01-06
Серия КЭ 01-13
Серия КЭ 01-14
Серия КЭ 01-15
Серия КЭ 01-23
Серия КЭ 01-49
Серия КЭ 01-50
Серия КЭ 01-52
Серия КЭ 01-53
Серия КЭ 01-55
Серия КЭ 01-58
Серия КЭ 01-60
Серия МГНП 01-99
Серия МПЗ 01-01
Серия НК 029
Серия ОФ 01-01
Серия ОФ 02-02
Серия ПК 01-05
Серия ПК 01-06
Серия ПК 01-100/62
Серия ПК 01-106
Серия ПК 01-110/81
Серия ПК 01-115
Серия ПК 01-116
Серия ПК 01-129/78
Серия ПК 01-27
Серия ПК 01-74/62
Серия ПК 01-80
Серия ПК 01-88
Серия ПК 01-99
Серия ПК 01-99/62
Серия ПП 01-03/64
Серия ПП 01-03/68
Серия ПП 70-91
Серия ПР 05-05.2
Серия ПР 05-36.1
Серия ПР 05-36.3
Серия ПР 05-36.4
Серия РМ 2-77
Серия СТ 02-01
Серия СТ 02-10/61
Серия СТ 02-11/61
Серия СТ 02-12/61
Серия СТ 02-18
Серия СТ 02-31
Серия СТ 02-33
Серия СТД 07
Серия ТС 01-01
Серия У 01-01
Серия У 01-01/80
Серия У 01-02/89
Серия ХТР 1-1
Серия 1.423.1-7
Серия 1.432.1-21
Серия 1.165.1-12
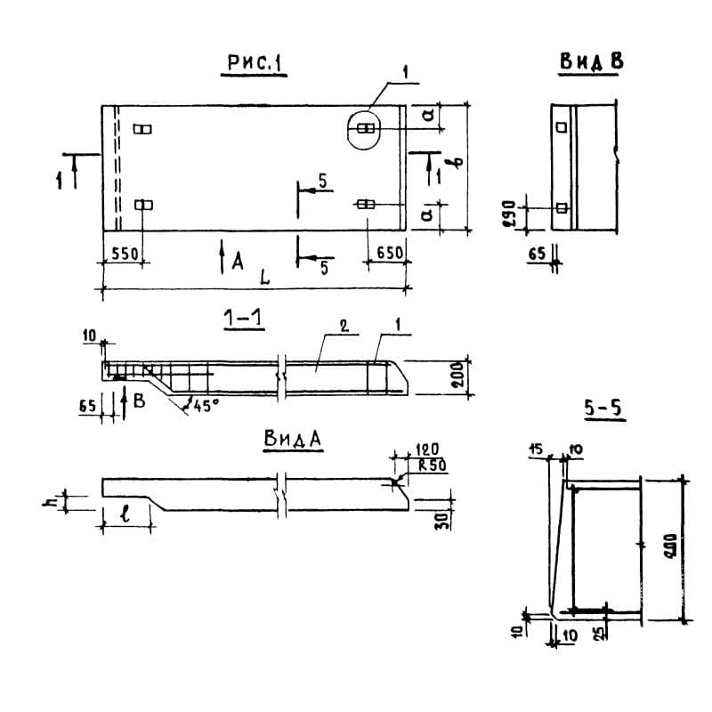
1780x200x5380
ПРТ 54-18-20-7 л
Цена по запросу
ОСТАВИТЬ ЗАЯВКУ
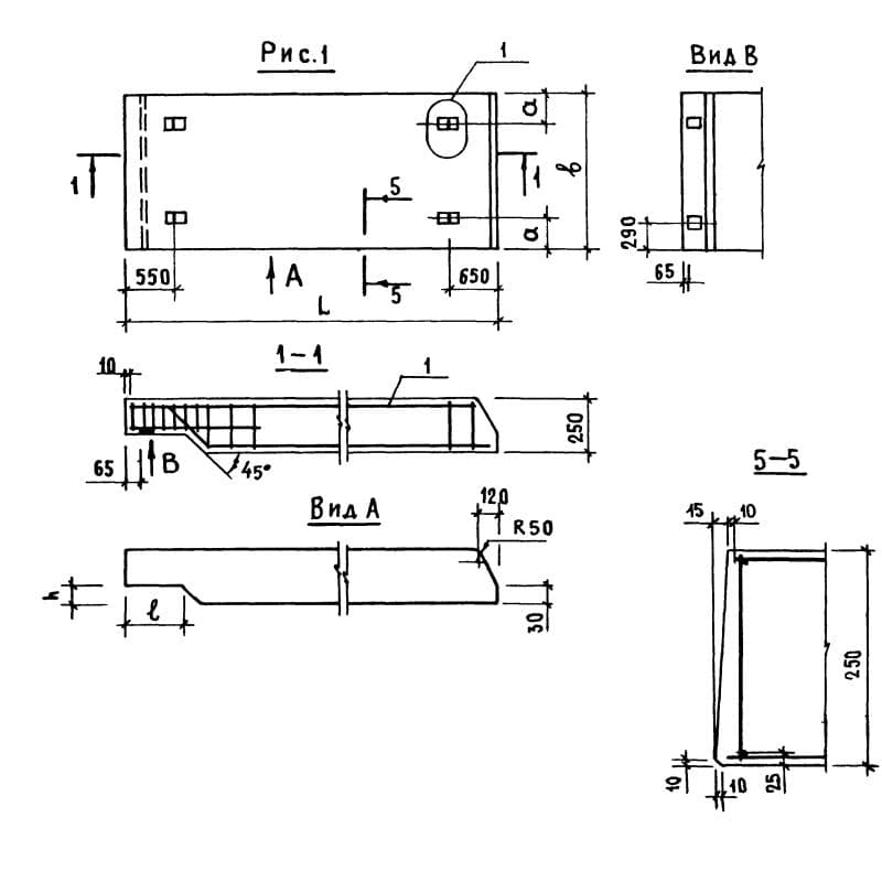
1780x250x5380
ПРТ 54-18-25-15 л
Цена по запросу
ОСТАВИТЬ ЗАЯВКУ
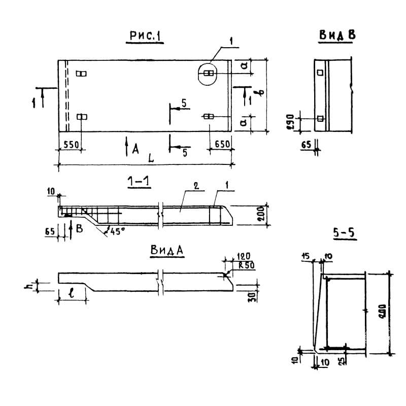
2380x200x5380
ПРТ 54-24-20-7 л
Цена по запросу
ОСТАВИТЬ ЗАЯВКУ
2380x250x5380
ПРТ 54-24-25-15 л
Цена по запросу
ОСТАВИТЬ ЗАЯВКУ
Показать больше
Назад
6
7
8
9
10
Вперед
4 из 112 (10 страниц)