
Серия 3.501.1-144
Выпуски:
Выпуск 0-0. Общие указания по применениюВыпуск 0-1. Трубы водопропускные железобетонные круглые с плоским опиранием для железных дорог в обычных климатических условиях. Номенклатура. Материалы для проектированияВыпуск 0-2. Трубы водопропускные железобетонные круглые с плоским опиранием для автомобильных дорог в обычных климатических условиях. Номенклатура. Материалы для проектированияВыпуск 0-3. Трубы водопропускные железобетонные круглые с плоским опиранием северного исполнения для железных и автомобильных дорог. Номенклатура. Материалы для проектированияВыпуск 0-4. Трубы водопропускные железобетонные круглые для автомобильных дорог в обычных климатических условиях. Номенклатура. Материалы для проектированияВыпуск 1. Индустриальные изделия. Рабочие чертежиВыпуск 0-0. Общие указания по применениюВыпуск 0-1. Трубы водопропускные железобетонные круглые с плоским опиранием для железных дорог в обычных климатических условиях. Номенклатура. Материалы для проектированияВыпуск 0-2. Трубы водопропускные железобетонные круглые с плоским опиранием для автомобильных дорог в обычных климатических условиях. Номенклатура. Материалы для проектированияВыпуск 0-3. Трубы водопропускные железобетонные круглые с плоским опиранием северного исполнения для железных и автомобильных дорог. Номенклатура. Материалы для проектированияВыпуск 0-4. Трубы водопропускные железобетонные круглые для автомобильных дорог в обычных климатических условиях. Номенклатура. Материалы для проектированияВыпуск 1. Индустриальные изделия. Рабочие чертежи
Продукция по Серия 3.501.1-144
Серия 3.501.1-144

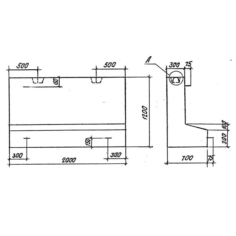
700x1200x2000БФ 1
Цена по запросу

660x660x1000ЗК 1-100
Цена по запросу

660x660x3000ЗК 1-300
Цена по запросу

1400x1400x1320ЗК 14-132
Цена по запросу

1740x1740x1320ЗК 15-132
Цена по запросу

2080x2080x1320ЗК 16-132
Цена по запросу

910x910x1000ЗК 2-100
Цена по запросу

910x910x3000ЗК 2-300
Цена по запросу

1200x1200x2000ЗК 3-200
Цена по запросу

1200x1200x3000ЗК 3-300
Цена по запросу

1240x1240x2000ЗК 4-200
Цена по запросу

1240x1240x3000ЗК 4-300
Цена по запросу