
Продукция по Серия 3.003.1-1/87
Серия 3.003.1-1/87

1410x890x1410КЦ 12-9
Цена по запросу

2700x1190x2700КЦ 25-12
Цена по запросу

2200x160x2200КЦП 1-20 н
Цена по запросу

2700x180x2700КЦП 1-25 н
Цена по запросу

2700x180x2700КЦП 2-25
Цена по запросу

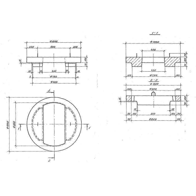
1000x170x1000ПКБ 8
Цена по запросу

1000x170x1000ПКМ 8
Цена по запросу

1410x1980x1410РКВГ 12
Цена по запросу

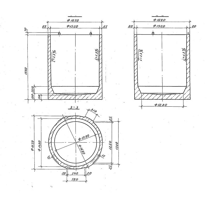
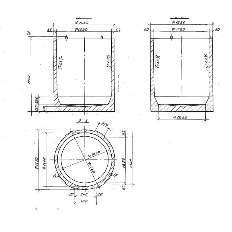
1680x1980x1680РКВГ 15
Цена по запросу

2200x1980x2200РКВГ 20
Цена по запросу

2700x1980x2700РКВГ 25
Цена по запросу

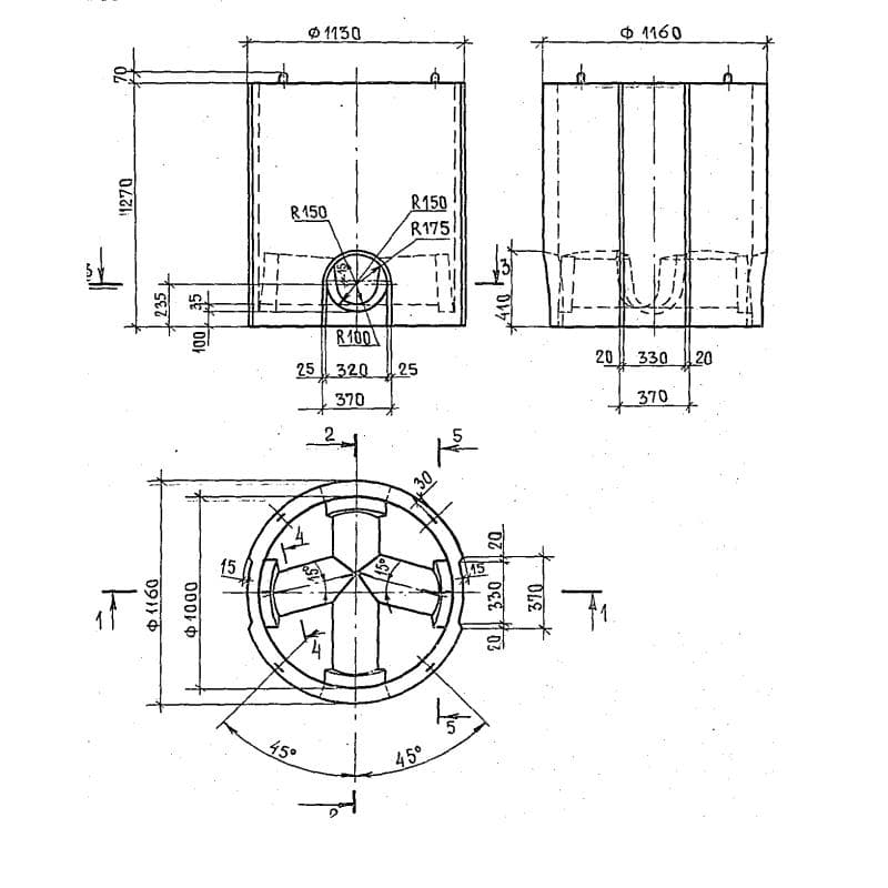
1160x1270x1160РКДК 10
Цена по запросу