
Серия 3.503.9-62
Выпуски:
Выпуск 1. Пролетное строение L=42мВыпуск 10. Пролетные строения L=63+2+84+63 и 63+3+84+63мВыпуск 11. Монтаж пролетных строений. Пролетные строения L=63+2+84+63 и 63+3+84+63мВыпуск 2. Пролетное строение L=3*42мВыпуск 3. Пролетное строение L=42-63-42мВыпуск 4. Блоки железобетонной плиты проезжей части и тротуаровВыпуск 5. Монтаж пролетных строений. Пролетные строения L=42, 3*42 и 42+63+42мВыпуск 6. Проленое строение L=63мВыпуск 7. Пролетное строение L=3*63мВыпуск 8. Пролетное строение L=63+84+63мВыпуск 9. Монтаж пролетных строений. Пролетные строения L=63, 3*63 и 63+84+63мВыпуск 1. Пролетное строение L=42мВыпуск 10. Пролетные строения L=63+2+84+63 и 63+3+84+63мВыпуск 11. Монтаж пролетных строений. Пролетные строения L=63+2+84+63 и 63+3+84+63мВыпуск 2. Пролетное строение L=3*42мВыпуск 3. Пролетное строение L=42-63-42мВыпуск 4. Блоки железобетонной плиты проезжей части и тротуаровВыпуск 5. Монтаж пролетных строений. Пролетные строения L=42, 3*42 и 42+63+42мВыпуск 6. Проленое строение L=63мВыпуск 7. Пролетное строение L=3*63мВыпуск 8. Пролетное строение L=63+84+63мВыпуск 9. Монтаж пролетных строений. Пролетные строения L=63, 3*63 и 63+84+63м
Продукция по Серия 3.503.9-62
Серия 3.503.9-62

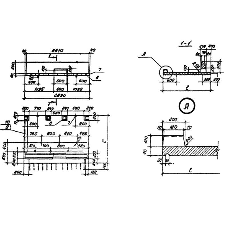
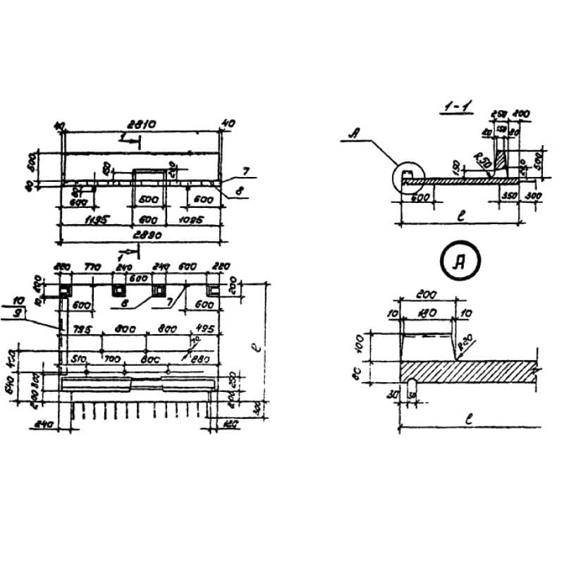
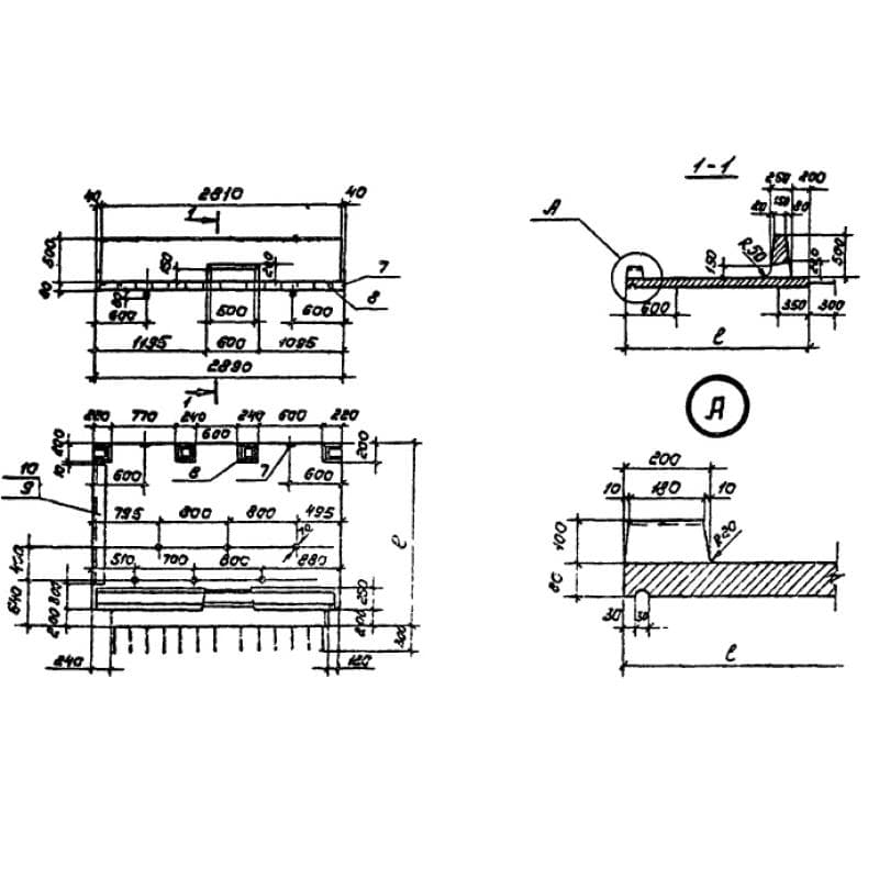
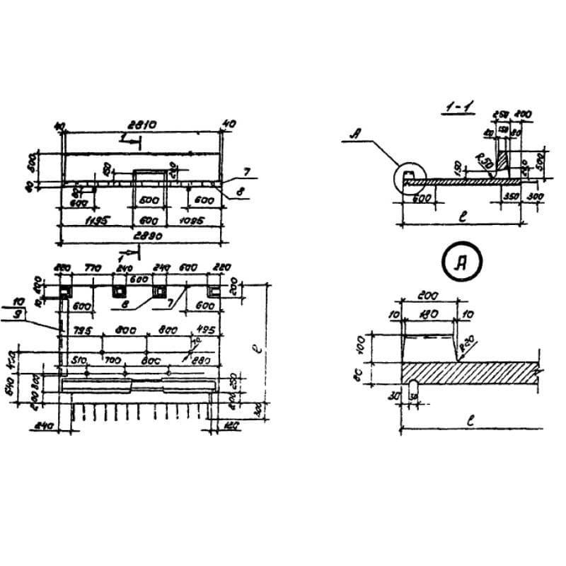
1650x580x5240ЖТ 1-1,0 (3.503.9-62)
Цена по запросу

1650x580x5240ЖТ 1-1,0 м (3.503.9-62)
Цена по запросу

2150x580x5240ЖТ 2-1,5 (3.503.9-62)
Цена по запросу

1650x580x2890ЖТ 3-1,0 (3.503.9-62)
Цена по запросу

1650x580x2890ЖТ 3-1,0 м (3.503.9-62)
Цена по запросу

1650x580x2890ЖТ 3-1,0 н (3.503.9-62)
Цена по запросу

1650x580x2890ЖТ 3-1,0 нм (3.503.9-62)
Цена по запросу

2150x580x2890ЖТ 4-1,5 (3.503.9-62)
Цена по запросу

2150x580x2890ЖТ 4-1,5 м (3.503.9-62)
Цена по запросу

2150x580x2890ЖТ 4-1,5 н (3.503.9-62)
Цена по запросу

2150x580x2890ЖТ 4-1,5 нм (3.503.9-62)
Цена по запросу

2500x240x4970П 1
Цена по запросу