
Серия 3.006.1-3/83
Выпуски:
Выпуск 0. Материалы для проектирования тоннелей с применением уголковых стеновых элементов и объемных элементовВыпуск 1-1. Тоннели с применением уголковых стеновых элементов. Стеновые блоки, плиты днища. Рабочие чертежиВыпуск 1-2. Тоннели с применением уголковых стеновых элементов. Плиты перекрытия. Рабочие чертежиВыпуск 1-3. Тоннели с применением уголковых стеновых элементов. Уголковые стеновые блоки, балки, колонны, фундаменты. Рабочие чертежиВыпуск 1-4. Тоннели с применением уголковых стеновых элементов. Стеновые блоки, плиты днища. Арматурные изделия. Рабочие чертежиВыпуск 1-5. Тоннели с применением уголковых стеновых элементов. Плиты перекрытия. Арматурные изделия. Рабочие чертежиВыпуск 2-1. Тоннели из объемных элементов. Рабочие чертежиВыпуск 2-2. Тоннели из объемных элементов. Арматурные изделия. Рабочие чертежиВыпуск 0. Материалы для проектирования тоннелей с применением уголковых стеновых элементов и объемных элементовВыпуск 1-1. Тоннели с применением уголковых стеновых элементов. Стеновые блоки, плиты днища. Рабочие чертежиВыпуск 1-2. Тоннели с применением уголковых стеновых элементов. Плиты перекрытия. Рабочие чертежиВыпуск 1-3. Тоннели с применением уголковых стеновых элементов. Уголковые стеновые блоки, балки, колонны, фундаменты. Рабочие чертежиВыпуск 1-4. Тоннели с применением уголковых стеновых элементов. Стеновые блоки, плиты днища. Арматурные изделия. Рабочие чертежиВыпуск 1-5. Тоннели с применением уголковых стеновых элементов. Плиты перекрытия. Арматурные изделия. Рабочие чертежиВыпуск 2-1. Тоннели из объемных элементов. Рабочие чертежиВыпуск 2-2. Тоннели из объемных элементов. Арматурные изделия. Рабочие чертежи
Продукция по Серия 3.006.1-3/83
Серия 3.006.1-3/83

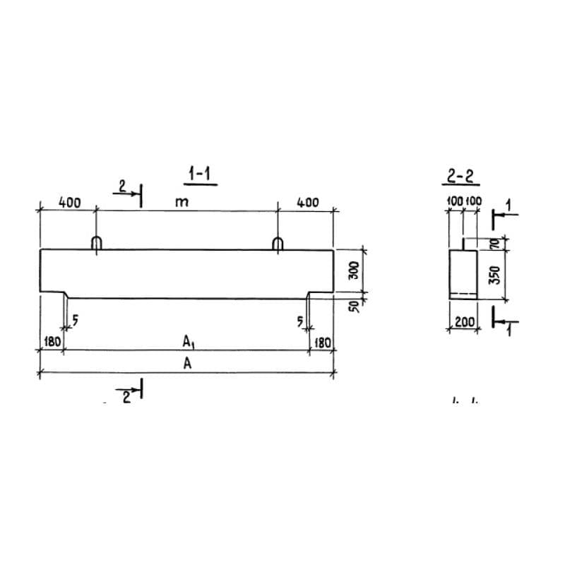
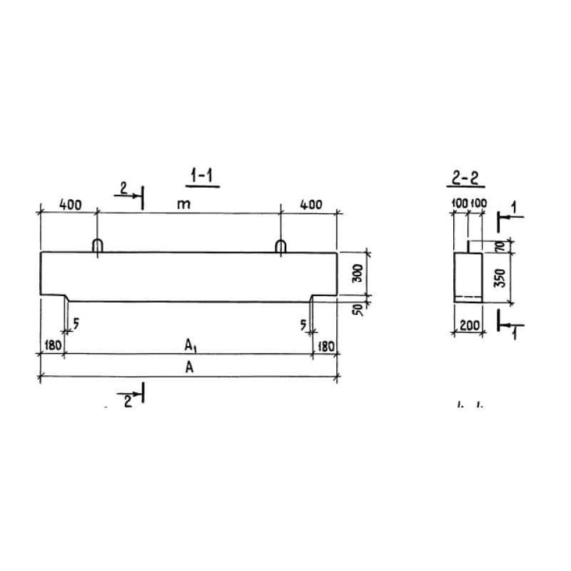
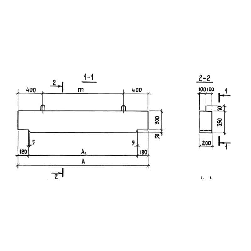
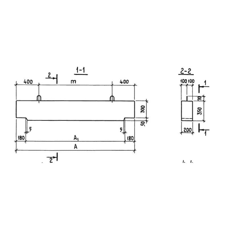
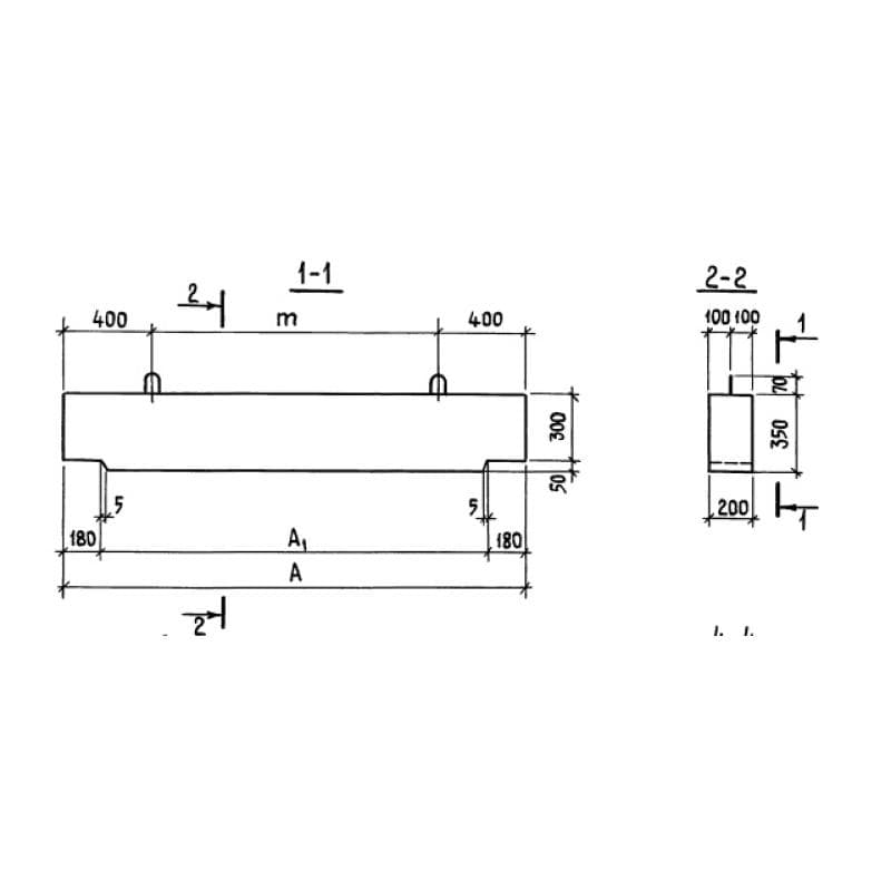
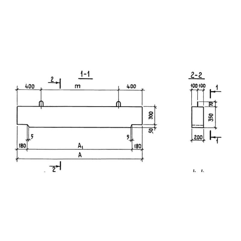
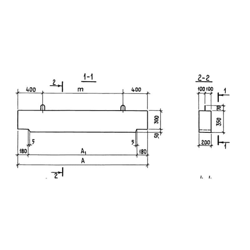
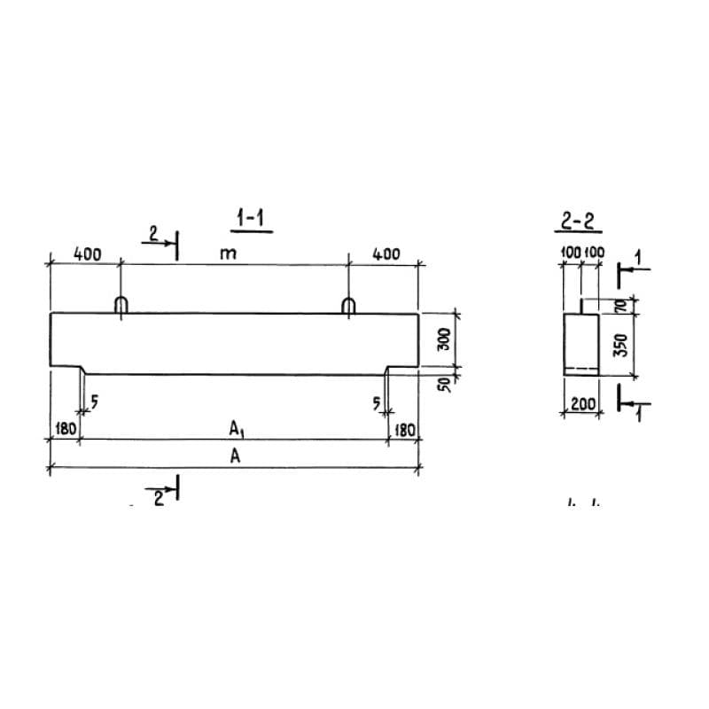
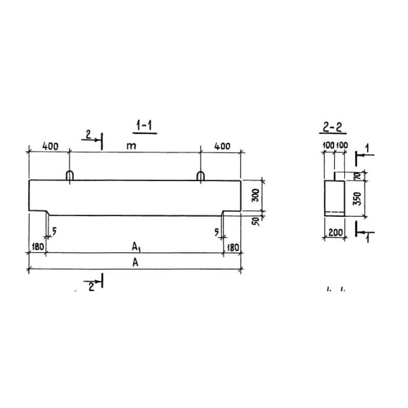
200x350x1860Б 15-14,5
Цена по запросу

200x350x1860Б 15-9
Цена по запросу

200x350x2160Б 18-14,5
Цена по запросу

200x350x2160Б 18-9
Цена по запросу

200x350x2460Б 21-14,5
Цена по запросу

200x350x2460Б 21-9
Цена по запросу

200x350x2760Б 24-14,5
Цена по запросу

200x350x2760Б 24-9
Цена по запросу

200x350x3360Б 30-9
Цена по запросу

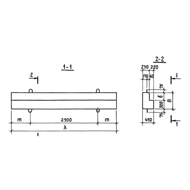
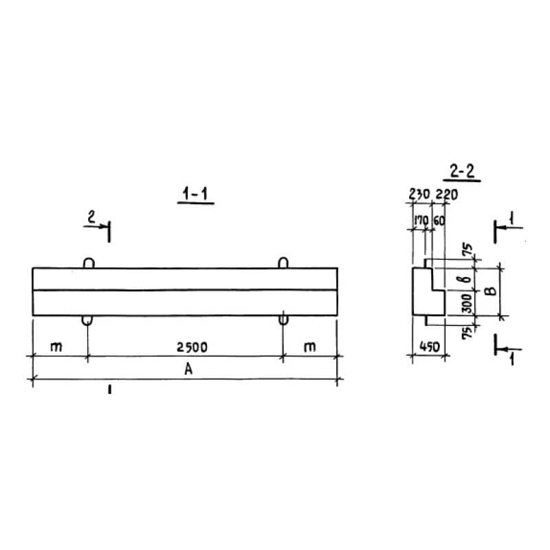
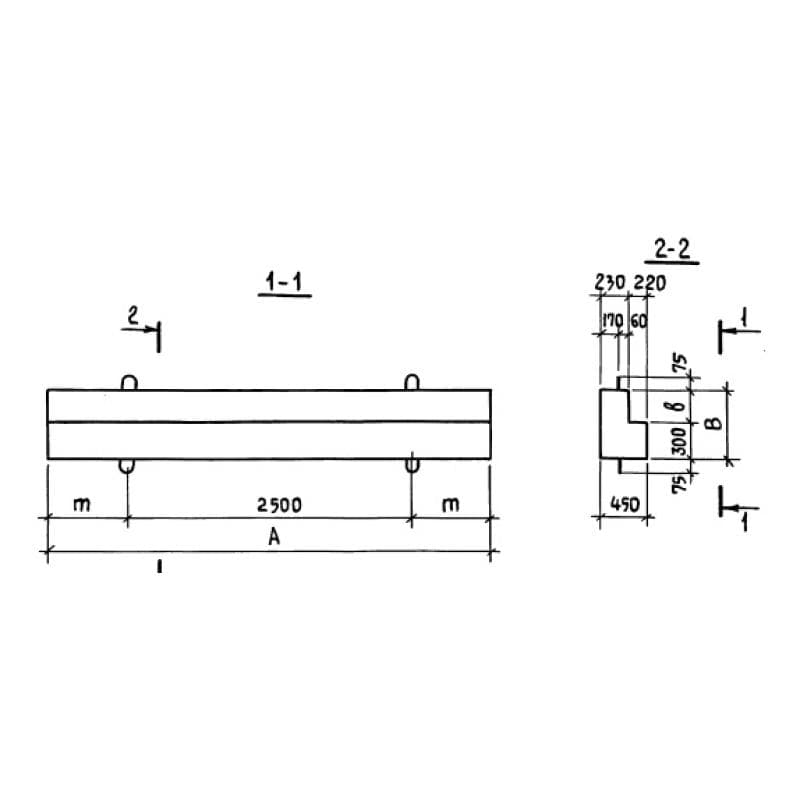
450x600x4000Б 36-11
Цена по запросу

450x600x4000Б 36-17
Цена по запросу

450x600x4600Б 42-12
Цена по запросу