1КНО 4-36-1-4 пв

1КНО 4-36-1-4 пв
О товаре
Цена по запросу
ОПИСАНИЕ
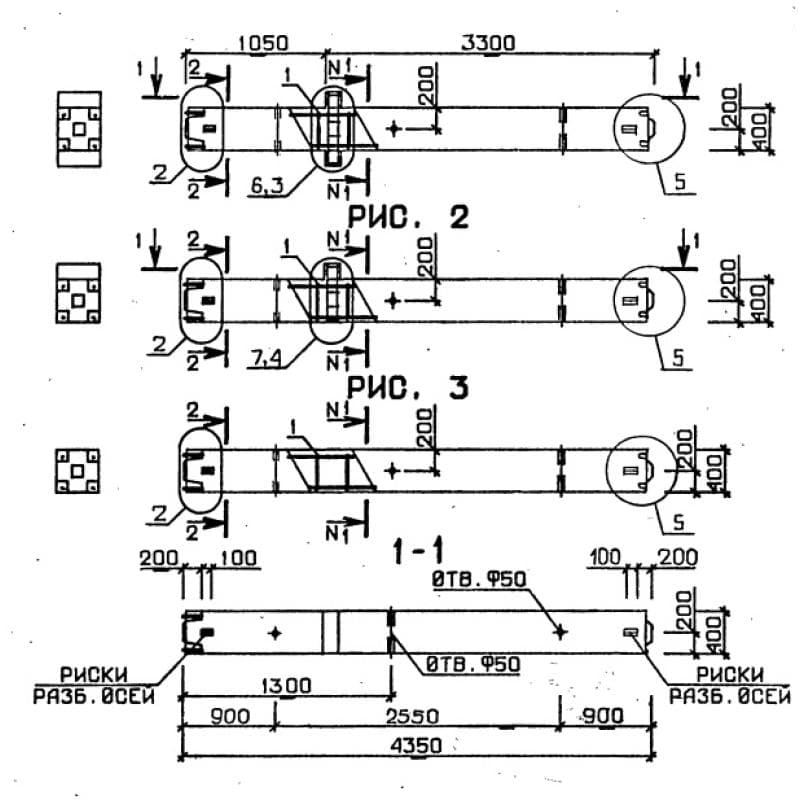
Колонны 1КНО 4-36-1-4 пв представляют собой вытянутые прямоугольные балки, имеющие ряд конструктивных особенностей. Одной из них является наличие консолей - полок, предназначенных для опирания смежных конструкций. Изделия запроектированы в трех вариациях: без полок, с одной полкой или с двумя симметричными консолями. Дополнительно на теле конструкции расположено множество закладных деталей, предназначенных для сопряжения со смежными элементами каркаса.
Применяются унифицированные колонны при строительстве общественных сооружений, а также производственных и промышленных предприятий, возводимых на подрабатываемых территориях, на которых распространены просадочные грунты. Элементы подходят для зданий с высотой этажа 2,8; 3,3; 3,6;4,2 и 4,8м. Благодаря наличию консолей элементы могут устанавливаться в различных частях здания и служить надежной опорой для смежных конструкций каркаса. При разработках и расчетах учитывались требования и рекомендации СНиП II-21-75. Предел огнестойкости конструкций составляет 2,5 часа.
Маркировочные обозначения
Наносимые на поверхности конструкций символы ускоряют поиск необходимых строительных материалов. Они отражают главные особенности элементов. Совокупность знаков 1КНО 4-36-1-4 пв имеет следующую расшифровку:
1. 1 - этажность элемента;
2. К - тип конструкции - колонна;
3. Н - положение (Н - нижняя, Б - бесстыковая);
4. О - количество консолей (О - одна, Д - две; при отсутствии индекса подразумевается отсутствие консолей);
5. 4 - поперечное сечение;
6. 36 - высота этажа (дм);
7. 1 - величина несущей способности;
8. 4 - тип армирования ствола;
9. пв - для эксплуатации на просадочных грунтах и на подрабатываемых территориях.
Не допускается вносить произвольные корректировки в маркировочные знаки.
Особенности производства
Очень подробно ознакомиться с порядком производства индустриальных колонн можно на страницах Серии 1.020.1-3пв. Для соблюдения точности геометрических пропорций следует применять металлические опалубочные формы. Главным материалом рекомендуется использовать бетон марок М300, М400, М500 и М600. Выбор конкретной марки зависит от типа колонны. Физико-химические показатели, морозостойкость и водонепроницаемость, могут варьироваться в зависимости от климатических особенностей региона строительства и всегда подбираются по согласованию с заказчиком.
Армирование конструкций осуществляется пространственными каркасами, размещаемыми в форме вместе с закладными деталями до заливки бетонной смеси. Для их производства используется сталь класса AIII и AI по ГОСТ 5781-82. Диаметры стержней подбираются под каждый типоразмер индивидуально. Закладные детали изготавливаются из стали класса AIII и полосового проката по ГОСТ 103-76 марки ВСт3кп2 по ГОСТ 380-71. Дополнительно используется угловая сталь по ГОСТ 8509-72 марки ВСт3кп2. Обязательна защита металлических составляющих противокоррозионными составами в соответствии с требованиями СНиП II-28-73.
Транспортировка и хранение
При транспортировке и хранении унифицированные колонны 1КНО 4-36-1-4 пв должны опираться на бруски толщиной 200мм, расположенных в местах, представленных на рабочих чертежах. Погрузочно-разгрузочные работы должны осуществляться с помощью балансирной траверсы и пальцевых захватов, располагаемых в специальных отверстиях на теле изделий. Служащих для выемки из формы. Важно беречь конструкции от возникновения любых механических повреждений, и щепетильно соблюдать предписания Серии 1.020.1-3пв.