КЦП 1-15-2 а (ТП 902-2-356)




КЦП 1-15-2 а (ТП 902-2-356)
О товаре
Цена по запросу
ОПИСАНИЕ
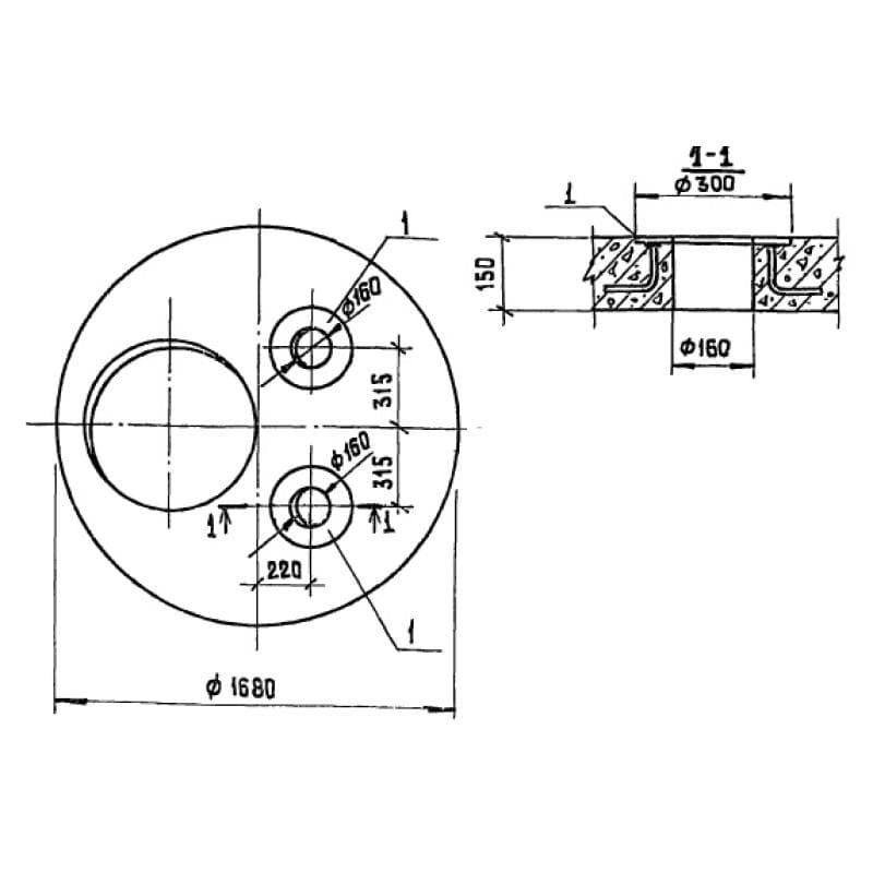
Плита перекрытия КЦП 1-15-2 а (ТП 902-2-356) представляет собой железобетонный строительный элемент круглой формы, особенность которого состоит в наличии двух круглых сквозных отверстий диаметром 160 мм для пропуска и надежной фиксации труб и одного большого круглого отверстия для установки люка, позволяющего проводить техническое обслуживание коммуникаций. Такие плиты разработаны для перекрытия иловых колодцев, которые входят в состав вторичных вертикальных отстойников, предназначенных для улучшения осаждений взвешенных веществ, биопленки и активного ила после сооружений биологической очистки сточных вод.
Регламентировано использовать КЦП 1-15-2 а (ТП 902-2-356) при строительстве в районах с расчетной зимней температурой воздуха не ниже -40 градусов по Цельсию, с сейсмической активностью не более 6 баллов. Исключением служат области с вечномерзлыми и просадочными грунтами, подверженными оползнями и карстообразованиями, территории подрабатываемые горными выработками.
Расшифровка маркировки
Условное обозначение железобетонных конструкций имеет вид цифробуквенной системы, в которой кратко даны основные характеристики изделия и отображены их конструкционные особенности. При рассмотрении маркировки КЦП 1-15-2 а (ТП 902-2-356) можно узнать следующую информацию:
1. КЦП - плита перекрытия илового колодца;
2. 1 - порядковый номер типоразмера;
3. 15 - внутренний диаметр кольца в дм;
4. 2 - несущая способность;
5. а - различие по закладным деталям.
После приемки техническим отделом регламентировано штамповать несмываемой краской или наносить по трафарету, маркировочные надписи на все плиты, в которых указываются: марка изделия, краткое наименование завода-производителя, дата выпуска, печать ОТК.
Материалы и производство
Типовой проект 902-2-356 является главным документом, определяющим стандарты и требования к изготовлению железобетонных плит перекрытия колодцев КЦП 1-15-2 а (ТП 902-2-356). Допускается осуществлять их выпуск в горизонтальном положении по поточно-агрегатной технологии или стендовым методом в опалубке из металла или другого материала, удовлетворяющего ГОСТ 8020-68.
Производятся плиты из тяжелого бетона с маркой по прочности на сжатие М200, марки по водонепроницаемости и морозостойкости принимаются проектной организацией исходя из климатических условий в зоне эксплуатации. В бетонную смесь должны вводиться поверхностно-активные добавки, обеспечивающие получение материала с улучшенными основными свойствами.
Усиливаются данные изделия обыкновенной проволокой ВI и плоскими сетками, собираемыми из стальных стержней класса АIII при помощи контактной точечной сварки во всех местах их пересечения. Так же в теле конструкции запроектированы закладные детали. Такие детали предварительно очищаются от ржавчины, наплывов бетона и должны покрываться слоем алюминия толщиной 200 мкм.
Готовые плиты проходят приемочный контроль партиями (изделия одной марки, выполненные по одной технологии и из одних и тех же материалов). Конструкции подвергаются проверке на прочность, жесткость, раскрытие трещин, оцениваются их внешний вид и качество поверхностей. По результатам испытаний партия, или ее часть, сопровождается с паспортом о качестве.
Транспортировка и хранение
Складируются плиты перекрытия колодцев КЦП 1-15-2 а (ТП 902-2-356) в горизонтальном положении в многоярусных штабелях. Между ярусами и под нижний ряд изделий необходимо устанавливать инвентарные прокладки, обеспечивающие штабелю устойчивость.
При перевозке к месту монтажа плитам должна гарантироваться надежная фиксация в кузове транспорта, исключающая их смещение, трение и опрокидывание.