2П 7-14-12 *

2П 7-14-12 *
О товаре
Цена по запросу
ОПИСАНИЕ
Плиты трамвайных путей 2П 7-14-12 * относятся к элементам высшей категории. Они прочны, способны выдерживать длительные и кратковременные нагрузки в течение всего срока эксплуатации трамвайных линий, предназначенных для движения обычных и скоростных трамваев. Стандартная прямоугольная форма отличается точностью габаритных параметров, отсутствием скосов и простотой монтажа.
Железобетонные элементы сохраняют свои прочностные характеристики при климатических колебаниях, предполагающих снижение температуры до -20°С. Плиты 2П 7-14-12 * полностью отвечают требованиям, установленным ГОСТ 19231.0-83 и ГОСТ 19231.1-83. Высокая сопротивляемость деформациям позволяет использовать прямолинейные конструкции при строительстве путей с деревянными шпалами, а также дорожного полотна на необособленных, обособленных и самостоятельных земляных участках при нагрузке на полотно от движущегося транспорта до 10 тонн.
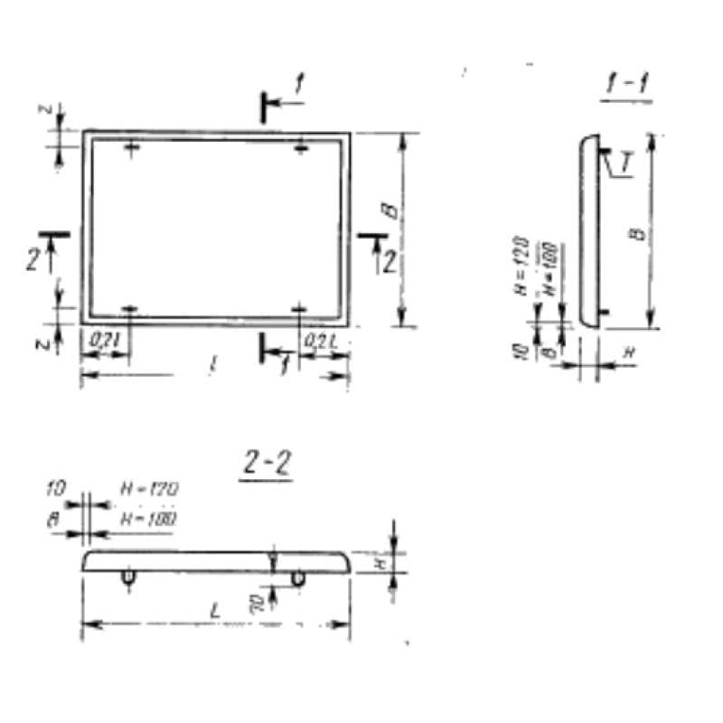
1. Варианты маркировки изделия.
Плита 2П 7-14-12 * маркируется согласно ГОСТ 23009-78. Требования выполняются для распознавания типа изделия, его длины, ширины и толщины.
2. Основная сфера использования.
Плиты трамвайных путей 2П 7-14-12 * укладываются в качестве верхнего покрытия на основания прямых и кривых участков, радиус которых не превышает 20м. Железобетонные изделия используются при строительстве площадок с небольшой динамичной и транспортной нагрузкой. Требования ГОСТ 19231.0-83 позволяют применять конструкции плит в колеях, в междупутьях, а также устанавливать на основания обочин.
Плиты 2П 7-14-12 * относятся к первому типу элементов, который применяется при показателе допустимой автомобильной нагрузки Н10. Основным направлением применения этих конструкций является строительство путей, особенностями которых являются деревянные шпалы. Назначение изделия влияет на его конструктивные особенности, габаритные параметры и наличие монтажных деталей.
3. Обозначение маркировки изделия.
Маркировка плит трамвайных путей 2П 7-14-12 * производится согласно требованиям ГОСТ 23009-78. Она позволяет распознать основные характеристики изделий. Надпись включает буквенно-цифровой знак, обозначающий тип и наименование элемента, а группа арабских цифр указывает на величины ширины, длины и толщины. Технический персонал наносит марку и монтажные символы на боковую сторону каждого изделия. Габаритные параметры указываются в дециметрах.
Маркировочная надпись типовой железобетонной плиты трамвайных путей 2П 7-14-12 * обозначает:
Габаритные параметры плиты 2П 7-14-12 * :
Длина = 680 ;
Ширина = 1390 ;
Высота = 120 ;
Вес = 280 ;
Объем бетона = 0,11 ;
Геометрический объем = 0,1134 .
4. Изготовление и основные характеристики.
Плиты 2П 7-14-12 * производятся из смеси тяжелого бетона, портландцемента, заполнителей и добавок. Показатели прочности на сжатие для основного материала определяются маркой В30. Характеристики морозостойкости и водонепроницаемости принимаются с учетом проекта строительства. Они указываются в заказе на изготовление. Для районов с величинами зимних температур ниже -15°С берется показатель W4. Состав портландцемента регулирует ГОСТ 10178-76. Он может содержать минеральные добавки или отличатся их отсутствием. Заполнитель используется крупностью до 20мм.
Требования к формам и размерам арматурных сеток и стержней для плит 2П 7-14-12 * определяет ГОСТ 19231.1-83. Армирование выполняется стрежневой арматурой класса А-III и Ат-III согласно ГОСТ 5781-82 и ГОСТ 10884-81. Проволока класса Вр-1 принимается с учетом ГОСТ 6727-80. Изготовление технологических петель осуществляется из арматуры класса А-II. Сетки и арматурные изделия, соединенные методом контактно-точечной сварки, устанавливаются в стальные формы, где производится бетонирование и выдерживание изделия до достижения им отпускной прочности. Плиты 2П 7-14-12 * доставляются заказчику в состоянии монтажной готовности.
5. Транспортировка и хранение.
Плиты трамвайных путей 2П 7-14-12 * укладываются на хранение по сортам, маркам, типам и размерам. Складирование осуществляется на ровных площадках. Плиты в штабелях высотой до 1.5м устанавливаются на инвентарные подкладки. Деревянные прокладки позволяют сохранить целостность каждого элемента в отдельности и обеспечить удобство погрузо-разгрузочных работ.
Транспортирование плит 2П 7-14-12 * выполняется после их укладки на подкладки, установленные на расстоянии 40 см от каждого торца. Перевозка производится с соблюдением мер безопасности и правил транспортировки крупногабаритных железобетонных конструкций. Плиты трамвайных путей укладываются на подвижной состав в количестве, не превышающем грузоподъемность транспортного средства.