1ПШ 24-170

y0v2ulz55n098xq
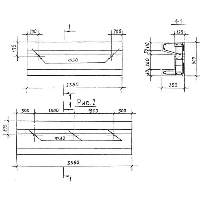
1ПШ 24-170

О товаре

Длина:2380
Ширина:250
Высота:500
Вес:523
ГОСТ, Серия:-
Объем бетона:0,209 м3
Геометрический объем:0,2975 м3

Цена по запросу

ОПИСАНИЕ

Перемычки для деформационных швов 1ПШ 24-170 представляют собой универсальные строительные изделия, используемые при строительстве жилых и общественных зданий, которые запроектированы из кирпича и имеющие толщину равную 65 и 88 мм. Конструкции возводятся в районах с обычными климатическими условиями. Данные строительные элементы предназначены для опоры на них многопустотных плит перекрытий в глухих стенах, они не применяются для перекрытия проемов. Перемычки выпускаются из материалов высочайшего качества, поэтому они очень надежны в эксплуатации. Рабочие чертежи изделий отражены в Серии 1.038.1-1.

Расшифровка маркировки

Каждое строительное изделие имеет собственную маркировку, в которой содержится основная информация, характеризующая конкретное железобетонное изделие. Маркировка перемычек принимается согласно ГОСТ 948-84 и состоит из буквенных и цифровых индексов. Рассмотрим, каким образом расшифровывается каждый индекс в марке 1ПШ 24-170:

1. 1 - тип поперечного сечения;

2. ПШ - перемычка для деформационных швов;

3. 24 - длина;

4. 170 - расстояние до отверстия.

На одной из торцевых сторон помимо марки, наносят штамп ОТК, информацию касательно массы железобетонного изделия, дату выпуска и указывают наименование предприятия изготовителя. Краска для нанесения индексов должна быть влагоустойчивой.

Материалы и производство

Выпуск любых без исключения железобетонных изделий осуществляется на основании специальных регламентов. Перемычки 1ПШ 24-170 производятся в соответствии с нормами Серии 1.038.1-1. Данный документ содержит не только рабочие чертежи, но и четко расписан процесс производства от начала и до конца. Для прочной основы выбран бетон класса B15 и В20. Согласно ГОСТ 948-84 марка бетона по морозостойкости и водонепроницаемости определяется исходя от температуры воздуха района строительства. Прочность конструкциям придает армирование. Изделия армируются пространственными каркасами, которые состоят из сеток и стержней и соединяются друг с другом точечной сваркой. Согласно действующему нормативу для арматурных сеток и каркасов применяется сталь класса A-III по ГОСТ 5781-82 и проволока Bp-I по требованиям ГОСТ 6727-80. Для удобства монтажа в теле железобетонного изделия имеются строповочные отверстия. Детали в обязательном порядке проходят обработку специальным составом от коррозии. Выходная прочность бетона должна быть не ниже 70% в теплое время года и не менее 90% в холодный период. Приемка готовой железобетонной продукции осуществляется с соблюдением всех норм ГОСТ 13015.1-81. Внимательно осматривают поверхность, а так же внешний вид железобетонного элемента. Все перемычки проверяются на прочность, трещиностойкость. После всех необходимых проверок изделие снабжается технической документацией.

Транспортировка и хранение

Хранение и транспортировка перемычек 1ПШ 24-170 осуществляется с соблюдением всех требований ГОСТ 948-84. Железобетонные изделия складируют на оборудованных крытых складах, укладывают на ровное основание в штабеля высотой примерно два метра, с использованием деревянных инвертарных прокладок. Конструкции с браком должны храниться на отдельной территории. Транспортировка осуществляется на специализированном автомобильном транспорте и по железной дороге, с соблюдением техники безопасности. Все элементы должны быть надежно закреплены крепежными механизмами, строго запрещено сбрасывать строительные изделия и подвергать падению. Качество железобетонной продукции зависит от условий их перевозки.