2Ф 12-9

xctc1zig5tj3sjs
2Ф 12-9

О товаре

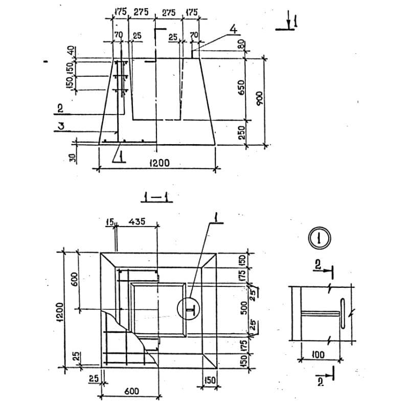
Длина:1200
Ширина:1200
Высота:900
Вес:2100
ГОСТ, Серия:-
Объем бетона:0,83 м3
Геометрический объем:1,296 м3

Цена по запросу

ОПИСАНИЕ

Фундаменты цельные под колонны 2Ф 12-9 представляют собой железобетонные сооружения, состоящие из подошвы квадратной формы и выступающего подколонника стаканного типа. Верхняя их часть выглядит в виде отдельного блока с углублением посередине с размерами под определенный тип колон. В него вставляются вертикальные несущие опоры и надежно фиксируются методом омоноличивания. Оптимально подобранная их конструкция дает возможность грамотно распределить нагрузку от веса несущих опор каркасно-панельных зданий общественного либо производственного назначения. Фундаменты подбираются с учетом несущей способности и расчетной глубины заложения. Для создания безопасных условий их перемещения в конструкции предусмотрены монтажные петли из прочной стальной проволоки. Эти железобетонные изделия выпускаются в соответствии с рабочими чертежами и требованиями, указанными в проектном документе – Серия 1.020-1/83.

1. Варианты маркировки

На любое изготовленное бетонное армированное изделия в обязательном порядке наносится по буквенно-цифровой системе условное обозначение. В Серии 1.020-1/83 приведены все возможные варианты маркировки фундаментов цельных под колонны 2Ф 12-9. Этот проектный документ рекомендует на боковой грани изделий указывать: для колонн какого типоразмера нужно их использовать, длину и высоту, показатель несущей способности. Также необходимо наносить массу фундаментных блоков и дату изготовления.

1. 2Ф 12-9-1;

2. 2Ф 12-9-2;

3. 2Ф 12-9-3.

2. Основная сфера применения

Бетонные армированные фундаменты цельные под колонны 2Ф 12-9 используются для фиксации вертикальных несущих опор при возведении каркасно-панельных зданий общественного либо производственного назначения. Компактные и прочные блоки, установленные в грунте, гарантируют надежную эксплуатацию многоэтажного строения в течение длительного периода. Эти железобетонные изделия можно использовать для закладки фундаментов в грунтовых водах со средней степенью агрессивности. На таком основании здания гарантированно сохранят свою целостность в районах с сейсмичностью не выше 9 баллов. В Серии 1.020-1/83 приведены рекомендации по грамотному подбору фундаментных цельных блоков и правила их монтажа с учетом особенностей грунтов и конструкции возводимого сооружения. Подошвы квадратной формы могут иметь размеры ее стороны 1200 либо 2100 мм и разную глубину углубления в верхней части в зависимости от устанавливаемого сечения колонн. Сборные фундаментные блоки позволяют в минимальные сроки смонтировать опорный несущий каркас при строительстве зданий любой степени сложности и разнообразных размеров. Так как выступающая прямоугольная ниша предоставляет возможность надежно вертикально закрепить колонны различной высоты. Использование при изготовлении фундаментов цельных под колонны 2Ф 12-9 бетонных растворов на основе марок В15-25 позволяет создать прекрасные условия повышенной устойчивости к механическим нагрузкам и неблагоприятным факторам атмосферы. Такие фундаментные блоки стаканного вида можно устанавливать для фиксации вертикальных опор разнообразной конструкции с поперечным сечением 300х300 либо 400х400 мм.

3. Обозначение маркировка изделия

На железобетонные фундаменты цельные под колонны 2Ф 12-9 в соответствии с рекомендациями проектного строительного документа Серия 1.020-1/83 наносится по буквенно-цифровой кодировке условное обозначение. Оно в лаконичной форме предоставляет информацию о типе фундамента и типоразмере, какой у них высота и размер подошвы, допустимой несущей способности.

К примеру, попробуем расшифровать маркировку на бетонном фундаменте под колонны 2Ф 12-9:

1. 2 – его тип;

2. Ф – это фундаментный блок стаканного типа;

3. 12 – размер стороны квадрата подошвы в дециметрах;

4. 9 – его высота;

5. 1 – показатель несущей способности.

Подбирая блок основания под опоры при возведении несущей конструкции для многоэтажного каркасно-панельного здания, рекомендуем ознакомиться с основными параметрами фундаментов цельных под колонны 2Ф 12-9:

Длина = 1200;

Ширина = 1200;

Высота = 900;

Вес = 2100;

Объем бетона = 0,83;

Геометрический объем = 1,296.

4. Изготовление и основные характеристики

Организуя изготовление фундаментов цельных под колонны 2Ф 12-9, любое специализированное предприятие основывается на информацию, предоставленную в строительном проектном документе Серия 1.020-1/83. В нем, специально разработанном специалистами для этого случая, приведены рабочие чертежи всех вариантов бетонных армированных изделий, схемы сборки пространственных каркасов и сеток, тонкости технологического процесса, правила приемки готовой продукции. Повышенные прочностные характеристики фундаментных сборных блоков достигаются за счет армирующих каркасов и усиливающих сеток. Для их изготовления применяют стальную рифленую горячекатаную упрочненную арматуру марки А-III. Ее соединение в пространственную конструкцию осуществляется с помощью контактной точечной сварки. Изготовление плитной прямоугольной подошвы и подколонников производится в стальных кассетах методом вибрационного формования с использованием тяжелых бетонов класса В15-25, способными обеспечить повышенную водонепроницаемость, стойкость и прочность. Такие растворы предотвращают образование производственных и эксплуатационных трещин на поверхности блоков.

5. Транспортировка и хранение

Бетонные армированные фундаменты цельные под колонны 2Ф 12-9 желательно складировать по высоте не больше шести ярусов. Укладывая их на ровную площадку, необходимо подкладывать деревянные брусья толщиной больше 60 мм. Такие прокладки нужно укладывать также между блоками в штабеле. Подробнее с тонкостями их транспортировки и хранения можно ознакомиться в Серии 1.020-1/83, специально разработанной для сборки конструкций многоэтажных каркасно-панельных зданий.