2ОСП 40-3

wsiha4prdcx1qd1
2ОСП 40-3

О товаре

Длина:1800
Ширина:650
Высота:450
Вес:1750
ГОСТ, Серия:-
Объем бетона:0,7 м3
Геометрический объем:0,5265 м3

Цена по запросу

ОПИСАНИЕ

Оголовки с платформенным опиранием 2ОСП 40-3 принципиально отличаются от популярных оголовков типа «Колокол» характером опирания на железобетонные сваи: их монтаж не предполагает наличия замоноличиваемой полости, что существенно повышает несущую способность изделий. Предназначены такие элементы для укрепления свайных фундаментов. Процесс установки довольно прост: оголовки 2ОСП 40-3 опираются непосредственно на торцевую поверхность сваи посредством выравнивающего слоя. Основные преимущества данных стройматериалов заключаются в их высокой трещиностойкости, низкой материалоемкости и минимизации мокрых процессов при монтаже.

1. Варианты маркировки

В соответствии с общепринятыми стандартами, каждое типовое железобетонное изделие может маркироваться исключительно по установленной последовательности буквенно-цифровых обозначений. Для фундаментных свайных оголовков интересующего нас типоразмера существуют такие актуальные варианты маркировки:

1. 2ОСП 40-2;

2. 2ОСП 40-3.

2. Основная сфера применения

Итак, оголовки с платформенным опиранием 2ОСП 40-3 нужны для проектирования и возведения свайных фундаментов для жилых и общественных зданий. Прелесть таких материалов состоит в их способности воспринимать впечатляющие нагрузки, а также устанавливаться как в обычных условиях, так и на вечномерзлых грунтах. Они применяются для сборных и сборно-монолитных ростверковых и безростверковых свайных фундаментов разного типа сечения в грунте и на открытом воздухе. Выдерживают морозы вплоть до -55 градусов, однако без специальной антикоррозийной защиты не могут применяться в агрессивных средах.

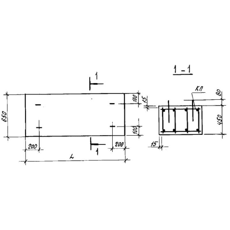
3. Обозначения маркировки изделия

Умения правильно читать марку железобетонного изделия существенно облегчает процесс ознакомления с технической документацией, а также упрощает и процесс сортировки стройматериалов на складах. Марка 2ОСП 40-3 расшифровывается так:

1. 2 – двойной (на 2 сваи);

2. ОСП – оголовок свайный с платформенным сопряжением;

3. 40 – сечение свай в мм.;

4. 3 – группа по несущей способности.

Упущенные в марке размерные характеристики данных конкретных изделий представлены следующими значениями:

Длина = 1800;

Ширина = 650;

Высота = 450;

Вес = 1750;

Объем бетона = 0,7;

Геометрический объем = 0,5265.

При маркировании готовых партий изделий указывается также дата их выпуска и логотип производителя. При этом обозначения наносятся черной стойкой к стиранию краской по специальным шаблонам.

4. Изготовление и основные характеристики

Согласно с типовым нормативом Серия 1.111.1-4 оголовки 2ОСП 40-3 изготавливаются в стальных опалубках соответствующей формы. Чтобы при бетонировании цементная смесь не прилипала к бортам формооснастки, их смазывают праймером, или другим подходящем веществом. Производство осуществляется поточно-агрегатным методом, что предполагает разбивку процесса на несколько стадий. На первом этапе в проектное положение монтируются элементы армирования будущей фундаментной основы. Это пространственные каркасы из стали класса Вр-І согласно с ГОСТ 6727-80 или А-І и А-ІІІ по ГОСТ 5781-82. Для максимальной надежности каркасы соединяются по технологии контактно-точечной сварки. Они монтируются в вышеупомянутые формы, закрепляются с помощью цементно-песчаных фиксаторов типа «РМ», а затем заливаются подсушенной бетонной смесью. Смесь в свою очередь изготавливается из тяжелого портландцемента марки М100 или М150 в зависимости от будущих условий эксплуатации, мелких заполнителей (фракционированного щебня из скальных пород типа гранит не крупнее 30 мм) для повышения стойкости к погодным воздействиям и пластификаторов, если того требует проект. Марка морозостойкости также зависит от условий монтажа и варьируется от F50 до F100.

Заготовки устанавливаются на вибрационные столы для максимального уплотнения, и начинается процесс усадки. После такого формования наступает этап сушки под действием высоких температур до достижения отпускного уровня прочности (70% в летний период и 100% в зимний). В конце концов, готовые изделия проходят приемку. Путем некритичных нагрузок они тестируются на трещиностойкость и прочность, а затем изучается поверхность изделий и их размерные характеристики.

5. Транспортировка и хранение

Конструкции интересующего нас типа необходимо складировать рассортированными по маркам штабелями. Оголовки 2ОСП 40-3 укладываются на специальные деревянные прокладки, толщина которых должна составлять не менее 10 см, что препятствует сгибанию монтажных петель. При перевозке блоки надежно закрепляются в неподвижном состоянии с помощью стальных и металлических лент. Погрузочно-разгрузочные работы должны осуществляться исключительно за монтажные петли с помощью соответствующей подъемной техники.