1ВК 8-10*

1ВК 8-10*
О товаре
Цена по запросу
ОПИСАНИЕ
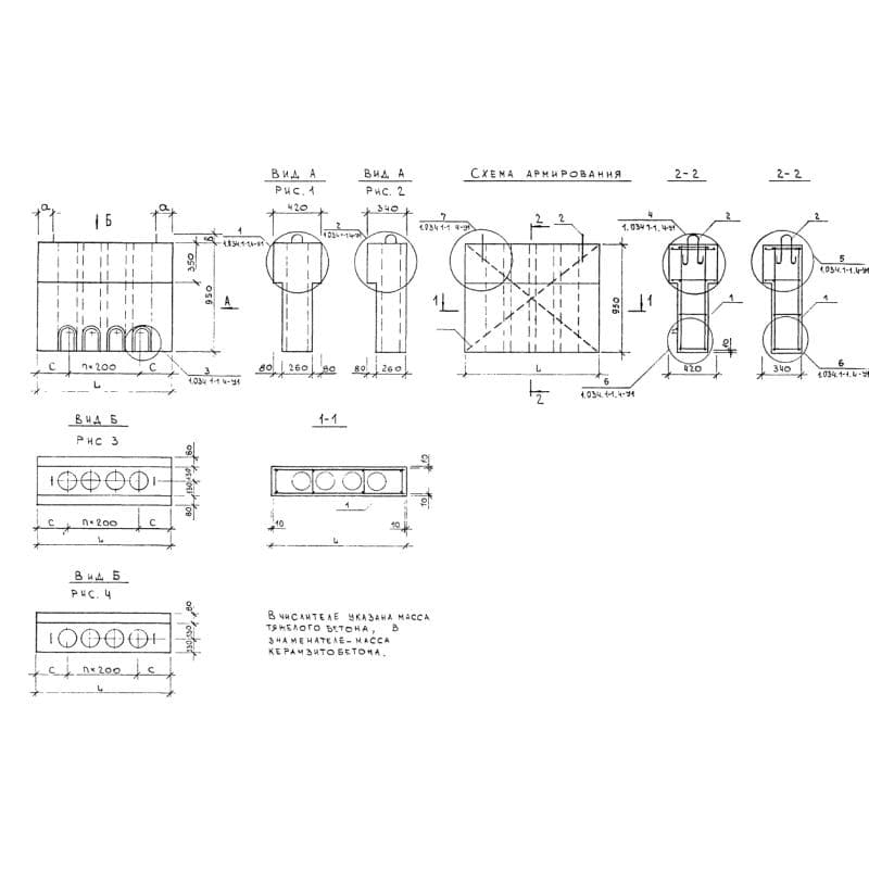
Вентблоки крышные 1ВК 8-10*– унифицированные железобетонные изделия прямоугольной формы. В поперечном сечении конструкция напоминает буку «Т». Характерной отличительной особенностью элементов является наличие сквозных круглых отверстий диаметром 159 мм, проходящих по всей длине. Нижняя часть блоков оборудована нишами для открытия каналов, ведущих через трубы к побудителю-дифлектору.
Высокопрочные вентиляционные крышные блоки широко используются при строительстве различных общественных и производственных зданий, вспомогательных промышленных предприятий и других сооружений. Они устанавливаются при возведении чердаков и являются заключительными элементами сооружения. Пустоты, расположенные в элементах обеспечивают вентиляцию здания и предотвращению развития грибков, плесени и накоплению влажности в помещениях. При разработке элементов учитывались требования СНиП II-21-75. Изделия рассчитаны на обычные условия эксплуатации. При применении в условиях агрессивной среды рекомендуется провести специальные защитные мероприятия, в соответствии со СНиП II-28-73.
Расшифровка маркировки
Для разработки маркировочных обозначений использовались рекомендации ГОСТ 23009-78. Знаки состоят из цифр и букв, и несут основную необходимую информацию о конструкциях. Совокупность символов 1ВК 8-10* имеет следующую расшифровку:
1. 1ВК – тип конструкции – вентиляционный блок крышный;
2. 8 – длина;
3. 10 – высота.
Кроме маркировочного обозначения на поверхность элементов может наноситься дата изготовления и информация о производителе. На изделиях, прошедших приемо-сдаточные испытания будет проставлен штамп отдела технического контроля.
Материалы и производство
Процесс производства вентиляционных блоков подробно прописан в Серии 1.034.1-1. В качестве основного материала используется тяжелый и легкий(на керамзите) бетон марки М200 по прочности на сжатие. Морозостойкость и водонепроницаемость подбираются под каждый типовой проект. Величина защитного бетонного слоя должна составлять 10 мм.
Объемные арматурные каркасы необходимо производить из стержневой высокопрочной проволоки класса Bp-I по ГОСТ 6727-80. Сваривание арматурных компонентов контактной точечной сваркой должно удовлетворять СН 393-78. Подъемные петли необходимо изготавливать из гладкой стали класса AI по ГОСТ 5781-82 марки ВСт3сп2 по ГОСТ 380-71. При необходимости монтажа в зимний период с температурой -40 применять сталь марки ВСт3пс2 запрещается. Обязательна антикоррозионная обработка металлических частей.
Бетонные поверхности, предназначенные под декоративную отделку должны соответствовать категории А2. Невидимые при эксплуатации части относятся к категории А7. Величины допустимых отклонений прописаны в Серии 1.034.1-1. Там же представлены рабочие чертежи конструкция. Прошедшие контрольные испытания элементы снабжаются необходимой документацией и допускаются к отгрузке.
Транспортировка и хранение
Для транспортировки и хранения вентиляционных блоков следует обеспечить сохранность вертикального положения. Допускается использование специальных кассет. Элементы должны стоять на надежной опоре, препятствующей соприкосновению с грунтом.
При осуществлении погрузочно-разгрузочного комплекса работ необходимо использовать специализированную технику. До начала транспортировки изделия необходимо надежно фиксировать в грузовом автотранспортном средстве для предотвращения продольных и поперечных смещений в процессе перевозки, способных привести к серьезным механическим повреждениям.