1К 36-3 м2

1К 36-3 м2
О товаре
Цена по запросу
ОПИСАНИЕ
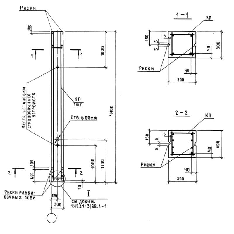
Колонны 1К 36-3 м2 – железобетонные элементы квадратного сечения, применяемые в строительстве одноэтажных зданий индустриального назначения (без опор для мостовых кранов). Конструктивно изделие представляет собой монолитный стержень. Принято поперечное сечение 300х300 мм. Колонна имеет технологические уступы или консоли для опирания на них стропильных и подстропильных конструкций.
1. Варианты написания маркировки
Знаки маркировки записывают следующими вариациями:
1. 1К 36-3 м2;
2. 1К 36-3 м2;
3. 1К 36.3 м2.
2. Основная сфера применения
Колонны 1К 36-3 м2 применяют в строительстве промышленных одноэтажных зданий и сооружений без мостовых опор кранов. Оптимально использовать изделия данного вида во всех климатических регионах, в том числе в районах с высокой сейсмоактивностью.
Монтаж колонн связан с множеством особенностей. Их подъем должен осуществляться только из положения "на ребро". Требуется использование спецтехники, которую обслуживает квалифицированный персонал. Для облегчения сборки каркаса здания колонны имеют специальные разбивочные оси (риски), которые позволяют установить конструкции в проектное положение в соответствии с осями верхов балок и фундамента.
3. Обозначение маркировки
Знаки условного обозначения формируются из буквенно-цифровой комбинации согласно Серии 1.423.1-3/88. Указывают основные данные, позволяющие подобрать изделия в соответствии с конкретной ситуацией эксплуатации, а также рассортировать готовую продукцию по видам и маркам.
Маркировка 1К 36-3 м2 состоит из следующих данных:
1. 1 – номер типоразмера для данной высоты этажа;
2. К – колонна, тип конструкции;
3. 36 – высота этажа, параметр указывается в дециметрах и записывается с округлением до целого числа для удобства чтения и восприятия обозначения;
4. 3 – номер группы несущей способности;
5. м2 – условное сокращение марки применяемых бетонов.
Дополнительно указывают дату выпуска партии ЖБИ, вес конкретного изделия и краткое наименование предприятия-изготовителя. Шифр наносят при помощи трафаретов (не должна стираться на протяжении всего срока эксплуатации).
Технические данные:
Длина = 4400;
Ширина = 300;
Высота = 300;
Вес = 1000;
Объем бетона = 0,396;
Геометрический объем = 0,396.
4. Основные материалы и применяемые технологии
Производят железобетонные колонны 1К 36-3 м2 методом виброформования в металлических опалубках с цементно-песчаными фиксаторами стальной арматуры. Выемка бетонного сырца по мере достижения нормативной прочности 70% выполняется за строповочные петли или инвентарные отверстия. Процесс организуется в условиях специализированного завода, где осуществляется проведение комплекса приемо-сдаточных испытаний качества готовой продукции. На основании контроля составляется сопроводительная документация.
Основным материалом для колонн промышленных зданий и сооружений служит высококачественный бетон. В соответствии с данными рабочего проекта и определенными условиями эксплуатации подбирают марку бетона по морозостойкости, водонепроницаемости, трещиностойкости, а также косвенные параметры по проницаемости и коррозионной стойкости. Огнестойкость составляет 2,5 часа.
Прочностные свойства колонн 1К 36-3 м2 повышают методом армирования стальными конструкциями, изготавливаемыми из стержневой арматуры класса стали А-100 и А-300 (допускается брать термически упрочненные стержни) и периодического профиля класса Вр-1. В тело балки закладывают различные детали, которые используют для крепления стропильных и подстропильных блоков. Подъем и перемещение элементов на строительном объекте выполняется за строповочные петли. Их изготавливают из стали марки ВСт3сп2 и ВСт3пс2 (данная марка не применяется, если монтаж колонн будет производиться при температуре ниже -40 градусов) согласно ГОСТ 5781-82. Петли могут быть изготовлены из периодического профиля хорошей свариваемости Ас-200. Стальные узлы покрывают антикоррозионными составами.
5. Транспортировка и хранение
Колонны 1К 36-3 м2 перед транспортировкой, погрузкой и монтажом проверяют как шарнирно-опертые балки с консолями, загруженные равномерно-распределенной нагрузкой от собственного веса. Для перевозки используют все виды спецтранспорта, в том числе водный и железнодорожный. Складирование изделий осуществляется штабелями высотой до 2 метров. Элементы укладывают в горизонтальное положение, слои прокладывают деревянными досками.