2ПС 27,5-21-3,0 л

2ПС 27,5-21-3,0 л
О товаре
Цена по запросу
ОПИСАНИЕ
Панели стеновые 2ПС 27,5-21-3,0 л представляют собой тяжелые железобетонные изделия, которые нашли широкое применение в современном строительстве. На сегодняшний день возведение жилых домов редко обходится без использования этих материалов. В качестве конструкционных элементов сборных зданий, панельные стены более практичны, чем железобетонные блоки, за счет большего размера.
ЖБ-материалы данного типа можно применять при строительстве как отапливаемых, так и неотапливаемых зданий. Они делятся на несколько видов, в зависимости от способности удерживать тепло, стойкости к погодным условиям и назначению: несущие и ограждающие панели применяются для строительства безкаркасопанельных зданий, а исключительно ограждающие – для каркасопанельных.
Наружную поверхность внешних стен, выполненных из этих материалов, отделывают декоративными растворами или бетоном, а также покрывают стойкой к атмосферным воздействиям краской. Их также можно облицовывать плиткой. Внутренние стены заштукатуривают и клеят на них обои. Поэтому качественные изделия обладают ровной гладкой поверхностью удобной для отделочных работ.
1. Варианты маркировки
Маркировка стеновых панелей строго соответствует правилам, прописанным в действующей Серии 1.030.1-1/88. Она несет исчерпывающую информацию о габаритах и технических характеристиках ЖБ-панелей и наносится следующими способами:
1. 2ПС 27,5-21-3,0 л;
2. 2ПС 27,5-21-3,0 л;
3. 2ПС 27,5-21-3,0;
4. 2ПС 27,5-21-3,0 я.
2. Основная сфера применения
Применение таких железобетонных элементов как панели стеновые 2ПС 27,5-21-3,0 л широко распространено при строительстве многоэтажных жилых зданий панельного типа. Они могут служить материалами для возведения наружных, внутренних стен и перегородок.
3. Обозначение маркировки изделия
Как уже было сказано выше, порядок маркировки стеновых панелей 2ПС 27,5-21-3,0 л регламентируется действующим техническим документом Серия 1.030.1-1/88. Все тонкости прописаны в Выпусках данного регламента. Марка содержит все технические особенности панелей. Она состоит из четырех групп обозначений, которые в свою очередь содержат буквенные и цифровые индексы, что расшифровываются следующим образом:
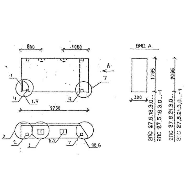
1. 2ПС – панель стеновая рядовая для внутреннего угла (зеркальная);
2. 27,5 – длина в дм.;
3. 21 – высота, в дм.;
4. 3,0 – толщина в дм.;
5. «я» – ячеистый бетон (л - легкий бетон, т - тяжелый бетон).
Что касается габаритов стеновых панелей этой марки, то они довольно универсальны:
Длина = 2750;
Ширина = 300;
Высота = 2085;
К дополнительным габаритным значениям также относят следующие показатели:
Вес = 2420;
Объем бетона = 1,658;
Геометрический объем = 1,7201.
Производитель железобетонных материалов обязан исправно маркировать готовые изделия стойкой краской прежде, чем они поступят на хранение или к покупателю. Это ускоряет сортировку продукции и способствует порядку на складах.
4. Изготовление и основные характеристики
В зависимости от того, какой тип бетона будет применяться для изготовления стеновых панелей 2ПС 27,5-21-3,0 л – легкий или ячеистый, основные требования к материалам несколько отличаются. Панели первого типа делаются из легкого бетона с пористыми заполнителями: керамзитобетон, перлитобетон, аглопорито- и шлакопемзобетон отлично подходят для этого. Их класс по прочности должен составлять не менее В3,5. Кроме того в конструкции таких панелей предусмотрены внешние и наружные фактурные слои из цементно-песчаного раствора.
Ячеистые бетоны класса В2,5 не так привередливы и не требуют дополнительной изоляции. Формование происходит в горизонтальных формах с закрытыми бортами, куда предварительно монтируют пространственный каркас будущего изделия, закладные элементы и строповочные петли. Для изготовления каркасов служит арматурная сталь класса А-ІІІ и проволока класса Вр-І. Все стальные элементы соединяются методом контактно-точечной сварки и покрываются специальными антикоррозийными веществами.
Для быстрого достижения сырцом необходимой прочности применяется технология виброформования. После изделия подвергают термической обработке (сушке), освобождают от форм и отправляют на прохождение ряда приемо-сдаточных испытаний.
5. Транспортировка и хранение
Условия хранения стеновых панелей должны исключать любые возможные повреждения. Их складируют на специальных крытых площадках, в полной изоляции от вредоносных воздействий окружающей среды. Вертикально расположенные элементы опирают на деревянные доски толщиной не менее 30 мм, а для погрузки применяется подъемное оборудование.
При транспортировке безопасность продукции обеспечивается путем их помещения в специальные кассетные стойки. Там они находятся в вертикальном положении, или немного под углом. Такое тщательное отношение позволяет гарантировать неподвижность изделий и доставлять панели стеновые 2ПС 27,5-21-3,0 л в полной целости и сохранности.