1ПР 8-27-12-19 у

1ПР 8-27-12-19 у
О товаре
Цена по запросу
ОПИСАНИЕ
Перемычки брусковые 1ПР 8-27-12-19 у представляют собой высокопрочные строительные элементы из железобетона, прямоугольной или трапециевидной формы (нижняя грань может иметь меньшую длину, чем верхняя в пределах 4 мм), прямоугольного сечения. Продукция широко применяется для создания проемов при строительстве в обычных условиях объектов из кирпича высотой 88 мм различного назначения (разработана для жилых и общественных зданий) и пользуется заслуженной популярностью среди застройщиков благодаря разнообразию видов, высоким показателям несущей способности и удобству для монтажа.
1. Варианты маркировки
Представленная производителем продукция отличается характеристиками и, соответственно, маркировкой (ниже приводится расшифровка индекса):
1. 1ПР 24-25-19-28;
2. 1ПР 24-25-22-28.
2. Основная сфера применения
Перемычки брусковые 1ПР 8-27-12-19 у применяются при возведении зданий общественного назначения, жилых домов из кирпича высотой 88 мм для решения задачи перекрытия различных по назначению проемов с четвертью до 250 мм. Реализация самых разнообразных строительных проектов осуществляется благодаря многочисленности разработанных в серии вариантов брусковых перекрывающих элементов. Разные по расчетной нагрузке перемычки могут использоваться в самонесущих стенах или применяться также для опирания плит перекрытия или плит балконов. Регулируемая производителем (на основании информации, указанной в проекте заказчика) морозостойкость позволяет создавать фасадные проемы в регионах с расчетной температурой ниже -40С или внутри отапливаемых помещений. Дополнительная защита армирования предотвращает внутреннюю коррозию, увеличивая сроки полноценного функционирования изделия в местах эксплуатирования.
3. Обозначение маркировки
1. 1ПР – обозначение принадлежности к перемычкам брусковым шириной до 250 мм;
2. 27 – округленная до целого числа длина (указана в дециметрах);
3. 12 – ширина (указана в дециметрах);
4. 19 – высота (указана в сантиметрах);
5. 8 – показатель расчетной нагрузки;
6. АVт – марка стали армирования.
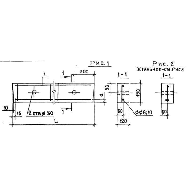
Наличие в конце маркировки «у» показывает, что элемент имеет усиленную несущую способность и может использоваться под нагрузкой не только собственного веса и кирпичной кладки сверху, но рассчитан и на вес опираемой плиты перекрытия.
«В» не относится к маркировке, но помогает установить перемычку в правильном положении, так как наносится на верхнюю грань.
Перемычки брусковые 1ПР 8-27-12-19 у имеют такие габаритные размеры:
Длина = 2720;
Ширина = 120;
Высота = 190;
Вес = 155;
Объем бетона = 0,06;
Геометрический объем = 0,062.
4. Материалы изготовления и характеристики изделия
Перемычки брусковые 1ПР 8-27-12-19 у изготавливаются в соответствии с высокими стандартами качества, придерживаясь норм, в заводских условиях, с точным соблюдением проверенной и отлаженной технологии из высококачественных составляющих, придающих готовой продукции свойства прочности, долговечность и надежность. Армируется конструкция в соответствии с шириной: 120 мм – плоскими сварными каркасами, 250 мм – арматурными блоками. Для производства каркасов берется сталь класса А-111 и проволока Вр-1, марка стали отображается в маркировке перемычки (может изменяться для разных температурных регионов). Бетонирование перемычек осуществляется смесью марки М 200, с определяемой проектом морозостойкостью. Изделие не имеет монтажных петель (возможна установка по согласованию с заказчиком) для монтажа и погрузочных работ предусмотрены отверстия диаметром 30 мм, заделываемые после установки в местах эксплуатирования. После достижения бетоном прочности, соответствующей отпускному показателю (не менее 70% проектной) прошедшие испытания контроля качества в установленном порядке, маркированные перемычки брусковые 1ПР 8-27-12-19 у поставляются заказчику с сопроводительной документацией.
5. Складирование, транспортировка и хранение
Перемычки брусковые 1ПР 8-27-12-19 у хранят и транспортируют в пакетах или штабелях. Для укладывания в штабели на тщательно выровненную поверхность укладывают подкладки из дерева толщиной от 40 мм, следующий вертикальный ряд укладывается на прокладки такой же толщины (а при наличии петлевых выпусков толщина прокладки должна минимум на 20 мм превышать размер выступающей части петель). Для равномерности распределения нагрузки, подкладки должны быть расположены строго вертикально одна над другой. Погрузка и выгрузка выполняется спецтехникой с использованием строповочных приспособлений и монтажных отверстий (или петель) по одному строительному элементу или краном пакетами. Недопустимо выгружать продукцию из железобетона сваливанием. Для транспортирования требуется надежное закрепление проволокой.