9ПБ 29-4 (ГОСТ 948-84)





9ПБ 29-4 (ГОСТ 948-84)
О товаре
Цена по запросу
ОПИСАНИЕ
Перемычки брусковые 9ПБ 29-4 (ГОСТ 948-84) являютяся специальными элементами для перекрытия в жилых зданий или технических сооружений из кирпича различных проемов. Благодаря 9ПБ 29-4 (ГОСТ 948-84) в такие проемы можно вставлять двери и окна без последствий обрушения конструкции. Железобетонные бруски используют при обустройстве ненесущих стен с целью создания надежных и долговечных конструкций.
Железобетонные элементы 9ПБ 29-4 (ГОСТ 948-84) имеют специальные монтажные петли, что существенно облегчает их монтаж на объект. Прочность сооружения достигается путем воспринятия основных нагрузок на перемычки от вышерасположенных стен и прочих элементов, гарантируя тем самым надежность всего строения. Стоит отметить, что это абсолютно негорючие и экологически чистые изделия, поэтому применение в жилых домах полностью безопасно и экономически оправдано.
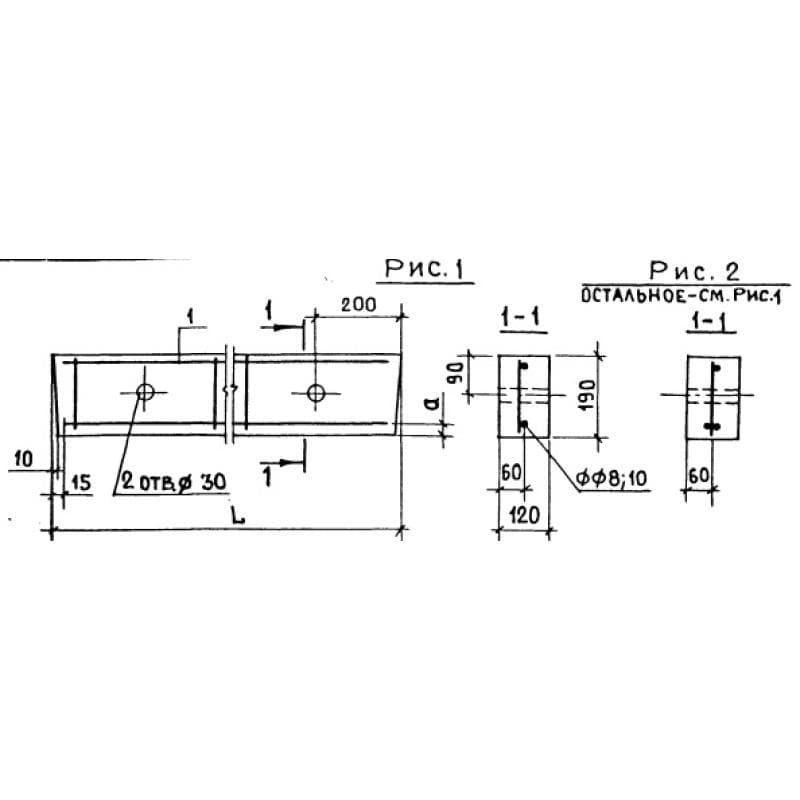
1.Варианты написания маркировки.
Данные железобетонные брусковые перемычки 9ПБ 29-4 (ГОСТ 948-84) маркируют согласно ГОСТ 948-84, согласно которому указывают порядковый номер группы, тип изделия и его размерные ряды. Марка может быть написана разными вариантами:
1. 9ПБ 29-4;
2. 9ПБ 29-4 п.
2.Основная сфера применения.
Брусковые перемычки 9ПБ 29-4 (ГОСТ 948-84) применяют в гражданском и административном строительстве при обустройстве оконных и дверных проемов размером от 1,2 до 2, 8 метров. Стены из кирпича для данной марки перемычек должны иметь толщину не более 65 см. Перемычка рассчитана на то, чтобы воспринимать вес от вышерасположенных стен, кровельной конструкции, а также на нагрузки от собственного веса.
Железобетонные изделия рассчитываются также на работу под статическими и динамическими нагрузками при изгибающих и сжимающих деформациях. На перемычки 9ПБ 29-4 (ГОСТ 948-84) опирание перекрытий не предусмотрено, при этом расчетная нагрузка составляет 400 кгс/м (данная нагрузка не рассчитана на работу в конструкции несущих стен). Таким образом, брусковая перемычка – это основная опора, используемая для укрепления стен в оконных и дверных проемах. При укладке брусков все швы заполняют цементным раствором.
Железобетонные элементы 9ПБ 29-4 (ГОСТ 948-84) могут быть использованы в различных агрессивных средах. За счет того, что данные изделия изготовлены из армированного железобетона, их можно применять в условиях воздействия агрессивной среды, как сильный ветер, низкие температуры, а также с расчетной сейсмоактивностью до 7 баллов по шкале Рихтера.
3.Обозначение маркировки изделий.
Условная маркировка брусковой перемычки 9ПБ 29-4 (ГОСТ 948-84) производится согласно ГОСТ 948-84 и включают обозначение, по которому можно определить тип изделия и его основные размерные группы, а также технические характеристики и основное предназначение.
Расшифровка 9ПБ 29-4 (ГОСТ 948-84) включает в себя:
1. 9 – порядковый номер поперечного сечения бруска;
2. ПБ – перемычка брусковая;
3. 29 – размерная группа, расчетная длина, в дм.;
4. 4 – расчетная нагрузка в кн/м. В маркировке указывается с округлением до целого числа, для удобства написания;
5. Дополнительно могут быть указаны следующие параметры: "П" – наличие строповочных петель в изделии; "А" – анкерные выпуски, для крепления балконов; геометрический объем одного изделия – 0,065 , объем бетона- 0,065 .
Перемычки 9ПБ 29-4 (ГОСТ 948-84) имеет следующие габаритные размеры – 2850х120х190 , где соответственно указаны длина или номинальная высота изделия, ширина и высота (сечение прямоугольное). Маркировку наносят на боковые грани специальной краской и дополнительно указывают дату изготовления партии и массу изделия (162).
4.Материалы для изготовления и основные характеристики.
Основными материалами для изготовления брусковых перемычек 9ПБ 29-4 (ГОСТ 948-84) являются тяжелые бетоны. За счет высоких марок достигается большая прочность готовых изделий. Так, используют бетон марки М200 с классом по прочности на сжатие не менее чем В15. Данные материалы характеризуются также высокой морозостойкостью (используются марки на 150 циклов замораживания-размораживания) и определенной водонепроницаемостью – марка W2, изделие воздействию водной среды, как правило, не подвергается. Плотность такого бетона составляет порядка 2200-2500 кг/м3. Бетонная брусковая перемычка относится к разряду несгораемых конструкций, которые имеют предел огнестойкости в 1 час.
Армируют железобетонные бруски 9ПБ 29-4 (ГОСТ 948-84) горячекатаной или предварительно напряженной арматурой класса АIII диаметром 12 мм. Для этого изготавливается стальной каркас тип КР22 контактно-точечной сваркой. Это позволяет достичь примерно 70% нормируемой прочности бетона для изготовления железобетонных перемычек. Для удобства монтажа бруски имеют закладные детали или строповочные отверстия. Все элементы проходят антикоррозионную обработку.
5.Хранение и транспортировка.
Транспортировка перемычек 9ПБ 29-4 (ГОСТ 948-84) производится при помощи спецтранспорта в контейнерах в уложенном горизонтальном положении. Во избежание растрескивания брусков, их прокладывают деревянными досками. Хранят изделия в штабелях высотой до 2,5 метров. Прокладочный материал укладывается по концам перемычек.