2КН 28-37-1-3 сп (1.020.1-6сп)

2КН 28-37-1-3 сп (1.020.1-6сп)
О товаре
Цена по запросу
ОПИСАНИЕ
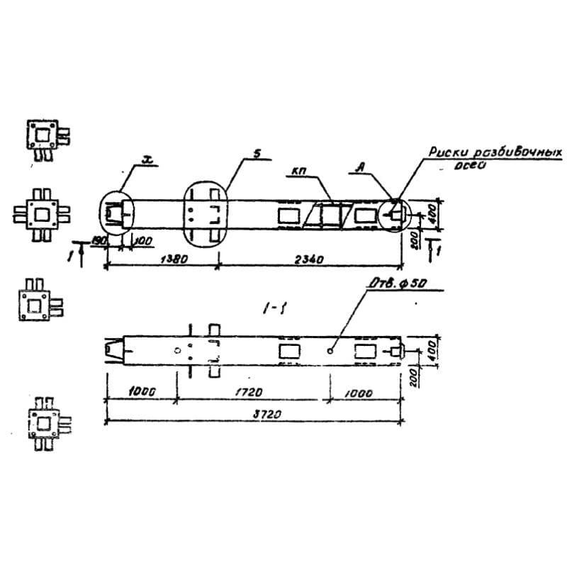
Колонны 2КН 28-37-1-3 сп (1.020.1-6сп)– высокопрочные железобетонные изделия прямоугольной формы с квадратным поперечным сечением. В верхней части конструкции размещены выпуски арматуры, предназначенные для соединения изделий с диафрагмами поперечного и продольного направлений. Опирание диафрагм осуществляется на металлические уголки, расположенные в нижней части элементов.
Основной сферой применения колонн является возведение каркасных общественных зданий на просадочных грунтах. Они используются в сооружениях с высотой технического подполья 2 м, подвала 2,8, 3,3 и 3,6 м. Подходят для зон с сейсмичностью до 6 баллов. Железобетонные колонны применяются в качестве связующих элементов каркаса здания между диафрагмами нулевого цикла и позволяют создать жесткую коробку подвальной части. Элементы имеют существенные сортамент, позволяющий применять изделия по наружным осям, внутренним осям с жесткими рамными узлами и при обустройстве угловых частей здания. При разработке конструкций учитывались требования СНиП 2.03.01-84.
Расшифровка маркировки
Находящиеся на поверхности конструкций маркировочные обозначения упрощают процедуру поиска необходимых элементов. Знаки состоят из цифровых и буквенных обозначений, наносимых несмываемой масляной краской, и отражают ключевые характеристики. Совокупность символов 2КН 28-37-1-3 сп (1.020.1-6сп) трактуется:
1. 2 – тип изделия в плане (2 – по внутренним осям с жесткими рамными узлами, 3 – по наружным осям, 5 и 5 с индексом н в конце маркировки – угловые);
2. КН – тип конструкции – колонна нижняя;
3. 28 – высота технического подполья или подвала;
4. 37 – длина;
5. 1 – индекс несущей способности;
6. 3 – количество выпусков (1 – по 2 в 6 направлениях, 2 – 4 в продольном и 2 в поперечном направлении, 3 – по 4 в обоих направлениях);
7. сп – изделие разработано для сейсмических районов на просадочных грунтах.
Индекс «н» в конце маркировки означает зеркальное отображение колонны.
Материалы и производство
Железобетонные колонны 2КН 28-37-1-3 сп (1.020.1-6сп) разработаны по Серии 1.020.1-6сп. По условиям нормативного документа в качестве главного материала выступает тяжелый бетон класса В25. Марки бетона по водонепроницаемости и морозостойкости подбираются индивидуально под каждый типовой проект.
Изделия армируются специальными пространственными каркасами из отдельных продольных стержней, замкнутых хомутов и сеток косвенного армирования. С этой целью применяется горячекатаная сталь классов AI и AIII по ГОСТ 5781-82. Для удобства транспортировки и монтажа в теле конструкции имеются специальные строповочные отверстия диаметром 50 мм. Закладные детали производятся из сортового проката. Для защиты металлических составляющих от коррозионных образований следует использовать средства, рекомендованные СНиП 2.03.11-85.
Перед поставкой обязательно прохождение приемо-сдаточных испытаний.
Транспортировка и хранение
Основание для хранения колонн должно иметь плотную структуру. Укладка допускается в один ряд или штабеля не выше 2 м. При однорядном хранении высота подкладок (с учетом возможности кантовки) равна 200 мм. Расстояние между изделиями 400-500 мм. В штабелях толщина подкладок должна составлять 40 мм. Располагать изолирующие материалы следует под отверстиями. Выступающие части конструкции должны быть защищены от механических повреждений.
Погрузочно-разгрузочные работы следует производить с помощью балансирной траверсы и пальцевых захватов, пропускаемых в отверстия. Необходимо соблюдать правила и нормы техники безопасности.