2ФТ 18-6 АV

2ФТ 18-6 АV
О товаре
Цена по запросу
ОПИСАНИЕ
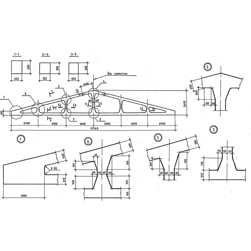
Фермы 2ФТ 18-6 АV – представляют собой сложное сооружение, используемое для возведения укрытия в однопролетных либо многопролетных зданиях. Они представляют собой железобетонную конструкцию треугольного типа с вертикальной перемычкой посередине. Более подробное описание этих железобетонных изделий можно посмотреть в Серии 1.063.1-4. В этом нормативном документе представлены рабочие чертежи и схемы вариантов ферм, применяемых в современном строительстве.
1. Варианты маркировки
На любое изделие из армированного бетона обязательно наносится условное обозначение по буквенно-цифровой системе. Оно позволяет кратко и доступно информировать о его форме, типе конструкции, габаритных размерах, несущей способности, марке применяемой арматуры. Все возможные варианты маркировки фермможно посмотреть в Серии 1.063.1-4.
1. 2ФТ 18-4 АIIIв;
2. 2ФТ 18-1 АIV;
3. 2ФТ 18-1 АV;
4. 2ФТ 18-5 АIIIв;
5. 2ФТ 18-2 АIV;
6. 2ФТ 18-6 АV.
2. Основная сфера применения
Фермы 2ФТ 18-6 АV используются для укрытия однопролетных производственных и сельскохозяйственных зданий основного или вспомогательного назначения, имеющие длину до 72 метров с уклоном кровельного покрытия 1 к 4. Эти железобетонные изделия используются для облегчения несущей конструкции перекрытия пролетов зданий шириной до 18 метров. Также они применяются в виде опоры для элементов кровельного покрытия. Эти железобетонной конструкции Серии 1.063.1-4 широко используются в зданиях без отопления при монтаже железобетонных ребристых плит с габаритными размерами 6,0х1,5 либо 6,0х3,0 метров и укладке кровельного покрытия из листовых материалов. Фермы 2ФТ 18-6 АV можно эксплуатировать в широком диапазоне температур наружного воздуха от -50 до +50С. Их рекомендуется использовать в слабоагрессивной газообразной среде согласно СНиП 2.03.11-85 и в районах с допустимой сейсмичностью до 8 баллов. Также фермы Серии 1.063.1-4 разрешается устанавливать в зданиях без подвесного грузоподъемного оборудования либо оборудованными монорельсами грузоподъемностью до 2 тонн.
3. Обозначение маркировка изделия
Выбирая железобетонную ферму 2ФТ 18-6 АV для обустройства кровли в многопролетном здании, желательно подробно изучить условное буквенно-цифровое обозначение на боковой грани опорного узла. Используя нормативный документ Серия 1.063.1-4, попробуем расшифровать маркировку на ферме 2ФТ 18-6 АV:
1. 2 – типоразмер опалубки;
2. ФТ – имеет треугольную форму;
3. 18 – ее длина в метрах;
4. 6 – условный номер несущей способности изделия;
5. АV – класс используемой арматуры.
При проектировании здания с использованием ферм 2ФТ 18-6 АV необходимо учитывать, что они имеет следующие параметры:
Длина = 17960;
Ширина = 220;
Высота = 2695;
Вес = 6400;
Объем бетона = 2,56;
Геометрический объем = 10,6485.
4. Изготовление и основные характеристики
Изготовление железобетонных ферм 2ФТ 18-6 АV организуется на основании нормативных требований и чертежей Серии 1.063.1-4. В ней описываются требования к изготовленному изделию, порядок испытания и приемки готового изделий. Повышенные прочностные параметры несущей конструкции, снижающие ее деформацию в процессе эксплуатации и случайное ее разрушение, обеспечивается заложением в ее конструкцию армированных пространственных каркасов и сеток. Для изготовления этих металлических элементов используется стальная рифленая упрочненная горячекатаная арматура марки АIIIв, свариваемая по технологии точечной контактной сварки. Предварительная сборка армирующей конструкции применяется способ монтажной обвязки каркаса специальной проволокой. Для заливки стального каркаса фермы и создания товарного изделия используется бетон тяжелых марок В15-30, обладающих пониженной водопроницаемостью, прекрасной прочностью и повышенной стойкостью к трещинообразованию, например, М300-600.
5. Транспортировка и хранение
Железобетонные фермы 2ФТ 18-6 АV рекомендуется хранить на складе в вертикальном положении с опиранием на деревянные прокладки, устанавливаемых в районе опорных площадок изделия. Прокладки должны быть толщиной не менее 40 мм и ширина более 300 мм. При складировании необходимо обеспечивать возможность свободной их строповки и подъема. Транспортирование ферм должно производиться в соответствии с общими правилами, установленными ГОСТ 13015.4-84. Они должны транспортироваться в вертикальном положении с наклоном до 10° с опиранием на опорные узлы нижнего пояса и деревянные или резиновые подкладки. Более подробно с условиями транспортировки и хранения ферм 2ФТ 18-6 АV можно ознакомиться в Серии 1.063.1-4, специально разработанной для этих изделий.