1ПП 1

1ПП 1
О товаре
Цена по запросу
ОПИСАНИЕ
Плиты ребристые 1ПП 1 – это железобетонные изделия небольшого размера, разработанные для использования в строительстве одноэтажных производственных зданий в качестве покрытия. Высокопрочные строительные элементы рассчитаны на функционирование в различных погодных и температурных условиях, снеговых регионах, независимо от того, отапливается ли помещение. Благодаря применяемым для производства материалам, технологии, плиты имеют отличные показатели прочности, морозостойкости и водонепроницаемости. Армирование защищено от внутренней коррозии специальным покрытием. Плиты могут иметь дополнительные закладные изделия, или изготавливаться без закладных элементов, предназначенных для сварного соединения с опорой (в случаях, когда соединение предусмотрено без использования сварки).
1. Варианты маркировки
Несколько вариантов плит Серии 1.465.1-19 разработаны для решения более широкого спектра строительных задач. На каждой плите нанесена при производстве маркировка (расшифровку смотрите ниже), отображающая различия в изделиях. Производителем представлены следующие марки плит серии:
1. 1ПП 1;
2. 2ПП 1
2. Основная сфера применения
В Серии 1.465.1-19 разработаны плиты, предназначенные для строительства производственных одноэтажных зданий при создании покрытия. Плиты применяют для отапливаемых и неотапливаемых помещений, возводимых в обычных условиях строительства с различной степенью агрессивности среды – неагрессивной, при слабой и средней агрессивности. Допустимые температурные показатели для плит этого типа – до +50С для зданий, возведенных в температурных регионах со средней расчетной температурой не ниже -40С. Снеговые районы применения 1-1V, сейсмичность – до 8 баллов. Плиты ребристые 1ПП 1 разработаны для монтажа по железобетонным или стальным прогонам с шагом 3 и 1,5 метра, с различными вариантами соединения. Для сварного соединения с опорой предусмотрены закладные изделия.
3. Обозначение маркировки
Наносится маркировка производителем на каждую, изготовленную в заводских условиях, плиту. Индекс, состоящий из групп букв и цифр, показывает основные характеристики продукции – название, типоразмер, несущую способность и другие существенные параметры плиты. На примере плиты ребристой 1ПП 1:
1. ПП – плита ребристая;
2. 1 – номер типоразмера плиты из разработанных в серии;
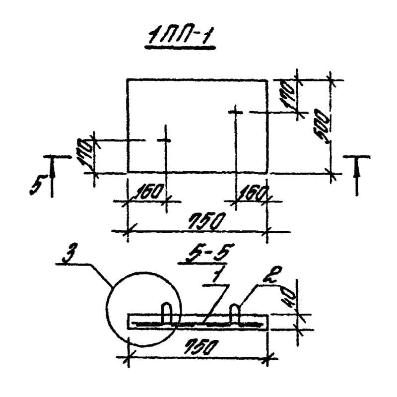
Плиты ребристые 1ПП 1 характеризуют следующие габаритные размеры:
Длина = 750;
Ширина = 500;
Высота = 40;
Вес = 40;
Объем бетона = 0,015;
Геометрический объем = 0,015.
4. Материалы изготовления и характеристики изделия
Производство плит покрытия выполняется в заводских условиях с помощью специализированного оборудования строго в соответствии с технологией. Для изготовления плит ребристых 1ПП 1 материалы тщательно подбираются в соответствии с требуемыми для проекта параметрами. Для производства используется тяжелый бетон класса В 15, показатели водонепроницаемости и морозостойкости назначаются в соответствии с условиями эксплуатирования, температурным регионам. Сетки изготавливается из стержневой горячекатаной арматуры периодического профиля класса А 111 и обыкновенной арматурной проволоки класса Вр-1 методом контактной точечной сварки. Армирование плит ребристых 1ПП 1 выполняется сетками и отдельными стержнями арматурной стали класса А 111 периодического профиля. Все компоненты армирования обрабатываются антикоррозийной смесью, соответствующей условиям эксплуатирования, с учетом агрессивности среды. После достижения бетоном отпускной прочности (в теплое время года – 70%, в холодное – 85% от проектной) плиты проходят ряд испытательных и контрольных процедур, выявляющих реальные характеристики изделий. На основании полученной информации продукция документируется и маркируется. Заказчику поставляются высококачественные плиты ребристые 1ПП 1, полностью соответствующие требованиям проекта.
5. Складирование, транспортировка и хранение
Для складирования и транспортирования плиты ребристые 1ПП 1 сортируют отдельно от плит других марок и укладывают в штабели высотой до 2 метров. Для этого на выровненное основание устанавливают деревянные подкладки толщиной не меньше 30 мм, длиной не меньше, чем ширина опираемой поверхности. Между плитами, строго одна над другой в каждом следующем вертикальном ряду располагают деревянные подкладки. При складировании необходимо обеспечить свободный доступ для осмотра заводской маркировки, а так же для захвата и подъема плит. Погрузочные работы выполняются спецтехникой, при транспортировании необходимо тщательно зафиксировать плиты проволокой для того, чтобы исключить смещения, удары и трения, из-за которых могут образоваться сколы, трещины или другие деформации, ухудшающие характеристики продукции.