2КН2 4-28(20)-21 (Б1.020.1-7)

2КН2 4-28(20)-21 (Б1.020.1-7)
О товаре
Цена по запросу
ОПИСАНИЕ
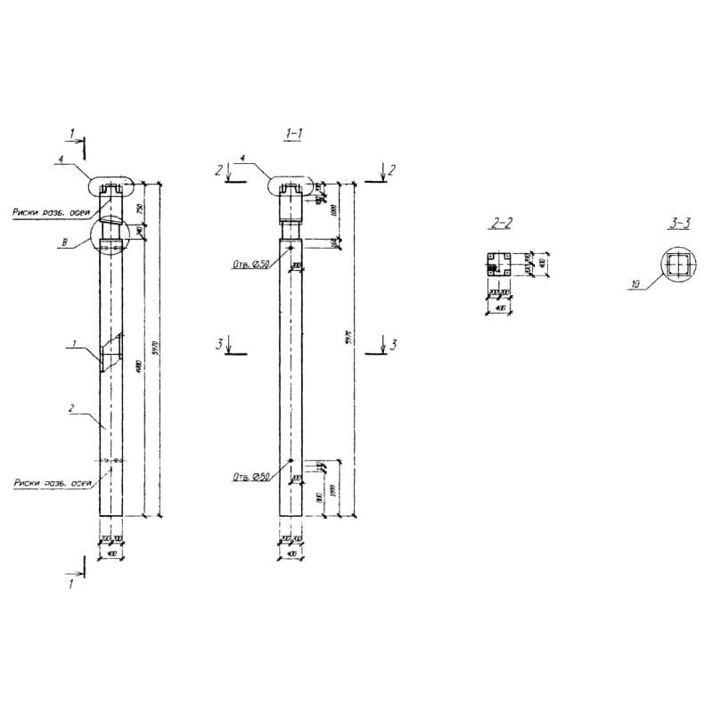
Колонна 2КН2 4-28(20)-21 (Б1.020.1-7) представляет собой унифицированную высокопрочную строительную конструкцию прямоугольной формы, в поперечном разрезе имеющую квадратное сечение. Особенностью изделия является наличие проема в уровне перекрытия для пропуска стальных выпусков смежных конструкций. Данный строительный элемент применяется при создании сборно-монолитной каркасной системы МВБ-01, а композиционный материал, из которого выполнена колонна - армированный бетон, позволяет изделию являться несущим элементом в каркасе. В целом, такие сборно-монолитные сооружения предназначены для постройки зданий различного назначения, а колонны, входящие в их состав, могут применяться в случае высоты постройки до 5 этажей и с высотой этажей 2,8 и 3,3 метра, а также с полами по грунту или с трехподполем. Климатическими условиями для эксплуатации 2КН2 4-28(20)-21 (Б1.020.1-7) являются I-IV районы по весу снегового покрова и по скоростному напору ветра, а также сейсмичность региона до 6 баллов включительно.
Расшифровка маркировки
Для того чтобы обозначить железобетонное изделие, ему присваивается маркировка, состоящая из буквенно-числовой аббревиатуры, каждый символ который содержит в себе информацию о конструктивных особенностях колонны. Так расшифровка 2КН2 4-28(20)-21 (Б1.020.1-7) будет выгладить следующим образом:
1. 2 - двухэтажная конструкция;
2. К - название - колонна;
3. Н - тип изделия в зависимости от его положения по высоте здания - нижнее;
4. 2 - тип колонны в зависимости от ее положения в плане здания (1 - крайняя, 2 - средняя);
5. 4 - сечение 400*400 мм;
6. 28 - с высотой типового этажа 2,8 м;
7. 20 - с техподпольем 2,0 м;
8. 2 - класс бетона В30;
9. 1 - тип армирования, в зависимости от диаметра продольной арматуры - 16АIII.
Маркировочные знаки, а также датировка, название завода-изготовителя, вес и штамп ОТК прописываются на готовой конструкции, контрастной влагостойкой краской.
Материалы и производство
Норматив, описывающий технологию выпуска, а также содержащий в себе чертежи и спецификации для колонн, является Серия Б 1.020.1-7. Производство данных крупногабаритных изделий осуществляется исключительно в заводских условиях. Для того чтобы на выходе производственного процесса получился высокопрочный, долговечный, качественный монолит, соблюдаются четко все этапы технологии выпуска 2КН2 4-28(20)-21 (Б1.020.1-7), сопровождающиеся пооперационным контролем. В качестве основы для линейки колонн Серии Б 1.020.1-7 используется тяжелый бетон классов по прочности В25 и В30. Для верхних и бесстыковых изделий возможно применение класса В40.
Так как будущая колонна является несущей конструкцией и в сборном каркасе будет подвержена вертикальным и горизонтальным нагрузкам, она должна обладать колоссальной прочностью, которая достигается путем соединения плотного бетона со стальной арматурой. Так армирование 2КН2 4-28(20)-21 (Б1.020.1-7) осуществляется с помощью пространственного каркаса, собранного из арматурных сеток и пластин. Отдельный стержень, проходящий вдоль внутренней части всего изделия выполняется из стали класса А-III, диаметр стержня в каждой конкретной колонне уточняется в маркировке. Сборка каркаса производится только с использованием контактной точечной сварки. Ряд закладных из прокатной стали С235 является неотъемлемой частью конструкции, так как данные детали являются связующими элементами при строительстве.
Оценка качества сборного изделия осуществляется в соответствии с требованиями ГОСТ 8829-94.
Хранение и транспортировка
Складские мероприятия с данными длинномерными конструкциями осуществляются на предварительно подготовленном, плотном основании в один ряд или штабель. При расстановке изделий в 1 ряд используются деревянные подкладки толщиной не меньше двадцати сантиметров. Дистанция между строительными элементами должна составлять сорок-пятьдесят сантиметров. Формирование колонн в штабель предполагается с опорой на подкладочный инвентарь, размещаемый под отверстиями, предназначенными для выемки изделий из форм. Строповку железобетонной продукции важно осуществлять с применением балансирной траверсы. Перевозка 2КН2 4-28(20)-21 (Б1.020.1-7) допустима исключительно специализированным транспортом.