КС 20-12 (ГОСТ 8020-90)







КС 20-12 (ГОСТ 8020-90)
О товаре
Цена по запросу
ОПИСАНИЕ
Кольцо колодца стеновое КС 20-12 (ГОСТ 8020-90) - это прочное железобетонное изделие цилиндрической формы с полой внутренностью. Данные конструкции применяются для обустройства круглых колодцев подземных трубопроводов канализационных, водопроводных и газопроводных сетей. Использование таких сооружений целесообразно, так как они обладают высокой устойчивостью к деформациям, негативному воздействию грунтовых вод и почвы.
Расшифровка маркировки
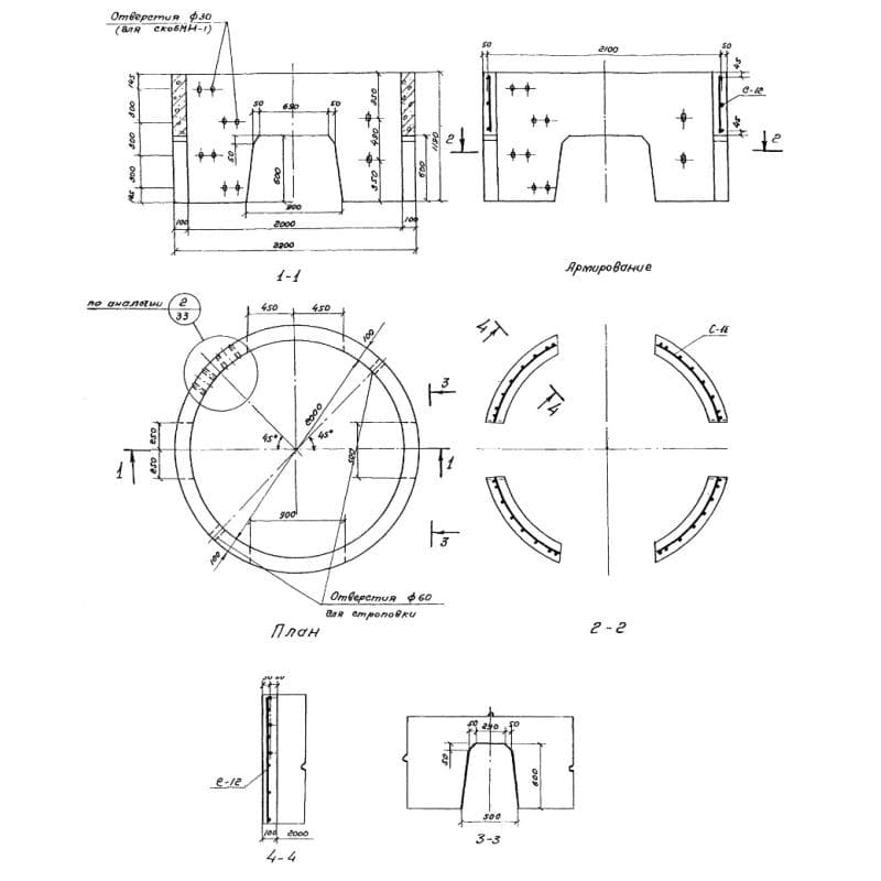
Марка сборных элементов для колодезных сооружений, в том числе и колец, принята буквами и цифрами. Каждая буквенная и цифровая аббревиатура несет в себе смысловую нагрузку об основных характеристиках, а также конструктивных особенностях каждого исполнения. Рассматривая подробно расшифровку марки КС 20-12 (ГОСТ 8020-90), можно увидеть следующее:
1. КС - стеновой кольцо рабочей камеры или горловины колодца;
2. 20 - внутренний диаметр (в дм);
3. 12 - высота (в дм).
Маркировочные знаки прописываются на готовой конструкции, применяемая здесь краска должна быть стойкая к влаге, ультрафиолетовому излучению солнца и другим влияниям окружающей среды. Также на изделии указываются вес, дата выпуска и штамп ОТК.
Материалы и производство
Стеновые железобетонные кольца изготавливают в заводских условиях или на специально подготовленных площадках. Основным регламентом, задающим производственные нормы, является ГОСТ 8020-90. Применяемый здесь материал - тяжелый бетон, ингредиенты которого пропорционально подобраны и отлично уплотнены. В роли основных составляющих выступает вяжущий материал, такой как цемент, а также используются вода, мелкие и крупные заполнители. Так как изделия используются во взаимодействии с грунтами, важной характеристикой бетонной смеси является водонепроницаемость, она устанавливается авторами конкретных проектов индивидуально, но должна быть не ниже W4.
Для повышения прочности, устойчивости к разным типам воздействий кольцо колодца стеновое армируют. Армирование определяют как дополнительное укрепление бетонного изделия путем добавление в него сваренных между собой стальных элементов. Для КС 20-12 (ГОСТ 8020-90) здесь может применяться арматурная сталь следующих видов:
1. термомеханически упрочненная классов Ат-IIIС и Ат-IVC;
2. стержневая горячекатаная классов А-I, А-II и А-III;
3. арматурная проволока Вр-I.
Внутри стенового кольца для удобства спуска в сооружение колодца, устанавливаются стальные ходовые скобы, расположенные по высоте конструкции через 300 мм и выступающие от внутренней поверхности колец на 120 мм. Стальные выглядывающие из бетона элементы, покрываются антикоррозийной обмазкой.
Оценка качества готовых КС 20-12 (ГОСТ 8020-90) осуществляется с помощью контрольных испытаний на прочность, жесткость и трещиностойкость, результаты должны соответствовать эталону, основанному на ГОСТ 13015.
Транспортировка и хранение
Складирование железобетонных колец необходимо осуществлять штабелями, не более двух рядов, в шашечном порядке. Расположение, как при хранении, так и при перевозке - рабочее, здесь необходимо применение деревянного инвентаря - прокладок и подкладок. Перемещение КС 20-12 (ГОСТ 8020-90) с помощью крана нужно организовывать с большой осторожностью, во избежание повреждений. Здесь важно выдерживать определенный угол стропования (45 градусов). Для перевозки колец применяются грузовые автомобили, прицепы с нужной грузоподъемностью. В транспортном средстве строительные элементы фиксируются с помощью тросов и проволоки, для того чтобы кольца не смещались и не соприкасались со стенками кузова.