2ПР 3-11-38-9

2ПР 3-11-38-9
О товаре
Цена по запросу
ОПИСАНИЕ
Перемычки плитные 2ПР 3-11-38-9 представляют собой высокопрочные армированные изделия прямоугольной формы и сечения (нижняя грань может выполняться меньше верхней в пределах 4 мм, тогда изделие будет иметь форму трапеции). Многочисленность разработанных типов перемычек для зданий из кирпича различного назначения позволяет реализовывать самые сложные строительные проекты с использованием элементов серии, при этом все, включенные в нее изделия применяются для высоты кирпича 88 мм. Удобные готовые строительные элементы прочны, долговечны и функциональны.
1. Варианты маркировки
В Серии 1.138-10 разработано достаточно большое число марок (ниже представлена расшифровка значений) для максимально полного решения задач по созданию проемов в кирпичных строениях:
1. 2ПР 3-11-38;
2. 2ПР 4-14-38.
2. Основная сфера применения
Перемычки плитные 2ПР 3-11-38-9 изготавливаются для реализации строительных проектов по возведению общественных зданий и жилых домов для перекрытия различных по назначению проемов. Разработаны для использования в обычных условиях строительства и эксплуатации. Перемычки отличаются по размерам и несущей способности, разные типы могут функционировать в самонесущих конструкциях или учитывать вес плит перекрытия, применяться внутри помещения или при создании фасадных проемов – морозостойкость регулируется производителем в соответствии с потребностями заказчика, включая расчетную температуру ниже -40С.
3. Обозначение маркировки
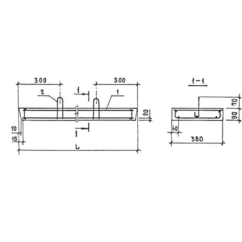
Перемычки и другая продукция, изготовленная из железобетона, имеет соответствующую параметрам и названию маркировку. Индекс, состоящий из букв и цифр, собранных в группы, показывает несущую способность, размеры и тип армирования, возможности применения. На примере перемычек плитных 2ПР 3-11-38-9:
1. 2ПР – плитная перемычка шириной выше 250 мм;
3. 3 – расчетная нагрузка;
4. 11 – длина в дециметрах, округленная до целого числа;
5. 38 – ширина;
6. 9 – высота;
7. АVт – марка стали, используемой для армирования.
Наличие буквы «у» в конце маркировки указывает на то, что перемычка усилена и рассчитана не только на собственный вес и кладки над ней, но и на вес плиты перекрытия.
«В» не относится к маркировке, а наносится на верхнюю грань плитного изделия для правильной ориентации при монтаже.
Перемычки плитные 2ПР 3-11-38-9 имеют габаритные размеры:
Длина = 1160;
Ширина = 380;
Высота = 90;
Вес = 99;
Объем бетона = 0,0396;
Геометрический объем = 0,0397.
4. Материалы изготовления и характеристики изделия
Перемычки плитные 2ПР 3-11-38-9 изготавливаются из высококачественных компонентов по отлаженной технологии, полностью отвечающей нормам и стандартам. Благодаря этому формируются свойства готовой продукции, способной долговечно эксплуатироваться в условиях высоких нагрузок, под воздействием температурных перепадов в разных климатических условиях. Армирование плитных перемычек высотой 190 мм осуществляется пространственными арматурными блоками, собираемыми из плоских каркасов, те же изделия высотой 90 мм армируются гнутыми каркасами. Производство каркасов выполняется из горячекатаной стали класса А-111 и проволоки Вр-1, марка стали арматуры отображается в маркировке перемычки. Монтажные петли изготавливаются из стали класса А-1 и надежно крепятся к каркасу, покрытому защитной антикоррозийной смесью, заведением за продольную арматуру. Бетон марки М 200 по прочности на сжатие имеет базовые показатели морозостойкости, изменяемые по указанным в проекте заказчика условиям эксплуатирования объекта и температурным показателям региона.
5. Складирование, транспортировка и хранение
Перемычки плитные 2ПР 3-11-38-9 хранят и перевозят горизонтально в штабелях, уложенных на подкладки толщиной от 40 мм, стоящие на выровненной поверхности, сортируя отдельно от продукции с другой маркировкой. Под каждым плитным изделием устанавливаются 2 прокладки из дерева, размещенные на расстоянии 200 мм от торцов, строго вертикально одна над другой в каждом следующем ряду. Толщина прокладок должна учитывать наличие монтажных петель и превышать петлевые выпуски на 20 мм и более. Высота штабеля формируется не выше двух метров, расстояние между ними должно предусматривать доступ для захвата и подъема плит, возможность для осмотра маркировки. Погрузочные работы выполняются спецтехникой и строповочными приспособлениями за монтажные петли отдельных плит или пакетами краном. В транспорте перемычки закрепляются проволокой, с полным исключением смещений и ударов продукции между собой и с перевозящим средством. Соблюдение правил обращения с железобетонными изделиями, аккуратность при проведении работ – лучший способ сохранить их свойства, полученные при производстве.