1П 15-30 (3.012-3)

nlo4gb2ejqa6p6v
1П 15-30 (3.012-3)

О товаре

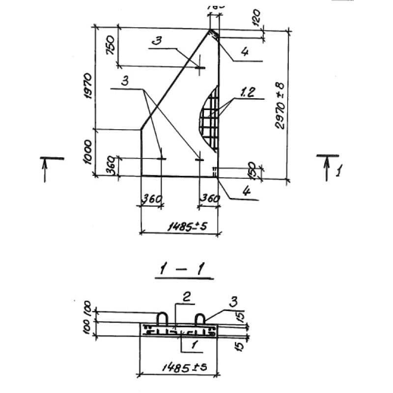
Длина:1485
Ширина:2970
Высота:100
Вес:700
ГОСТ, Серия:-
Объем бетона:0,31 м3
Геометрический объем:0,441 м3

Цена по запросу

ОПИСАНИЕ

Плита 1П 15-30 (3.012-3) - это унифицированное железобетонное изделие, которое является важным составляющим элементом железобетонных силосов диаметром шесть и двенадцать метров, предназначенных для хранения сыпучих материалов. Внешне строительная конструкция имеет немного необычную форму, она выполнена в виде прямоугольной плиты со скошенным углом. Изделия играют важную роль в строительстве будущего сооружения. Основной характерной особенностью элементов, является их практичность, прочность, плиты могут выдерживать значительные нагрузки. Основные характеристики деталей, рабочие чертежи представлены в Серии 3.012-3. Нормативный документ допускает применять данные изделия, как в обычных климатических средах, так и в агрессивных условиях. Быстрота и легкость монтажа конструкций, является немаловажным моментом при строительных работах.

Расшифровка маркировки

Каждое железобетонное изделие имеет свое условное обозначение. Марка состоит из буквенных и цифровых индексов. Серия 3.012-3 раскрывает очень подробно значение каждого символа. Рассмотрим в подробностях расшифровку плиты 1П 15-30 (3.012-3):

1.1 - форма опалубки, отличающаяся от прямоугольной плиты;

2. П - плита;

3.15 - длина указывается в дм;

4. 30 - ширина указывается в дм.

Марка обычно наносится на боковую грань железобетонного изделия, индексы проставляются специальной влагоустойчивой краской. Помимо марки должен стоять штамп ОТК, дата выпуска и логотип предприятия-изготовителя.

Материалы и производство

Выпуск железобетонных плит 1П 15-30 (3.012-3), а так же их приемка, осуществляется согласно Серии 3.012-3. Производство изделий осуществляется на соответствующих производственных предприятиях с применением качественного проверенного сырья. В качестве основы заложен бетон марки М200. Марка морозостойкости и водонепроницаемости зависит от климатических особенностей района постройки согласно требованиям ГОСТ 10060-76. Конструкции армируются пространственными каркасами, согласно ГОСТ 5781-75, и используется арматура класса A-I и A-III. Все сварные арматурные и закладные изделия должны строго удовлетворять требования ГОСТ 10922-75. Строительные работы с плитами облегчаются тем, что в конструкциях предусматриваются монтажные петли. Все составляющие элементы проходят обработку антикоррозионным составом, который препятствует образованию ржавчины. Особое внимание на производстве уделяют выходному контролю качества. Каждая готовая партия железобетонных изделия проверяется на прочность, трещиностойкость, сравнивают геометрические размеры с проектными чертежами. После всех необходимых проверок, плиты снабжаются паспортом качества. Данный технический документ отправляется к потребителю вместе с железобетонной продукцией, в нем указывают информацию о сырье, о предприятии-изготовителе, а так же ставят печать дату выпуска.

Транспортировка и хранение

Плиты 1П 15-30 (3.012-3) должны храниться на складских площадках в штабелях, их следует горизонтально уложить с применением деревянных подкладок толщиной не менее 80 мм. Маркировочные символы должны всегда хорошо просматриваться. Транспортировка и монтаж строительных конструкций допускается лишь в том случае, если прочность бетона составляет не ниже 70% от проектной марки. Во время перевозки плиты необходимо надежно зафиксировать специальными крепежными механизмами, чтобы избежать деформации изделий. При всех манипуляциях со строительным материалом необходимо соблюдать технику безопасности и осторожность. Заранее необходимо подготовить подъезной путь для погрузочно-разгрузных работ.