2ПГ 39-31

2ПГ 39-31
О товаре
Цена по запросу
ОПИСАНИЕ
Перемычки балочные 2ПГ 39-31 используются для перекрытия оконных проемов. Данный вид изделий на практике давно показал, что это наиболее верный способ получить прочные и надежные технические сооружения. Эти изделия помогают достичь надежной компенсации оконных пустот, создавая один уровень на этаже с потолком, и при этом обеспечивают распределение несущей нагрузки от вышерасположенных стен. Перемычки с выборкой монтируют вверх и внутрь. Стоит отметить, что данный уступ используются для опирания на нее плит перекрытия. Все это позволяет получить надежные, прочные и долговечные конструкции.
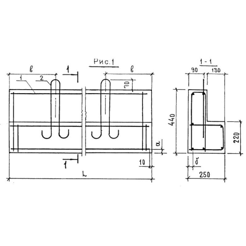
1.Варианты написания маркировки
Железобетонные перемычки 2ПГ 39-31 маркируют согласно действующим Стандартам – Серии 1.038.1-1, указывают тип изделия и размерную группу.
1. 2ПГ 39-31.
2.Основная сфера применения.
Балочные перемычки 2ПГ 39-31 используют при обустройстве кирпичных и блочных зданий. Это основной элемент для перекрытия оконного проема, который создает прочную и надежную конструкцию. Устанавливается перемычки в один уровень с потолком. Балочные перемычки имеют специальный уступ или выборку, которую используют для опирания и примыкания других элементов здания. С помощью железобетонных балок удается равномерно распределить несущие нагрузки от вышерасположенных стен и прочих элементов. 2ПГ 39-31 имеют допустимую нагрузку, по которой изделие выбирают для определенных построек из кирпича. Опора плит перекрытия на балочные элементы с превышением расчетной нагрузки – не допустима.
Широкое применение за счет высоких эксплуатационных характеристик балочные перемычки с четвертью 2ПГ 39-31 получили при возведении административных и производственных помещений. Для перекрытия оконных проемов – это основной применяемый вид железобетонных изделий, так как зданию удается придать высокую прочность и дополнительно его укрепить. Нормы и Стандарты производства балочных перемычек 2ПГ 39-31 заложены в Серии 1.038.1-1, и обязательны для исполнения. Максимальная ширина стен, для которых может быть использована данная перемычка – 65 см. Огнестойкость балочных перемычек составляет расчетное время 1 час без каких-либо изменений первоначального вида.
3.Маркировка обозначения изделия.
Маркировка балочных перемычек с выборкой 2ПГ 39-31 производится согласно Серии 1.038.1-1:
1. 2 - сечение перемычки;
2. ПГ – перемычка балочная;
3. 39 - длина в дм;
4. 31 - расчетная нагрузка.
Габаритные размеры составляют следующие пределы – 3890х250х440, где соответственно указаны длина, ширина и высота.
В маркировку могут быть включены расчетная нагрузка, класс арматурных прутков и прочие характеристики. Обозначение наносится несмываемой краской на боковую грань перемычки или на торец. В качестве добавочных обозначений могут быть указаны следующие характеристики:
1. Геометрический объем изделия – 0,4279 ;
2. Объем бетона на изготовление 1 элемента – 0,317 ;
3. Масса перемычки – 792;
4. Наличие специальных монтажных петель обозначается буквой "П";
5. Наличие анкерных выпусков может быть обозначено буквой "А", на эти элементы крепят плиты балкона;
4.Основные материалы и характеристики.
Балочные перемычки 2ПГ 39-31 изготавливают методом вибропрессования с использованием высококачественного сырья. За счет применения портландцемента и мелкофракционного песка готовые изделия имеют высокие прочностные характеристики. Бетон для перемычек берется тяжелых марок. Прочность бетона на сжатие должна соответствовать марке М200, класс прочности – не менее В15. Так как перемычки могут быть использованы в регионах, где средняя температура в зимний период составляет до -31 градуса, то железобетонные изделия для перекрытия проемов должны отвечать марке по морозостойкости – не менее чем F100. Водонепроницаемость бетона – берется марка W2. Данные характеристики позволяют получить прочные железобетонные элементы, которые отличают долговечностью.
Прочность перемычек 2ПГ 39-31 повышается за счет армирования элементов. Для этого используют горячекатаную или предварительно напряженную проволоку класса AIII по ГОСТ 5781-61. Стальной каркас тип КП5 изготавливается из гнутых стержней и вязальной проволоки. В тело перемычки закладывают строповочные петли П3 – 2 шт. Все стальные элементы подвергают обязательной антикоррозионной обработке.
5.Хранение и транспортировка.
Транспортирование 2ПГ 39-31 производится при помощи спецтранспорта, для подъема на высоту используют строповочные отверстия. Перевозка производится в контейнерах в горизонтальном положении, при этом слои прокладывают деревянными досками или изолирующим материалом. Хранение осуществляется в штабелях, высота не превышает 2 метра.