Л 27-15 а







Л 27-15 а
О товаре
Цена по запросу
ОПИСАНИЕ
Лотки теплотрасс Л 27-15 а представляют собой П-образный короб из железобетона. Еще одно название, употребляемое строителями, – бетонный канал. Основным назначением лотков является прокладка в них трубопроводов различного диаметра. Также их используют для прокладки электрических кабелей, возможно применение для обустройства подземных транспортных галерей.
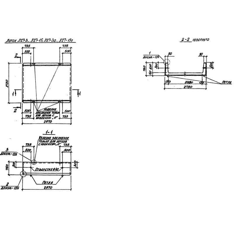
1.Варианты написания маркировки.
Лотки теплотрассы маркируются согласно действующему Регламенту – Серия 3.006.1-2.87, где указывается тип железобетонного изделия, а также размерная группа лотка. Примеры написания маркировки данных изделий:
1. Л 27-15 а;
2. Л 27.15 а.
2.Основная сфера применения.
Лотки теплотрасс Л 27-15 а являются универсальными изделиями из железобетона. Они предназначены в основном для прокладки в них электрических кабелей, трубопроводов различного диаметра и назначения. Также возможно обустройство с использование лотков подземных транспортных галерей, а также установка внутри каналов транспортеров. Возможно изготовление каналов с помощью двух уложенных один на другой лотков Л 27-15 а, соединяемых между собой короткими отрезками швеллеров, которые укладывают в продольные швы образуемого канала или тоннеля.
Используют лотки для теплотрасс Л 27-15 а при строительстве сложных инженерных сооружений. Для этого применяются высокопрочные бетоны с высокими эксплуатационными характеристиками. При изготовлении в лотках предусматриваются закладные детали, которые служат для крепления кабелей и других коммуникаций.
Незакрытый сверху лоток Л 27-15 а защищает инженерные коммуникации с трех сторон. Для герметизации канала или тоннеля используют плиты ПП, ПТ или ОП одноразмерного ряда с лотками теплотрасс Л 27-15 а. Полученный короб, закрытый сверху плитой, представляет собой герметичную конструкцию, которая обеспечивает надежную защиту размещенных внутри элементов от неблагоприятных факторов окружающей среды, таких как влага, ветер, холод и механические воздействия.
Лоток теплотрассы Л 27-15 а предназначен для использования при минусовых температурах до -40°С, если необходимы элементы для работы при температурах до -55°С, то используют другие материалы. Так при изготовлении добавляются особые вещества, которые повышают стойкость бетона к агрессивной среде и повышают его водонепроницаемость.
Для сейсмически активных районов лотки Л 27-15 а выпускаются с усиленной арматурной сеткой, покрытой более толстым слоем бетона. Таким образом, в собранном виде лоток представляет собой полностью герметичный канал с расположенными внутри инженерными коммуникациями, куда не проникают грунтовые воды. Железобетонные лотки теплотрасс стойки к сейсмической активности включительно до 9 баллов по шкале Рихтера.
3.Обозначение маркировки изделия.
Лотки маркируются согласно Серии 3.006.1-2.87 буквенно-цифровой кодировкой, которая содержит тип изделия, порядковый номер и расчетную нагрузку. Л 27-15 а 2970х2780х 760 имеет расшифровку:
Л – лоток;
27 – порядковый номер;
15 – нагрузка;
а - наличие закладных деталей;
Длина L – 2970 ;
Ширина B – 2780 ;
Высота H – 760 ;
Объем бетона – 1,77 ;
Вес – 4430 ;
Геометрический объем - 6,275 .
4.Изготовление и основные характеристики.
Лотки Л 27-15 а изготавливаются из тяжелых сортов бетона. Класс по прочности на сжатие соответствует марке не менее В15-В35. Арматура применяется классов А-1 и А-3 по ГОСТ 6781-82, арматурные сетки сварного типа С 2-4-2 и С 3-7-1 обустраиваются согласно Серии 3.006.1-2.87.3-5. Для закладных изделий используется прокатная сталь по ГОСТ 380-71, монтажные петли УП1-6 согласно Серии 1.400-9.
Изготавливаются лотки Л 27-15 а методом вибропрессования. Бетонирование производится в горизонтальном положении стенками вниз. При достижении бетоном 70% проектной прочности изделие вынимается из опалубки. Готовое железобетонное изделие должно соответствовать следующим характеристикам:
1.Морозостойкость не ниже F50;
2.Водонепроницаемость – W2-W 4;
3.Марка бетона по прочности на сжатие от М200 до М450.
5.Транспортировка и хранение.
Хранение лотков теплотрасс Л 27-15 а производится в штабелях не более чем в три ряда в высоту. Укладка производится таким образом, чтобы была возможность захвата верхнего лотка и свободного подъема для погрузки. Нельзя допускать провисания части изделия, опора должна обеспечивать равномерное распределение нагрузки по всей поверхности лотка. Должны обеспечиваться прокладки в местах расположения монтажных петель толщиной не менее 30 мм. Неправильная транспортировка изделий может привести к их порче и невозможности использовать по назначению. Для обеспечения сохранности необходимо использовать спецтранспорт.