С 70-35-8





С 70-35-8
О товаре
Цена по запросу
ОПИСАНИЕ
Свая общестроительная С 70-35-8 изпользуются для обустройства фундаментов, и на сегодняшний день они получили наибольшее распространение. Это подходящий вариант для строительства основы дома на "сложных" грунтах. Основная особенность этих элементов состоит в том, что их можно применять практически во всех климатических зонах. Кроме этого, легкая забивка позволяет получить сооружение в достаточно сжатые сроки. Свая общестроительная С 70-35-8 значительно ускоряет ход строительства фундамента различных зданий и сооружений.
Строительная свая квадратного сечения С 70-35-8 имеет особую удлиненную форму с заостренным концом, что обеспечивает легкое погружение элемента в грунт. После достижения плотных слоев конструкция надежно там закрепляется. За счет более высокой несущей способности фундамент предотвращает сползание, осыпание или обвалы грунтов.
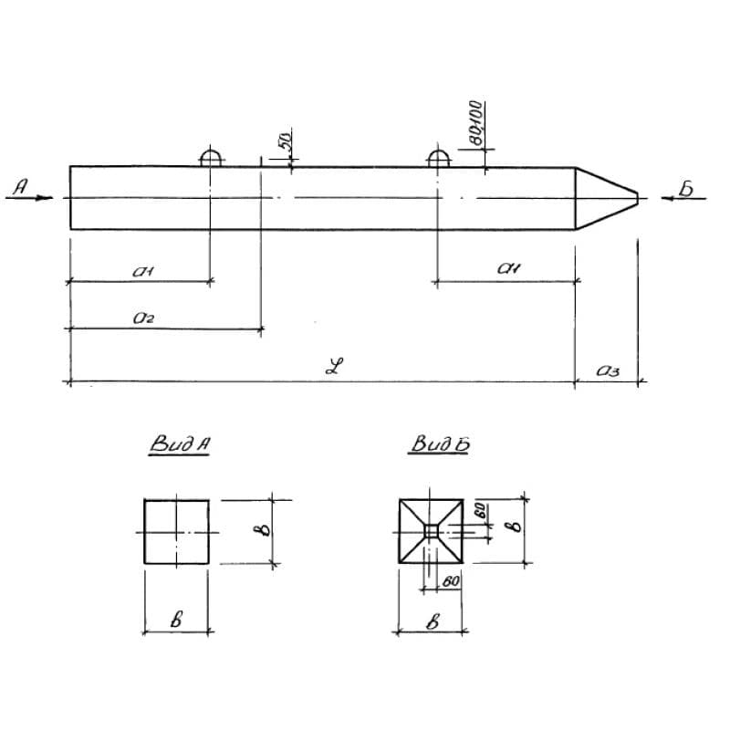
1.Варианты написания маркировки.
Согласно ГОСТ 19804-91 производится маркировка. В основное обозначение включены две группы: буквенная и цифровая. В данном случае указывают тип свайного изделия и его размерный ряд. Маркировка может быть написана несколькими вариантами:
1. С 70-35-8;
2. С 70-35-8,1;
3. С 70-35-8 у;
4. С 70-35-8 бо;
5. С 70-35-3
6. С 70-35-6
7. С 70-35-9
8. С 70-35-9 у
9. С 70-35-10
10. С 70-35-10у
11. С 70-35-11
12. С 70-35-11у
13. С 70-35-12
14. С 70-35-12у
15. С 70-35-13
16. С 70-35-13 у.
2.Основная сфера применения.
Сваи цельные С 70-35-8 изготавливают из железобетона. Именно этот материал позволяет получить высокопрочные изделия. Это позволяет расширить сферу применения данных элементов. Основное предназначение – это создание надежной основы дома. Высокий класс бетона гарантирует, что сваи могут воспринимать достаточно высокие сжимающие и сдавливающие нагрузки. От вышерасположенной конструкции свайные элементы равномерно распределяют различные усилия и передают их на грунт. Один конец сваи выполнен со специальным заострением, что значительно облегчает монтажные работы.
Основная эксплуатация железобетонных изделий С 70-35-8 осуществляется целиком в грунте. Это обуславливает определенные условия изготовления данных изделий. И главное – антикоррозионная защита. Такая обработка обеспечивает долговечность работы свайных элементов. Применять полнотелые сваи можно как для строительства высотных домов, так и для малоэтажных строений. За счет образования свайного куста получается высокопрочная конструкция, с помощью которой здание обретает устойчивость.
Применение допускается как на скальных, так и более мягких видах грунтов. Свайные стержни С 70-35-8 могут быть использованы для возведения зданий и сооружений на грунтах вечной мерзлоты, для глинистой и песчаной почвы. Свая погружается в грунт вибропогружателями или вибровдавливающими машинами.
3.Обозначение маркировки изделий.
Условная маркировка производится согласно действующему Стандарту – ГОСТ 19804-91. В буквенно-цифровую группу входят следующие обозначения С 70-35-8, где соответственно указаны:
1. С – тип железобетонного изделия, свая квадратного сплошного сечения;
2. 70 – длина, указано в дц., или 7000;
3. 35 – сечение элемента, указано в см., общие размеры поперечного разреза составляют 350х350 ;
4. 8 – порядок армирования.
Для более полной характеристики изделий С 70-35-8 указывают ряд дополнительных параметров:
1. Буква "У" – указывается повышенная ударостойкость;
2. 1 – армирование острия сваи, наличие стального каркаса;
3. Геометрический объем изделия – 0,8575;
4. Объем бетона на одно изделие составляет 0,88;
5. Масса – 2200.
Обозначение наносится на торцевую грань сваи несмываемой черной краской. Также наносят дату изготовления и товарный знак компании-производителя.
4.Изготовление и основные характеристики.
Изготовление полнотелых общестроительных свай С 70-35-8 производится согласно Серии 1.011.1-10 и ГОСТ 19804-91. Основная технология – вибропрессование или вибролитье. Именно эти способы получения железобетонных изделий позволяют обеспечить свойствам высокой прочности, трещиностойкости, морозостойкости (от 150 вплоть до 600 циклов замораживания-размораживания), водонепроницаемости (марка не менее W6), высокой несущей функцией и долговечности. Основной материал – бетоны тяжелых марок по ГОСТ 26633 не менее М200, класс по прочности на сжатие должен быть не менее В20.
Повышенная прочность достигается армированием изделий стальными пространственными каркасами с прутками класса А-III А-II и Ас-II по ГОСТ 5781, термомеханически упрочненную классов Ат-IIIC и Ат-IVС по ГОСТ 10884. Используется поперечное армирование по 4-8 стержней на один ряд. Головная часть элемента усилена пятью сварными стальными сетками С3. Дополнительно в тело свайного изделия закладывают две строповочные петли П3 для удобства подъема на высоту.
5.Хранение и транспортировка.
Хранят железобетонные сваи С 70-35-8 штабелями, каждый слой прокладывается деревянными досками толщиной не менее 3 см. Укладывают элементы ориентированными острыми концами на одну сторону. Транспортировка производится при помощи спецтранспорта. Может использоваться как автомобильный, так и железнодорожный.