2БФ 51-5 АIIIв

ibzzibo2jyzgpe0
2БФ 51-5 АIIIв

О товаре

Длина:5050
Ширина:300
Высота:300
Вес:850
ГОСТ, Серия:-
Объем бетона:0,34 м3
Геометрический объем:0,4545 м3

Цена по запросу

ОПИСАНИЕ

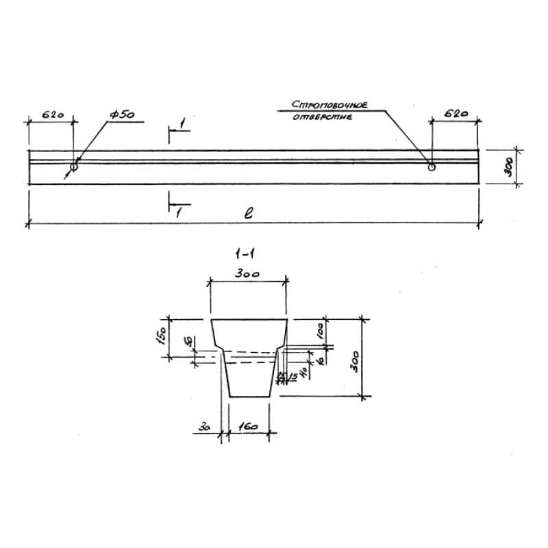
Балки фундаментные 2БФ 51-5 АIIIв – железобетонные изделия таврового сечения (в поперечном разрезе представляет собой букву "Т"), используемые в строительстве подошв или ростверков оснований кирпичных, блочных и панельных зданий промышленного или коммерческого назначения. Конструктивно элемент представляет собой балку трапециевидной формы. Толщина определяется параметрами бетона и типом конструкции. Элементы запроектированы на работу в особо ответственных конструкциях и отвечают всем требованиям ГОСТ 28737-90. Фундаменты воспринимают колоссальные вертикальные, в том числе динамические нагрузки, поэтому должны соответствовать высоким параметрам прочности и качеству исполнения.

Обратите внимание, что балки данного типа не используются в строительстве гражданских высотных зданий. Это связано со специфическими эксплуатационными характеристиками и крупными габаритами. Изделия типа БФ входят в разновидность сортамента, которые имеют верхнюю площадку и особо качественное армирование (каркас железобетонной конструкции) стальными прутами с предварительным напряжением.

1. Варианты написания маркировки

Знаки условного обозначения пишут различными способами:

1. 2БФ 51-5 АIIIв;

2. 2БФ 51.5 АIIIв.

2. Основная сфера применения

Балки 2БФ 51-5 АIIIв применяются в строительстве фундаментных конструкций:

- промышленных зданий с железобетонными колоннами высотой до 24 метров и панельными самонесущими и навесными стенами толщиной 200 мм без кирпичного цоколя и перегородок;

- зданий с панельными навесными и самонесущими стенами толщиной 300 мм без кирпичного цоколя или с цоколем толщиной 250 мм;

- строений с кирпичными стенами толщиной 250 мм.

Допускается эксплуатировать железобетонные фундаменты 2БФ во всех климатических регионах России, не исключая регионы с высокой сейсмической активностью (до 7 баллов включительно по шкале Рихтера). Среднезимняя температура района может достигать до -40 градусов. Применение балок в том или ином регионе должно быть подкреплено гидрогеологическими исследованиями и технико-экономическими расчетами.

Монтаж связан с некоторыми трудностями, так как изделие обладает внушительной массой и негабаритными размерами, поэтому для работ следует привлекать спецтехнику. Оптимально применять краны и лебедки. Укладка балок значительно облегчается за счет наличия монтажных петель, через которые пропускается такелажный трос, выполняется надежная строповка. Перед раскладкой железобетонных стержней, забивают вертикальные элементы с шагом 1,4- 6 метров и обустраивают щебенчато-гравийную подсыпку. Монтаж балок осуществляется либо на столбы (в процессе сборки ростверка), либо на сваи (когда требуется сформировать ленточное основание блочного типа). Фиксация фундаментных единиц выполняется по стандартной методике – перевязка хомутами, либо соединение контактной точечной сваркой армирующего каркаса и арматурных выпусков опорных столбов.

3. Обозначение маркировки

Фундаментные балки 2БФ 51-5 АIIIв маркируют согласно требованиям действующего регламента – Серии 1.015.1-1.95. В основной маркировке указываются следующие данные:

1. 2 – типоразмер;

2. БФ – балка фундаментная (тип конструкции);

3. 51 – длина, указывается в дециметрах с округлением до целого числа (расстояние между гранями подколонников);

4. 5 – группа несущей способности, ее порядковый номер;

5. АIIIв – класс арматуры, продольная стержневая арматура класса А-300 с преднапряжением, выполненном методом механической вытяжки.

Знаки пишут на торцевой грани балки ближе к концу. Дополнительно указывают дату выпуска, массу изделия и краткое наименование компании-производителя.

Технические характеристики:

Длина = 5050;

Ширина = 300;

Высота = 300;

Вес = 850;

Объем бетона = 0,34;

Геометрический объем = 0,4545.

4. Основные материалы для изготовления

Эксплуатация балок фундаментных 2БФ 51-5 АIIIв осуществляется в условиях воздействия слабоагрессивной среды, поэтому их изготавливают из тяжелых конструкционных бетонов нормальной проницаемости класса прочности В25. Материалы отвечают требованиям морозостойкости, водонепроницаемости и трещиностойкости в соответствии с конкретными условиями эксплуатации изделий.

Армирование балок выполняется стальными пространственными плоскими каркасами, соединенными между собой шпильками. Их привязывают вязальной проволокой класса Вр-1. В зоне опорной части закладывают отдельные стержни. Стальные узлы изготавливают из стали класса А-300в, обработанные антикоррозионными составами.

5. Транспортировка и хранение

Фундаментные балки транспортируют специализированным автомобильным, железнодорожным или водным транспортом. Во время перевозки каждый элемент должен быть зафиксирован и проложен деревянными подкладками, которые исключают порчу бетонной поверхности. Складирование организуется штабелями.