2РД 4-60-40 АIV-1 (1.020-1)

i2gun0y5gc5mwri
2РД 4-60-40 АIV-1 (1.020-1)

О товаре

Длина:5960
Ширина:550
Высота:450
Вес:2700
ГОСТ, Серия:-
Объем бетона:1,08 м3
Геометрический объем:1,4751 м3

Цена по запросу

ОПИСАНИЕ

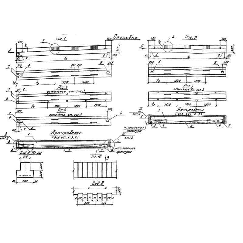
Ригель 2РД 4-60-40 АIV-1 (1.020-1) - это унифицированный строительный элемент прямоугольной формы. Железобетонные элементы запроектированы однополочными - в виде буквы «Г» и двухполочными - имеют тавровое поперечное сечение. Изделия широко применяются при строительстве многоэтажных общественных и производственных зданий и обеспечивают надежное опирание многопустотным плитам перекрытия, ребристым плитам и другим элементам конструкции. Индустриальные ригели выполняются из высокопрочного материала, поэтому гарантируют надежность и долговечность возводимому зданию. Схемы и чертежи можно изучить в нормативном документе Серии 1.020-1.

Расшифровка маркировки

Для удобства работы с индустриальными ригелями, им присваивается индивидуальная маркировка.

Марка состоит из букв и цифр, каждая из которых содержит определенные сведения о конструкции. Благодаря такому индивидуальному обозначению можно легко найти необходимую строительную конструкцию на складской площадке. Маркировка наносится при помощи штампов и трафаретов с использованием влагоустойчивой краски. На основании Серии 1.020-1 рассмотрим значение маркировки 2РД 4-60-40 АIV-1 (1.020-1):

1. 2 - без подрезок (1 - наличие подрезок для опоры на консоли колонны);

2. РД - тип ригеля - элемент с двумя полками (РО - с одной полкой);

3. 4 - высота сечения;

4. 60 - длина ригеля;

5. 30 - несущая способность;

6. A-IV - класс напрягаемой арматуры;

7.1 - наличие дополнительных закладных деталей.

Дополнительно проставляется номер партии, дата производства, вес элемента и дата изготовления.

Основные характеристики и изготовление

Процесс изготовления ригелей 2РД 4-60-40 АIV-1 (1.020-1) регламентируют Серия 1.020-1. Железобетонные изделия

выпускаются из бетона марки М300-М500. Марка водонепроницаемости и морозостойкости зависит от климатических особенностей района эксплуатации. Конструкции армируются пространственными каркасами и сетками из стали класса AI-V, Aт-V, а так же допустимо использовать арматурные канаты к7 по ГОСТ 5781-75 и согласно Серии 1.020-1. Для сопряжения с другими элементами, запроектированы закладные детали, которые должны быть обработаны антикоррозионным составом. Для удобства установки и перевозки, применяются строповочные петли из горячекатаной стали класса A-I. Отпускная прочность бетона должна быть не менее 70% в теплое время года, а в зимний период не ниже 100%. Перед тем, как отправиться к заказчику, партия готовых железобетонных конструкций проходит итоговые проверочные испытания на прочность, жесткость и трещиностойкость. Внимательно проверяются геометрические показатели, по представленным рабочим чертежам и схемам. Обнажения арматуры не разрешается. Поверхность должна быть ровной и гладкой без дефектов. По итоговым проверкам все индустриальные конструкции получают паспорт качества, который выдается отделом технического контроля предприятия-производителя.

Транспортировка и хранение

Хранение ригелей 2РД 4-60-40 АIV-1 (1.020-1) осуществляется на складской территории в штабелях высотой не более двух метров. Между рядами необходимо прокладывать инвертарный материал в виде подкладок и прокладок, которые предохраняют от механических повреждений. Погрузочно-разгрузочные работы проводятся на заранее подготовленной площадке. Строительные изделия не разрешается сбрасывать и перетаскивать волоком по земле. Транспортировка элементов осуществляется на специализированном транспорте, при этом все индустриальные ригели должны быть надежно закреплены фиксаторами.