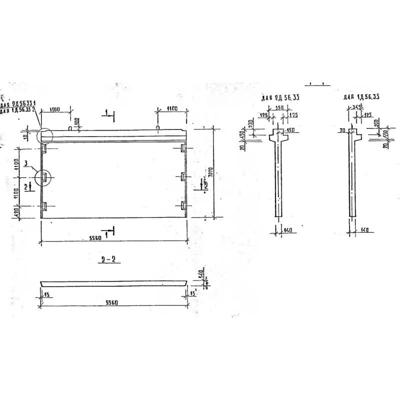
1Д 56-33

hse40u1buc8pp9i
1Д 56-33

О товаре

Длина:5560
Ширина:345
Высота:3270
Вес:7300
ГОСТ, Серия:-
Объем бетона:2,92 м3
Геометрический объем:6,2725 м3

Цена по запросу

ОПИСАНИЕ

Диафрагма жесткости 1Д 56-33 представляет собой высокопрочную прямоугольную железобетонную конструкцию. Такие диафрагмы являются несущими вертикальными элементами для многоэтажных общественных зданий, производственных и вспомогательных сооружений промышленных предприятий с высотой этажей 3,0 3,6 4,2 4,8 м и техническим подпольем 2 м. Основные функции данных изделий - восприятие и равномерное распределение горизонтальных нагрузок на основание. Нормативным документом изготовления предусмотрены несколько типов диафрагм: сплошные, с симметричной двухсторонней и односторонней полкой, с проемами 1320х2140 либо 1920х2540 мм.

Регламентировано применять 1Д 56-33 для зданий с неагрессивной газовой средой, возводимых в I-IV районах по ветровой нагрузке, с расчетной температурой не ниже -40 градусов. Допускается их использование в условиях воздействия слабой и среднеагрессивных среды при соблюдении дополнительных рекомендаций согласно СНиП 2.03.11-85.

Расшифровка маркировки

Железобетонные диафрагмы в соответствии с рабочими чертежами именуются марками, состоящими из нескольких буквенных и цифровых групп. Маркировка 1Д 56-33 означает:

1. 1 - количество полок;

2. Д - диафрагма жесткости с одной полкой;

3. 56 - длина (дм);

4. 33 - высота (дм).

Помимо марки на боковой поверхности диафрагмы должны быть указаны: товарный знак или краткое наименование производителя, дата выпуска, печать ОТК. Надписи следует наносить при помощи трафаретов или штампов нестираемой краской, устойчивой к перепадам температур.

Материалы и производство

Диафрагмы жесткости 1Д 56-33 надлежит изготавливать с соблюдением требований и стандартов, закрепленных в Серии 1.020-1/87. От уровня надежности, качества исполнения данных строительных элементов во многом будет зависеть срок и безопасность эксплуатации сооружений, именно поэтому требуется осуществлять систематический пооперационный контроль на всех стадиях производства. Предусмотрено два способа изготовления диафрагм: для конструкций с высотой 2,0 и 3,3 м в кассетах, прочих - в горизонтальных формах.

В основе диафрагм лежит тяжелый бетон с классами по прочности на сжатие В20, В25, В30. При отпуске изделий с завода прочность бетона должна быть в период положительных температур не менее 70%, в период минусовых температур - 90% от проектной марки.

Армируются диафрагмы жесткости пространственными каркасами, собранными из плоских каркасов, сеток, отдельных стержней из стали класса АIII, АI, проволоки ВрI. В теле конструкций так же запроектированы закладные детали из стали класса АIII, служащие для сопряжения с другими элементами каркаса.

Готовые конструкции проходят приемочный контроль на основании итогов приемосдаточных и периодических испытаний и должны удовлетворять ГОСТ 13015.0-83. Изделия подвергаются проверке на прочность, жесткость, раскрытие трещин, оценивается их внешний вид, качество поверхностей, прямолинейность, точность геометрических размеров, толщина защитного слоя. По итогам приемки изделия сопровождаются паспортами качества установленного образца.

Транспортировка и хранение

Диафрагмы жесткости 1Д 56-33 следует хранить на заранее спланированных складах и площадках. Чтобы сохранить изделия в пригодном состоянии для монтажа, требуется при складировании и перевозке руководствоваться схемами и указаниями, прописанными в нормативном документе изготовления и исключать любые действия, способные привести к повреждению конструкций.